【旧】雑貨工業品品質表示規程(平成29年3月30日改正前)
法令改正状況について
雑貨工業品品質表示規程(改正日・施行日:平成25年6月11日/経過措置:平成25年11月30日まで)
- (平成9年12月1日 通商産業省告示第672号)
- 改正 平成9年12月8日 通商産業省告示第688号
- 平成12年1月26日 通商産業省告示第41号
- 平成12年12月14日 通商産業省告示第727号
- 平成13年4月24日 経済産業省告示第328号
- 平成19年11月14日 経済産業省告示第281号
- 平成20年11月14日 経済産業省告示第251号
- 平成21年8月28日 経済産業省告示第275号
- 平成23年4月8日 内閣府告示第20号
- 平成25年6月11日 内閣府告示第137号
(表示事項)
- 第一条雑貨工業品の品質に関し表示すべき事項は、別表第一の上欄に掲げる雑貨工業品について、それぞれ同表の下欄に掲げる事項とする。ただし、最小販売単位の小さいものについては、別表第二で定めるところにより当該表示すべき事項の一部を省略することができる。
(遵守事項)
- 第二条前条に規定する表示事項の表示に際して製造業者、販売業者又は表示業者が遵守すべき事項は、別表第二のとおりとする。
別表第一(第一条関係)
| 雑貨工業品 | 品質に関し表示すべき事項 | |
|---|---|---|
|
||
|
||
|
||
| 合成洗剤(研磨材を含むもの及び化粧品を除く。以下同じ。)、洗濯用又は台所用の石けん及び住宅用又は家具用の洗浄剤(研磨材を含むものを除く。以下同じ。) |
|
|
|
||
|
||
|
||
| ウレタンフォームマットレス(ウレタンフォームの部分の最大の厚さが五〇ミリメートル以上のものに限る。以下同じ。)及びスプリングマットレス |
|
|
|
||
|
||
|
||
|
||
|
||
|
||
|
||
|
||
|
||
|
||
|
||
|
||
|
||
|
||
|
||
|
||
|
||
|
||
|
||
|
||
|
||
|
||
|
||
| 台所用、住宅用又は家具用の磨き剤(研磨材を含むものに限る。以下同じ。) |
|
|
|
||
|
||
別表第二(第二条関係)
- 一魔法瓶
魔法瓶(中瓶にガラス製の真空二重瓶を使用したものであって卓上用のもの及び内瓶にステンレス鋼製の真空二重瓶を使用したもので主として飲用水に用い屋外に携帯するものに限る。)
- (一)品名の表示に際しては、次の表の上欄に掲げる魔法瓶の種類に応じ、それぞれ同表の下欄に掲げる用語を用いて表示すること。
魔法瓶の種類 用語 中瓶にガラス製の真空二重瓶を使用したものであって、主として屋内で使用されるもので、通常外装にふた及びハンドル又はつり手を付けたもの ガラス製卓上用魔法瓶 ガラス製卓上用まほうびん 内瓶にステンレス鋼製の真空二重瓶を使用したものであって、主として飲用水に用い屋外に携帯するもの ステンレス製携帯用魔法瓶 ステンレス製携帯用まほうびん - (二)実容量の表示に際しては、次のイ及びロに掲げるところによること。
- イ製品に付属の中栓をしたときの容量(以下「実容量」という。)をリットル単位で表示することとし、この場合における許容範囲は、その容量を表す数値のプラス・マイナス五パーセントとすること。
- ロイの規定により容量の表示をする場合において、中瓶又は内瓶の数が二以上あるものについては、各中瓶又は各内瓶の実容量の和を表示し、その次に各中瓶又は各内瓶ごとの実容量を括弧書きで付記すること。
- (三)保温効力の表示に際しては、次のイ又はロに掲げるところによること。
- イガラス製卓上用魔法瓶については、室温二十度プラス・マイナス二度において、二時間以上開栓して放置した製品に付属の中栓を施したときの中栓の下端まで沸騰水を入れ、湯の温度が九五度プラス・マイナス一度になったときに、その製品付属の中栓等をした後、二四時間放置した場合及び十時間放置した場合におけるその湯の温度が表示以上となるように温度を表示し、その次に括弧書きでそれぞれ「二四時間」及び「十時間」と付記すること。
- ロステンレス製携帯用魔法瓶については、次の1及び2に掲げるところによること。
- 1室温二十度プラス・マイナス二度において、二時間以上開栓して放置した製品に付属の中栓を施したときの中栓の下端まで沸騰水を入れ、湯の温度が九五度プラス・マイナス一度になったときに、その製品付属の中栓等をして二四時間放置した場合及び六時間放置した場合におけるその湯の温度が表示以上となるように温度を表示し、その次に括弧書きでそれぞれ「二四時間」及び「六時間」と付記すること。
- 21の規定により保温効力の表示をする場合において、内瓶の数が二以上あるものについては、一方の内瓶には沸騰水を、他方の内瓶には冷水を入れ、それぞれの内容物の温度が九五度プラス・マイナス一度と四度プラス・マイナス一度になったときに、その製品付属の中栓等をして二四時間放置した場合及び六時間放置した場合に、沸騰水入りの内瓶の湯の温度が表示以上となるように温度を表示することとし、この場合において、それぞれの内瓶の保温効力が異なる場合には、内瓶を特定したうえでそれぞれ保温効力を表示すること。
- (四)材料の種類の表示に際しては、次のイ及びロに掲げるところによること。
- イガラス製卓上用魔法瓶において、中瓶のガラスについては、常温における膨張係数が〇・〇〇〇〇〇六五以上のガラスを使用している場合にあっては「ソーダ石灰ガラス」の用語、常温における膨張係数が〇・〇〇〇〇〇六五未満のガラスを使用している場合にあっては「ほうけい酸ガラス」の用語を用いてそれぞれ表示すること。ステンレス製携帯用魔法瓶において、内瓶については「ステンレス鋼」の用語を用いて表示すること。
- ロ胴部、ふた、コップ、口金、中栓及び揚水パイプについては、消費者が理解しやすいように適切に表現をした上で、主として使用される材料の名称をそれぞれ適正に表示することとし、特にその材料が次に掲げる材料の名称を示す用語に応ずるものであるときは、それぞれ次に掲げる名称を示す用語を用いて表示し、合成樹脂であるときは合成樹脂加工品品質表示規程(平成九年通商産業省告示第六百七十一号)第二条第一号の規定に準じて表示すること。なお、めっき、塗装等を施してあるものについては、材料の名称を示す用語の次に括弧を付してその旨を付記することができる。
- (1)鋼
- (2)ステンレス鋼
- (3)銅
- (4)黄銅
- (5)アルミニウム
- 備考:「鋼」とは、ステンレス鋼以外の鋼をいう。
- (五)使用上の注意の表示に際しては、次に掲げる事項を製品の形状又は品質に応じて適切に表示すること。
- イ火のそばに置かない旨(外装の材料に合成樹脂を用いたものに限る。)。
- ロ中栓及びふたは確実に閉めて使用する旨。
- ハ熱いものを入れて使用する場合には、横転させて中身が流れ出ないように注意する旨(ガラス製卓上用魔法瓶に限る。なお、横転させても中身が流れ出ないものを除く。)。
- ニ飲み物は中栓下端より少なめに入れる旨(ステンレス製携帯用魔法瓶に限る。)。
- ホ子供のいたずらに注意する旨。
- ヘ丸洗いをしない旨。(ただし、丸洗いできる製品については、洗い方に係る注意事項を記載する。)
- トドライアイス又は炭酸飲料は入れない旨。
- (六)表示には、表示した者の氏名又は名称及び住所又は電話番号を付記すること。
- (七)表示は、魔法瓶ごとに、消費者の見やすい箇所にわかりやすく記載してすること。ただし、使用上の注意の表示については、下げ札又はラベル若しくは取扱説明書の貼り付け等本体から容易に離れない方法により行うこと。
- (一)品名の表示に際しては、次の表の上欄に掲げる魔法瓶の種類に応じ、それぞれ同表の下欄に掲げる用語を用いて表示すること。
- 二かばん
- (一)皮革の種類の表示に際しては、その品質を適正に表示すること。特に次の表の上欄に掲げるかばんについては、その種類に応じそれぞれ同表の下欄に掲げる用語を用いて表示することとし、これ以外のかばんには、これらの用語又はこれらの用語と紛らわしい用語を用いて表示をしてはならないこと。
かばんの種類 用語 取っ手その他の付属品が取り付けられていない状態における外面(たれで被覆される部分を除く。)の面積(以下単に「外面積」という。)の六十パーセント以上が表皮付きの牛革のもの 牛革 外面積の六十パーセント以上が表皮付きの馬革のもの 馬革 外面積の六十パーセント以上が表皮付きの豚革のもの 豚革 外面積の六十パーセント以上が表皮付きの羊革のもの 羊革 外面積の六十パーセント以上が表皮付きのやぎ革のもの やぎ革 外面積の六十パーセント以上が表皮付きの牛革及び馬革のもの 牛革・馬革混用 外面積の六十パーセント以上が表皮付きの牛革及び豚革のもの 牛革・豚革混用 外面積の六十パーセント以上が表皮付きの馬革及び豚革のもの 馬革・豚革混用 外面積の六十パーセント以上が表皮付きの牛革、馬革及び豚革のもの 牛革・馬革・豚革混用 外面積の六十パーセント以上が牛、馬又は豚の床革のもの 床革 - (二)手入れ方法及び保存方法の表示については、次に掲げる事項について、本体(その容器)又はこれに貼り付けたラベル等、消費者に見やすい箇所にわかりやすく表示すること。
- イ素材にあったクリーナー、クリームや中性洗剤などで手入れをする旨。
- ロ濡れたときは、陰干しで乾かす旨。
- ハ保存するときは、湿度の高い場所を避ける旨。
- (三)表示には、表示した者の氏名若しくは名称及び住所若しくは電話番号又は経済産業大臣の定めるところによりその承認を受けた番号を付記すること。
- (四)表示は、かばんごとに、消費者の見やすい箇所にわかりやすく記載すること。
- (一)皮革の種類の表示に際しては、その品質を適正に表示すること。特に次の表の上欄に掲げるかばんについては、その種類に応じそれぞれ同表の下欄に掲げる用語を用いて表示することとし、これ以外のかばんには、これらの用語又はこれらの用語と紛らわしい用語を用いて表示をしてはならないこと。
- 三洋傘
- (一)傘生地の組成の表示に際しては、その品質を適正に表示するような方法を用いることとし、特に傘生地が繊維製品の場合にあっては、繊維製品品質表示規程(平成九年通商産業省告示第五百五十八号)の規程に準じ繊維の名称を示す用語にその繊維の混用率を示す数値を併記して表示する等の方法を用いること。
- (二)親骨の長さの表示に際しては、親骨の先端から末端までの長さをセンチメートル単位で表示することとし、この場合における許容範囲はその長さを表わす数値のプラス・マイナス五ミリメートルとすること。
- (三)取扱い上の注意の表示に際しては、次に掲げる事項を製品の形状又は品質に応じて適切に表示すること。
- イ特に風向きに注意し、強風のときは使用しない旨。また、パラソルから離れるときは傘を閉じる旨(ビーチパラソル及びガーデンパラソルに限る。)。
- ロ中棒に埋めるべき深さの指示標識が施されている場合は、その指示標識いっぱいに地中に埋める旨(ビーチパラソル及びガーデンパラソルに限る。)。
- ハ傘の開閉時及びシャフトの伸縮時には、顔や身体から離して使用する旨(ジャンプ式の折りたたみ傘に限る。)。
- ニ使用方法に関する注意事項。
- (四)表示には、表示した者の氏名又は名称及び住所又は電話番号を付記すること。
- (五)表示は、洋傘ごとに消費者の見やすい箇所にわかりやすく記載すること。ただし、取扱い上の注意の表示については、下げ札又は縫い付け若しくは貼り付けたラベル等本体から容易に離れない方法で行うこと。
- 四合成洗剤、洗濯用又は台所用の石けん及び住宅用又は家具用の洗浄剤
合成洗剤(界面活性剤又は界面活性剤及び洗浄補助剤その他の添加剤から成り、その主たる洗浄の作用が純石けん分(脂肪酸塩であって、その含有率が日本工業規格K三三〇四( 石けん試験方法)により求められるものをいう。以下同じ。)以外の界面活性剤の界面活性作用によるもの(洗濯用に供されるものについては、純石けん分以外の界面活性剤の含有重量が界面活性剤の総含有重量の三十パーセントを超えるものに限り、台所用に供されるものについては、純石けん分以外の界面活性剤の含有重量が界面活性剤の総含有重量の四十パーセントを超えるものに限る。)をいう。)
- (一)品名の表示に際しては、次の表の上欄に掲げる区分に応じ、それぞれ同表の下欄に掲げる品名を示す用語を用いて表示すること。
区分 用語 洗濯用に供されるもの 洗濯用合成洗剤 台所用に供されるもの 台所用合成洗剤 前二項上欄に掲げるもの以外のもの その用途を適切に表現した用語に「合成洗剤」の用語を付したもの - (二)成分の表示は、次のイからチまでに掲げるところによること。この場合において、成分の分析の方法が日本工業規格K三三六二(家庭用合成洗剤試験方法)又はK三三〇四( 石けん試験方法)に規定されているものについては、当該試験方法によること。
- イ界面活性剤については、「界面活性剤」の用語を用いて表示することとし、その用語の次に括弧書きでその含有率及び種類の名称を付記すること。この場合において、表示値の誤差の許容範囲は、界面活性剤の含有率が二五パーセント未満のものにあっては、プラス・マイナス二、その含有率が二五パーセント以上のものにあっては、表示値のプラス・マイナス八パーセントとすること。
- ロ含有される界面活性剤のうちその含有率が三パーセント以上のものについては、イの規定により、その種類の名称を示す用語を付記すること。なお、三パーセント未満の界面活性剤しか含まれていない場合には、その含有率が最も高いものの一つの種類の名称を示す用語を用いて表示すること。ただし、界面活性剤の種類の名称を知ることができないときその他界面活性剤の種類の名称を示す用語を表示しないことについてやむを得ない理由があるときは、界面活性剤の種類の名称を示す用語に代えて、界面活性剤の系別を示す用語を付記することができる。
- ハロの規定により種類の名称又は系別を表示する場合において、その種類の名称又は系別が次の表の上欄に掲げる界面活性剤の区分に応じ、同表の下欄又は中欄に掲げる界面活性剤の種類の名称又は系別を示す用語に該当するものであるときは、当該欄に掲げる用語を用いて表示すること。
界面活性剤の区分 界面活性剤の系別を示す用語 界面活性剤の種類の名称を示す用語 陰イオン系界面活性剤 脂肪酸系(陰イオン) 純石けん分(脂肪酸ナトリウム) 純石けん分(脂肪酸カリウム) アルファスルホ脂肪酸エステルナトリウム 直鎖アルキルベンゼン系 直鎖アルキルベンゼンスルホン酸ナトリウム 高級アルコール系(陰イオン) アルキル硫酸エステルナトリウム アルキルエーテル硫酸エステルナトリウム アルファオレフィン系 アルファオレフィンスルホン酸ナトリウム ノルマルパラフィン系 アルキルスルホン酸ナトリウム 非イオン系界面活性剤 脂肪酸系(非イオン) しょ糖脂肪酸エステル ソルビタン脂肪酸エステル ポリオキシエチレンソルビタン脂肪酸エステル 脂肪酸アルカノールアミド 高級アルコール系(非イオン) ポリオキシエチレンアルキルエーテル アルキルフェノール系 ポリオキシエチレンアルキルフェニルエーテル 両性イオン系界面活性剤 アミノ酸系 アルキルアミノ脂肪酸ナトリウム ベタイン系 アルキルベタイン アミンオキシド系 アルキルアミンオキシド 陽イオン系界面活性剤 第四級アンモニウム塩系 アルキルトリメチルアンモニウム塩 ジアルキルジメチルアンモニウム塩 - 備考:界面活性剤の種類の名称を示す用語のうち直鎖アルキルベンゼンスルホン酸ナトリウムについては、界面活性剤の種類として通常使用している略称に代えることができる。
- ニロ及びハの規定により種類の名称又は系別を表示する場合において、表示すべき界面活性剤の種類の名称又は系別の数が二以上あるときは、その種類又は系別に属する界面活性剤の含有率が大きいものから順次種類の名称又は系別を示す用語を列記すること。
- ホロの規定による界面活性剤の種類の名称を示す用語の表示の次に界面活性剤の系別を示す用語を付記することができることとし、この場合において、その系別がこの表の中欄に掲げる界面活性剤の系別を示す用語に該当するものであるときは、当該用語を用いて表示すること。
- ヘりん酸塩を五酸化りん(P2O5)換算で一パーセント以上含有しているものについては、「りん酸塩」の用語を用いて表示することとし、その用語の次に括弧書きで五酸化りん換算の含有率を付記すること。この場合において、表示値の誤差の許容範囲は、プラス・マイナス二とすること。
- トりん酸塩以外の洗浄補助剤その他の添加剤のうちその含有率が十パーセント以上のものについては、その成分の機能の名称の次に括弧書きで種類の名称を示す用語を用いて表示すること。また、その含有率が一パーセント以上のものについては、その機能の名称を示す用語を用いて表示すること。この場合において、その種類が次に掲げる種類の名称に応ずるものであるときは、それぞれ次に掲げる種類の名称を示す用語を用いて表示すること。
- (1)炭酸塩
- (2)けい酸塩
- (3)硫酸塩
- (4)アルミノけい酸塩
- (5)エチルアルコール
- (6)尿素
- チ蛍光剤、酵素又は漂白剤を配合しているものについては、「蛍光増白剤」、「酵素」又は「漂白剤」の用語を表示すること。
- (三)液性の表示に際しては、次の表の上欄に掲げる水素イオン濃度(pH)の区分に応じ、それぞれ同表の下に掲げる液性を示す用語を用いて表示すること。この場合において、水素イオン濃度(pH)の測定は、液状のものについては原液について日本工業規格Z八八〇二(pH測定方法)に定める方法により、液状のもの以外のものについては使用適量を用いた溶液について日本工業規格K三三六二(家庭用合成洗剤試験方法)の 八・三「pH値」に定める方法により行うものとする。この場合の測定温度は二五度とすること。なお、時の経過により液性が変化するものについては、製造時における液性及び当該変化後における液性を示す用語を用いて表示するとともに、液性の経時変化があるので注意すべき旨を括弧書きで付記すること。
水素イオン濃度(pH) 用語 十一・〇を超えるもの アルカリ性 十一・〇以下 八・〇を超えるもの 弱アルカリ性 八・〇以下 六・〇以上のもの 中性 六・〇未満 三・〇以上のもの 弱酸性 三・〇未満のもの 酸性 - (四)用途の表示に際しては、その用途を適切に表現した用語を用いて表示すること。
- (五)正味量の表示に際しては、計量法(平成四年法律第五十一号)第十二条(特定商品の計量)及び第十三条(密封をした特定商品に係る特定物象量の表記)に規定する特定物象量の表記に準ずるものとする。この場合の単位は、計量法に基づく法定計量単位のうちのキログラム単位、グラム単位、リットル単位又はミリリットル単位によるものとする。
- (六)使用量の目安の表示に際しては、使用の適量について具体的にわかりやすく表示すること。
- (七)使用上の注意の表示に際しては、次に掲げる事項を製品の品質に応じて適切に表示すること。ただし、該当する事項がない場合にはこの限りではない。
- イ子供の手が届くところに置かない旨。
- ロ野菜及び果物を五分間以上つけたままにしない旨(野菜及び果物の洗浄に適するものに限る。)。
- ハ流水を用いてすすぐ場合には、野菜及び果物は三十秒間以上、食器及び調理用具は五秒間以上すすぎ、ため水を用いてすすぐ場合には、ため水を替えて二回以上すすぐ旨(野菜及び果物の洗浄に適するものに限る。)。
- ニ流水を用いて食器又は調理用具をすすぐ場合には、五秒間以上すすぎ、ため水を用いてすすぐ場合には、ため水を替えて二回以上すすぐ旨(野菜及び果物の洗浄に適さないものに限る。)。
- ホ用途外に使用しない旨。
- ヘ万一飲み込んだり、目に入ったりした場合には、応急処置を行い、医師に相談する旨。
- (八)表示には、表示した者の氏名又は名称及び住所又は電話番号を付記すること。
- (九)表示は、最小販売単位ごとに、その容器又は包装等消費者の見やすい箇所に本体から容易に離れない方法でわかりやすく記載してすること。
- (十)別記「塩素ガス発生試験(酸性タイプ)で規定する試験又はこれと同等以上の精度を有する試験で測定した結果、一・〇ppm以上塩素ガスを発生するものについては、次に掲げる特別注意事項を表示すること。
- イ「まぜるな 危険」
- ロ「酸性タイプ」
- ハ塩素系の製品と一緒に使う(まぜる)と有害な塩素ガスが出て危険である旨
- (十一)特別注意事項の表示は、容器(箱に入っているものについては箱及び容器。以下同じ。)ごとに、商品名の記載のある面と同一の面の目立つ箇所に次により記載してすることとし、イ、ロ及びハの表示はそれぞれ隣接した位置に行うこと。
- イ「まぜるな 危険」の表示に際しては、枠を設け白地に「まぜるな 危険」と表示すること。「まぜるな」の文字は黄色に黒の縁どりをし、二八ポイント以上(製品の排除体積(キャップを含む。以下同じ。)が二百十ミリリットル以下のものにあっては二六・二五ポイント以上)の大きさで表示することとし、「危険」の文字は赤色で、四二ポイント以上(製品の排除体積が二百十ミリリットル以下のものにあっては二六・二五ポイント以上)の大きさで表示すること。
- ロ「酸性タイプ」の表示に際しては、枠を設け「酸性タイプ」と赤系色で表示することとし、容器、ラベル等の色により「酸性タイプ」の文字が目立たない場合は、ラベル又は枠内の色を変える等特に目立つ方法を用いて表示すること。文字の大きさは、当該製品の「使用上の注意」の表示に用いる文字の大きさより八ポイント以上大きくすること。
- ハ塩素系の製品と一緒に使うと有害な塩素ガスが出て危険である旨の表示に際しては、枠を設け「塩素系」及び「危険」の文字を用いて表示すること。「塩素系」及び「危険」の文字は赤系色で、当該製品の「使用上の注意」の表示に用いる文字の大きさより四ポイント以上大きくすることとし、「塩素系」及び「危険」以外の文字に使用する文字の大きさは、当該製品の「使用上の注意」の表示に用いる文字の大きさより一ポイント以上大きくすること。
別記 塩素ガス発生試験(酸性タイプ)
- (一)装置及び器具
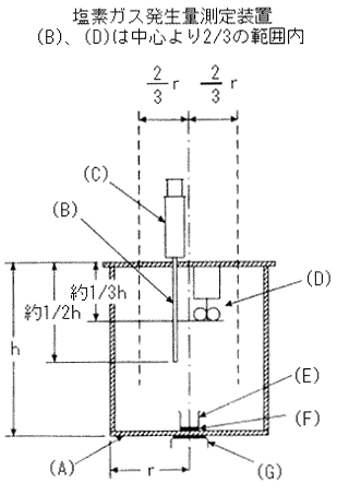
次の図のような合成樹脂容器のふたに検知管及びファンを取り付け、ファンは下向きに送風できるようにする。
- (一)品名の表示に際しては、次の表の上欄に掲げる区分に応じ、それぞれ同表の下欄に掲げる品名を示す用語を用いて表示すること。

-
-
- (A)合成樹脂容器
プラスチック製ふた付容器(丸形)、呼び容量20リットル(但し容量の許容差はプラス10パーセント、マイナス4パーセントとする。)。使用時にはシール等により密閉性を良くすること。
- (B)塩素ガス検知管
試料採取量100ミリリットル1回において塩素ガス濃度0.5~10ppm程度の範囲を測定できるもの。
- (C)ガス採取器(100ミリリットル)
- (D)槽内撹拌用軸流ファン
羽根(数4~5枚、直径5~7センチメートル、片面面積220~320平方ミリメートル/枚で総面積1100~1300平方ミリメートルとなる角度付きのもの)、回転数50Hzで約2500rpm、60Hzで約3000rpm
- (E)10ミリリットルビーカー
- (F)スターラービース(長さ1センチメートル)
- (G)マグネチックスターラー
- (A)合成樹脂容器
- (二)測定方法
- イ合成樹脂容器の底に、ピペットを用いて酸性タイプの製品の原液三ミリリットル(又は三グラム)を入れた十ミリリットルビーカーを置く。
- ロ(三)で定める塩素系基準溶液三ミリリットルをイのビーカー内に加える。
- ハ直ちに容器のふたをして、マグネチックスターラーにて混合し、槽内をファンで撹拌する。
- ニ両液混合から五分間後、ガス採取器を検知管の後に接続して容器内のガスを百ミリリットル一回吸引して測定し、得られた数値から、次式により塩素ガス濃度を算出する。
塩素ガス濃度(ppm) = 測定塩素ガス濃度(ppm)÷3 × 合成樹脂容器の容量(リットル)÷20
- ホ室温、液温は二十度プラス・マイナス五度とする。
- (三)基準溶液
- イ規格
塩素系基準溶液については、次亜塩素酸ナトリウム四・八~五・二パーセント及び水酸化ナトリウム〇・九~一・一パーセントの混合溶液とする。
- ロ調製方法
塩素系基準溶液については、工業用次亜塩素酸ナトリウム水溶液(次亜塩素酸ナトリウム約十三パーセント、水酸化ナトリウム約〇・三パーセント)を(三)ハと同様の方法で分析し、次亜塩素酸ナトリウム及び水酸化ナトリウムの正確な濃度を得た上で、イオン交換水と試薬特級(日本工業規格K八五七六)の水酸化ナトリウムを用いて上記塩素系基準溶液の規格に入るように調製する。
- ハ分析方法
本基準溶液は、冷暗所に保存し、三か月以内のものを使用する。使用に際しては、その都度分析を行う。分析方法は以下のとおり。
次亜塩素酸ナトリウムについては、基準溶液を一・〇グラムないし一・五グラム精秤し、イオン交換水を五十ミリリットルとヨウ化カリウム二グラム及び酢酸十ミリリットルを加え、遊離したヨウ素を〇・一モル毎リットルのチオ硫酸ナトリウム溶液を用いて酸化還元滴定を行い、〇・一モル毎リットルのチオ硫酸ナトリウム溶液の所要量に対応する次亜塩素酸ナトリウムを求めて含有率を算出する。
水酸化ナトリウムについては、純水五十ミリリットルに基準溶液を五・〇グラム加えた溶液に、水酸化ナトリウムで中和した過酸化水素水を上記基準溶液内に発泡がなくなるまで少量ずつ滴下して次亜塩素酸ナトリウムを分解した後、〇・五モル毎リットルの塩酸を用いて中和滴定を行い、〇・五モル毎リットルの塩酸の所要量に対応する水酸化ナトリウムを求めて含有率を算出する。この場合において、指示薬は、ブロムチモールブルー溶液とする。
- イ規格
- (四)測定は(二)イ~ニを三回行い、平均値を測定値とする。
- (五)本試験は、局部排気設備のある場所で換気に注意して行うこと。
-
洗濯用又は台所用の石けん(界面活性剤又は界面活性剤及び洗浄補助剤その他の添加剤から成り、その主たる洗浄の作用が純石けん分の界面活性作用によるもの(洗濯用の石けんについては、純石けん分の含有重量が界面活性剤の総含有重量の七十パーセント以上のものに限り、台所用の石けんについては、純石けん分の含有重量が界面活性剤の総含有重量の六十パーセント以上のものに限る。)をいう。)
- (一)品名の表示に際しては、次の表の上欄に掲げる区分に応じ、それぞれ同表の下欄に掲げる品名を示す用語を用いて表示すること。
区分 用語 洗濯用の石けん 純石けん分以外の界面活性剤を含有しないもの 洗濯用石けん 純石けん分以外の界面活性剤を含有するもの 洗濯用複合石けん 台所用の石けん 純石けん分以外の界面活性剤を含有しないもの 台所用石けん 純石けん分以外の界面活性剤を含有するもの 台所用複合石けん - (二)成分の表示は、次のイからヌまでに掲げるところによること。この場合において、成分の分析の方法が日本工業規格K三三六二(家庭用合成洗剤試験方法)又はK三三〇四( 石けん試験方法)に規定されているものについては、当該試験方法によること(成分の含有率は、固形のもの、粉末状のもの及び粒状のもの以外のものについては、製品重量比によって算出すること。)
- イ純石けん分以外の界面活性剤を含有しないものにあっては、「純石けん分」の用語を用いて表示することとし、その用語の次に括弧書きでその含有率及び種類の名称を示す用語を付記すること。この場合において、表示値の誤差の許容範囲は、プラス・マイナス五とすること。
- ロ純石けん分以外の界面活性剤を含有するものにあっては、「界面活性剤」の用語を用いて表示することとし、その用語の次に括弧書きで純石けん分を含めた界面活性剤の含有率を付記すること。以上の表示の次に純石けん分の含有率と種類の名称及び純石けん分以外の界面活性剤の含有率と種類の名称をそれぞれ「純石けん分」、「純石けん分以外の界面活性剤」の用語の次に括弧書きで付記すること。この場合において、表示値の誤差の許容範囲は、プラス・マイナス五とすること。
- ハ純石けん分以外の界面活性剤を含有するものにあっては、含有される界面活性剤のうちその含有率が三パーセント以上のものについて、ロの規定によりその種類の名称を示す用語を付記すること。なお、三パーセント未満の純石けん分以外の界面活性剤しか含まれていない場合には、その含有率が最も高いものの一つの種類の名称を示す用語を用いて表示すること。ただし、界面活性剤の種類の名称を知ることができないとき、その他界面活性剤の種類の名称を表示しないことについてやむを得ない理由があるときは、界面活性剤の種類の名称を示す用語に代えて、界面活性剤の系別を示す用語を付記することができる。
- ニ純石けん分以外の界面活性剤の表示については、該当部分にアンダーラインを引くこと。
- ホハの規定により種類の名称又は系別を表示する場合において、その種類の名称又は系別が次の表の上欄に掲げる界面活性剤の区分に応じ、同表の下欄又は中欄に掲げる界面活性剤の種類の名称又は系別を示す用語に該当するものであるときは、当該欄に掲げる用語を用いて表示すること。
界面活性剤の区分 界面活性剤の系別を示す用語 界面活性剤の種類の名称を示す用語 陰イオン系界面活性剤 脂肪酸系(陰イオン) 脂肪酸ナトリウム 脂肪酸カリウム アルファスルホ脂肪酸エステルナトリウム 直鎖アルキルベンゼン系 直鎖アルキルベンゼンスルホン酸ナトリウム 高級アルコール系(陰イオン) アルキル硫酸エステルナトリウム アルキルエーテル硫酸エステルナトリウム アルファオレフィン系 アルファオレフィンスルホン酸ナトリウム ノルマルパラフィン系 アルキルスルホン酸ナトリウム 非イオン系界面活性剤 脂肪酸系(非イオン) しょ糖脂肪酸エステル ソルビタン脂肪酸エステル ポリオキシエチレンソルビタン脂肪酸エステル 脂肪酸アルカノールアミド 高級アルコール系(非イオン) ポリオキシエチレンアルキルエーテル アルキルフェノール系 ポリオキシエチレンアルキルフェニルエーテル 両性イオン系界面活性剤 アミノ酸系 アルキルアミノ脂肪酸ナトリウム ベタイン系 アルキルベタイン アミンオキシド系 アルキルアミンオキシド 陽イオン系界面活性剤 第四級アンモニウム塩系 アルキルトリメチルアンモニウム塩 ジアルキルジメチルアンモニウム塩 - 備考:界面活性剤の種類の名称を示す用語のうち直鎖アルキルベンゼンスルホン酸ナトリウムについては、界面活性剤の種類として通常使用している略称に代えることができる。
- ヘハ及びニの規定により種類の名称又は系別を表示する場合において、表示すべき純石けん分の種類若しくは系別の数又は純石けん分以外の界面活性剤の種類若しくは系別の数が二以上ある場合には、純石けん分又は純石けん分以外の界面活性剤ごとに、その含有率の大きいものから順次種類の名称又は系別を示す用語を列記すること。
- トハの規定による界面活性剤の種類の名称を示す用語の表示の次に界面活性剤の系別を示す用語を付記することができることとし、この場合において、その系別がこの表の中欄に掲げる界面活性剤の系別を示す用語に該当するものであるときは、当該用語を用いて表示すること。
- チりん酸塩を五酸化りん(P2O5)換算で一パーセント以上含有しているものについては、「りん酸塩」の用語を用いて表示することとし、その用語の次に括弧書きで五酸化りん換算の含有率を付記すること。この場合において、表示値の誤差の許容範囲は、プラス・マイナス二とすること。
- リりん酸塩以外の洗浄補助剤その他の添加剤のうちその含有率が十パーセント以上のものについては、その成分の機能の名称の次に括弧書きで種類の名称を示す用語を用いて表示すること。また、その含有率が一パーセント以上のものについては、その機能の名称を示す用語を用いて表示すること。この場合において、その種類が次に掲げる種類の名称を示す用語に応ずるものであるときは、それぞれ次に掲げる種類の名称を示す用語を用いて表示すること。
- (1)炭酸塩
- (2)けい酸塩
- (3)硫酸塩
- (4)アルミノけい酸塩
- (5)エチルアルコール
- (6)尿素
- ヌ蛍光剤、酵素又は漂白剤を配合しているものについては、「蛍光増白剤」、「酵素」又は「漂白剤」の用語を表示すること。
- (三)液性の表示に際しては、次の表の上欄に掲げる水素イオン濃度(pH)の区分に応じ、それぞれ同表の下欄に掲げる液性を示す用語を用いて表示すること。この場合において、水素イオン濃度(pH)の測定は、液状のものについては原液について、液状のもの以外のものについては使用適量を用いた溶液について日本工業規格Z八八〇二(pH測定方法)に定める方法により行うものとする。この場合の測定温度は、二五度とすること。
水素イオン濃度(pH) 用語 十一・〇を超えるもの アルカリ性 十一・〇以下 八・〇を超えるもの 弱アルカリ性 - (四)用途の表示に際しては、その用途を適切に表現した用語を用いて表示すること。
- (五)正味量の表示に際しては、計量法(平成四年法律第五十一号)第十二条(特定商品の計量)及び第十三条(密封をした特定商品に係る特定物象量の表記)に規定する特定物象量の表記に準ずるものとする。この場合において、正味量の表示は製造されたときの計量によるものとし、その単位は、計量法に基づく法定計量単位のうちのキログラム単位、グラム単位、リットル単位又はミリリットル単位によるものとする。
- (六)使用量の目安の表示に際しては、使用の適量について具体的にわかりやすく表示すること。
- (七)使用上の注意の表示に際しては、次に掲げる事項を製品の品質に応じて適切に表示すること。ただし、該当する事項がない場合にはこの限りではない。
- イ子供の手が届くところに置かない旨。
- ロ野菜及び果物を五分間以上つけたままにしない旨(野菜及び果物の洗浄に適するものに限る。)。
- ハ流水を用いてすすぐ場合には、野菜及び果物は三十秒間以上、食器及び調理用具は五秒間以上すすぐ旨(野菜及び果物の洗浄に適するものに限る。)。
- ニ流水を用いて食器又は調理用具をすすぐ場合には、五秒間以上すすぐ旨(野菜及び果物の洗浄に適さないものに限る。)。
- ホ用途外に使用しない旨。
- ヘ万一飲み込んだり、目に入ったりした場合には、応急処置を行い、医師に相談する旨。
- (八)固形石けんについては、液性、用途、正味量、使用量の目安及び使用上の注意の表示を省略することができる。
- (九)表示には、表示した者の氏名又は名称及び住所又は電話番号を付記すること。
- (十)表示は、最小販売単位ごとに、その容器又は包装等消費者の見やすい箇所に本体から容易に離れない方法でわかりやすく記載してすること。
住宅用又は家具用の洗浄剤(酸、アルカリ又は酸化剤及び洗浄補助剤その他の添加剤から成り、その主たる洗浄の作用が酸、アルカリ又は酸化剤の化学作用によるものをいう。)
- (一)品名の表示に際しては、その用途を適切に表現した用語に「洗浄剤」の用語を付して表示すること。
- (二)成分の表示は、次のイからヘまでに掲げるところによること。
- イ界面活性剤については、「界面活性剤」の用語を用いて表示すること。この場合において、その含有率が三パーセント以上のものについては、「界面活性剤」の用語の次に括弧書きでその種類の名称を示す用語を付記すること。
- ロ二種類以上の界面活性剤を表示する場合には、その含有率の大きいものから順次列記すること。
- ハ三パーセント未満の界面活性剤しか含まれていない場合には、その含有率の最も高いものの一つの種類の名称を示す用語を表示すること。
- ニ洗浄補助剤その他の添加剤のうちその含有率が十パーセント以上のものについては、その成分の機能の名称の次に括弧書きで種類の名称を示す用語を表示すること。また、その含有率が一パーセント以上のものについては、その機能の名称を示す用語を表示すること。
- ホ酸又はアルカリについては、主要なものの種類の名称を示す用語を用いて表示することとし、その用語の次に括弧書きで次の表の上欄に掲げる成分の種類に応じ同表の下欄に掲げる試験方法により算出した当該成分の含有率を付記すること。この場合において、表示値の誤差の許容範囲は、プラス・マイナス一とすること。
成分の種類 成分の試験方法 塩酸 純水五十ミリリットルに試料五・〇グラムを加えた溶液について〇・五モル毎リットルの水酸化ナトリウム溶液を用いて中和滴定を行い、使用された〇・五モル毎リットルの水酸化ナトリウム溶液の所要量に対応する塩酸を求めて含有率を算出する。この場合において、指示薬は、ブロムチモールブルー溶液とする。 硫酸 塩酸の試験方法に準ずる。 しゅう酸 純水十ミリリットルに希硫酸(純水と硫酸(日本工業規格K八九五一(硫酸(試薬))に定める試薬特級とする。)とを容積が一対一の割合で混合したものとする。)十ミリリットル及び試料五・〇グラムを加えた溶液について〇・〇二モル毎リットルの過マンガン酸カリウム溶液を用いて酸化還元滴定を行い、使用された〇・〇二モル毎リットルの過マンガン酸カリウム溶液の所要量に対応するしゅう酸を求めて含有率を算出する。 塩酸及びしゅう酸を含むもののうちの塩酸 塩酸の試験方法に準じて総酸を中和滴定するに必要な〇・五モル毎リットルの水酸化ナトリウム溶液の所要量を求め、これからしゅう酸の試験方法により求められたしゅう酸の数量に対応する〇・五モル毎リットルの水酸化ナトリウム溶液の所要量を差し引いたものに対応する塩酸を求めて含有率を算出する。 スルファミン酸 純水五十ミリリットルに試料五・〇グラムを加えた溶液について〇・五モル毎リットルの亜硝酸ナトリウム溶液を用いて電位差滴定を行い、使用された〇・五モル毎リットルの亜硝酸ナトリウム溶液の所要量に対応するスルファミン酸を求めて含有率を算出する。 硫酸及びスルファミン酸を含むもののうちの硫酸 硫酸試験方法に準じて総酸を中和滴定するに必要な〇・五モル毎リットルの水酸化ナトリウム溶液の所要量を求め、これからスルファミン酸の試験方法により求められたスルファミン酸の数量に対応する〇・五モル毎リットルの水酸化ナトリウム溶液の所要量を差し引いたものに対応する硫酸を求めて含有率を算出する。 水酸化ナトリウム 純水五十ミリリットルに試料五・〇グラムを加えた溶液について〇・五モル毎リットルの塩酸を用いて中和滴定を行い、〇・五モル毎リットルの塩酸の所要量に対応する水酸化ナトリウムを求めて含有率を算出する。この場合において、指示薬は、ブロムチモールブルー溶液とする。 備考:
- 1成分の含有率は、製品重量比により算出するものとする。
- 2試験に用いる溶液の調製方法は、日本工業規格K八〇〇一(試薬試験方法通則)によるものとする。
- ヘ酸化剤については、その種類の名称を示す用語を用いて表示すること。この場合において、次亜塩素酸塩を配合しているものについては、「次亜塩素酸塩」の用語を用いて表示すること。
- (三)液性の表示に際しては、次の表の上欄に掲げる水素イオン濃度(pH)の区分に応じ、それぞれ同表の下欄に掲げる液性を示す用語を用いて表示すること。この場合において水素イオン濃度(pH)の測定は、液状のものにあっては原液について、粉末のものにあっては一リットルの水に五十グラムの試料を溶かした溶液について日本工業規格Z八八〇二(pH測定方法)に定める方法により行うものとする。この場合の測定温度は二五度とすること。
水素イオン濃度(pH) 用語 十一・〇を超えるもの アルカリ性 十一・〇以下 八・〇を超えるもの 弱アルカリ性 八・〇以下 六・〇以上のもの 中性 六・〇未満 三・〇以上のもの 弱酸性 三・〇未満のもの 酸性 - (四)用途の表示に際しては、その用途を適切に表現した用語を用いて表示すること。
- (五)正味量の表示に際しては、計量法(平成四年法律第五十一号)第十二条(特定商品の計量)及び第十三条(密封をした特定商品に係る特定物象量の表記)に規定する特定物象量の表記に準ずるものとする。この場合の単位は、計量法に基づく法定計量単位のうちキログラム単位、グラム単位、リットル単位又はミリリットル単位によるものとする。
- (六)使用量の目安の表示については、使用の適量について具体的にわかりやすく表示すること。
- (七)使用上の注意の表示に際しては、次に掲げる事項を製品の品質に応じて適切に表示すること。ただし、該当する事項がない場合にはこの限りではない。
- イ子供の手が届くところに置かない旨(この場合において、特別注意事項として表示する場合には、表示を省略することができる(塩素系の製品に限る。)。)。
- ロ用途以外に使用しない旨。
- ハ万一飲み込んだり又は目に入ったりした場合には、応急処置を行い、医師に相談する旨。
- ニ使用のときにはゴム製等の手袋又は柄付きたわしを使用する旨。
- (八)表示には、表示した者の氏名又は名称及び住所又は電話番号を付記すること。
- (九)表示は、最小販売単位ごとに、その容器又は包装等消費者の見やすい箇所に本体から容易に離れない方法でわかりやすく記載してすること。
- (十)別記一「塩素ガス発生試験(酸性タイプ)」で規定する試験又はこれと同等以上の精度を有する試験で測定した結果、一・〇ppm以上塩素ガスを発生するものについては、次に掲げる特別注意事項を表示すること。
- イ「まぜるな 危険」
- ロ「酸性タイプ」
- ハ塩素系の製品と一緒に使う(まぜる)と有害な塩素ガスが出て危険である旨
- (十一)特別注意事項の表示は、容器(箱に入っているものについては箱及び容器。以下同じ。)ごとに、商品名の記載のある面と同一の面の目立つ箇所に次により記載してすることとし、イ、ロ及びハの表示はそれぞれ隣接した位置に行うこと。
- イ「まぜるな 危険」の表示に際しては、枠を設け白地に「まぜるな 危険」と表示すること。「まぜるな」の文字は黄色に黒の縁どりをし、二八ポイント以上(製品の排除体積(キャップを含む。以下同じ。)が二百十ミリリットル以下のものにあっては二六・二五ポイント以上)の大きさで表示することとし、「危険」の文字は赤色で、四二ポイント以上(製品の排除体積が二百十ミリリットル以下のものにあっては二六・二五ポイント以上)の大きさで表示すること。
- ロ「酸性タイプ」の表示に際しては、枠を設け「酸性タイプ」と赤系色で表示することとし、容器、ラベル等の色により「酸性タイプ」の文字が目立たない場合は、ラベル又は枠内の色を変える等特に目立つ方法を用いて表示すること。文字の大きさは、当該製品の「使用上の注意」の表示に用いる文字の大きさより八ポイント以上大きくすること。
- ハ塩素系の製品と一緒に使うと有害な塩素ガスが出て危険である旨の表示に際しては、枠を設け「塩素系」及び「危険」の文字を用いて表示すること。「塩素系」及び「危険」の文字は赤系色で、当該製品の「使用上の注意」の表示に用いる文字の大きさより四ポイント以上大きくすることとし、「塩素系」及び「危険」以外の文字に使用する文字の大きさは、当該製品の「使用上の注意」の表示に用いる文字の大きさより一ポイント以上大きくすること。
- (十二)別記二「塩素ガス発生試験(塩素系)」で規定する試験又はこれと同等以上の精度を有する試験で測定した結果、一・〇ppm以上塩素ガスを発生するものについては、次に掲げる特別注意事項を表示すること。
- イ「まぜるな 危険」
- ロ「塩素系」
- ハ
- (1)酸性タイプの製品と一緒に使う(まぜる)と有害な塩素ガスが出て危険である旨
- (2)目に入った時は、すぐに水で洗う旨
- (3)子供の手に触れないようにする旨
- (4)必ず換気を良くして使用する旨
- (十三)特別注意事項の表示は、容器(箱に入っているものについては箱及び容器。以下同じ。)ごとに、商品名の記載のある面と同一の面の目立つ箇所に次により記載してすることとし、イ、ロ及びハの表示はそれぞれ隣接した位置に行うこと。
- イ「まぜるな 危険」の表示に際しては、枠を設け白地に「まぜるな 危険」と表示すること。「まぜるな」の文字は黄色に黒の縁どりをし、二八ポイント以上(製品の排除体積(キャップを含む。以下同じ。)が二百十ミリリットル以下のものにあっては二六・二五ポイント以上)の大きさで表示することとし、「危険」の文字は赤色で、四二ポイント以上(製品の排除体積が二百十ミリリットル以下のものにあっては二六・二五ポイント以上)の大きさで表示すること。
- ロ「塩素系」の表示に際しては、枠を設け「塩素系」と黄系色で表示することとし、容器、ラベル等の色により「塩素系」の文字が目立たない場合は、ラベル又は枠内の色を変える等特に目立つ方法を用いて表示すること。文字の大きさは、当該製品の「使用上の注意」の表示に用いる文字の大きさより八ポイント以上大きくすること。
- ハ(1)から(4)までの事項の表示に際しては、枠を設け表示すること。この際、(1)については「酸性タイプ」及び「危険」の文字を用いて表示することとし、「酸性タイプ」及び「危険」の文字は赤系色で、当該製品の「使用上の注意」の表示に用いる文字の大きさより四ポイント以上大きくすること。「酸性タイプ」及び「危険」以外の文字に使用する文字の大きさは、当該製品の「使用上の注意」の表示に用いる文字の大きさより一ポイント以上大きくすること。
別記一 塩素ガス発生試験(酸性タイプ)
- (一)装置及び器具
次の図のような合成樹脂容器のふたに検知管及びファンを取り付け、ファンは下向きに送風できるようにする。

-
- (A)合成樹脂容器
プラスチック製ふた付容器(丸形)、呼び容量20リットル(但し容量の許容差はプラス10パーセント、マイナス4パーセントとする。)。使用時にはシール等により密閉性を良くすること。 - (B)塩素ガス検知管
試料採取量100ミリリットル1回において塩素ガス濃度0.5~10ppm程度の範囲を測定できるもの。 - (C)ガス採取器(100ミリリットル)
- (D)槽内撹拌用軸流ファン
羽根(数4~5枚、直径5~7センチメートル、片面面積220~320平方ミリメートル/枚で総面積1100~1300平方ミリメートルとなる角度付きのもの)、回転数50Hzで約2500rpm、60Hzで約3000rpm - (E)10ミリリットルビーカー
- (F)スターラービース(長さ1センチメートル)
- (G)マグネチックスターラー
- (A)合成樹脂容器
- (二)測定方法
- イ合成樹脂容器の底に、ピペットを用いて酸性タイプの製品の原液三ミリリットル(又は三グラム)を入れた十ミリリットルビーカーを置く。
- ロ(三)で定める塩素系基準溶液三ミリリットルをイのビーカー内に加える。
- ハ直ちに容器のふたをして、マグネチックスターラーにて混合し、槽内をファンで撹拌する。
- ニ両液混合から五分間後、ガス採取器を検知管の後に接続して容器内のガスを百ミリリットル一回吸引して測定し、得られた数値から、次式により塩素ガス濃度を算出する。
塩素ガス濃度(ppm) = 測定塩素ガス濃度(ppm)÷3 × 合成樹脂容器の容量(リットル)÷20
- ホ室温、液温は二十度プラス・マイナス五度とする。
- (三)基準溶液
- イ規格
塩素系基準溶液については、次亜塩素酸ナトリウム四・八~五・二パーセント及び水酸化ナトリウム〇・九~一・一パーセントの混合溶液とする。 - ロ調製方法
塩素系基準溶液については、工業用次亜塩素酸ナトリウム水溶液(次亜塩素酸ナトリウム約十三パーセント、水酸化ナトリウム約〇・三パーセント)を(三)ハと同様の方法で分析し、次亜塩素酸ナトリウム及び水酸化ナトリウムの正確な濃度を得た上で、イオン交換水と試薬特級(日本工業規格K八五七六)の水酸化ナトリウムを用いて上記塩素系基準溶液の規格に入るように調製する。 - ハ分析方法
本基準溶液は、冷暗所に保存し、三か月以内のものを使用する。使用に際しては、その都度分析を行う。分析方法は以下のとおり。
次亜塩素酸ナトリウムについては、基準溶液を一・〇グラムないし一・五グラム精秤し、イオン交換水を五十ミリリットルとヨウ化カリウム二グラム及び酢酸十ミリリットルを加え、遊離したヨウ素を〇・一モル毎リットルのチオ硫酸ナトリウム溶液を用いて酸化還元滴定を行い、〇・一モル毎リットルのチオ硫酸ナトリウム溶液の所要量に対応する次亜塩素酸ナトリウムを求めて含有率を算出する。
水酸化ナトリウムについては、純水五十ミリリットルに基準溶液を五・〇グラム加えた溶液に、水酸化ナトリウムで中和した過酸化水素水を上記基準溶液内に発泡がなくなるまで少量ずつ滴下して次亜塩素酸ナトリウムを分解した後、〇・五モル毎リットルの塩酸を用いて中和滴定を行い、〇・五モル毎リットルの塩酸の所要量に対応する水酸化ナトリウムを求めて含有率を算出する。この場合において、指示薬は、ブロムチモールブルー溶液とする。
- イ規格
- (四)測定は(二)イ~ニを三回行い、平均値を測定値とする。
- (五)本試験は、局部排気設備のある場所で換気に注意して行うこと。
別記二 塩素ガス発生試験(塩素系)
- (一)装置及び器具
別記一 塩素ガス発生試験(酸性タイプ)に同じ。 - (二)測定方法
- イ合成樹脂容器の底に、ピペットを用いて(三)で定める酸性タイプ基準溶液三ミリリットルを入れた十ミリリットルビーカーを置く。
- ロ塩素系基準原液三ミリリットル(又は三グラム)をイのビーカー内に加える。
- ハ直ちに容器のふたをして、マグネチックスターラーにて混合し、槽内をファンで撹拌する。
- ニ両液混合から五分間後、ガス採取器を検知管の後に接続して容器内のガスを百ミリリットル一回吸引して測定し、得られた数値から、次式により塩素ガス濃度を算出する。
塩素ガス濃度(ppm) = 測定塩素ガス濃度(ppm)÷3 × 合成樹脂容器の容量(リットル)÷20
- ホ室温、液温は二十度プラス・マイナス五度とする。
- (三)基準溶液
- イ規格
酸性タイプの基準溶液については、塩酸九・三~九・七パーセントとする。 - ロ調製方法
酸性タイプ基準溶液については、試薬特級(日本工業規格K八一八〇)の塩酸をイオン交換水を用いて上記酸性タイプ基準溶液に入るように調製する。 - ハ分析方法
本基準溶液は、冷暗所に保存し、三か月以内のものを使用する。使用に際しては、その都度分析を行う。分析方法については、純水五十ミリリットルに試料五・〇グラムを加えた溶液を用いて中和滴定を行い、使用された〇・五モル毎リットルの水酸化ナトリウム溶液の所要量に対応する塩酸を求めて含有率を算出する。この場合において、指示薬は、ブロムチモールブルー溶液とする。
- イ規格
- (四)測定は(二)イ~ニを三回行い、平均値を測定値とする。
- (五)本試験は、局部排気設備のある場所で換気に注意して行うこと。
- 五住宅用又は家具用のワックス
- (一)品名の表示に際しては、その用途を適切に表現した用語に「ワックス」の用語を付して表示すること。
- (二)成分の表示に際しては、その含有量が一パーセント以上の主要成分(水を含む。)について、その成分の名称を例示のように一般的な名称を示す用語を用いて表示すること。
- イろう
- ロ油脂
- ハ有機溶剤
- ニ合成樹脂
- ホシリコーン
- ヘ水
- (三)種類の表示に際しては、その種類を示す用語を用いて適正に表示することとし、その種類が次の表の上欄に掲げる種類に応ずるものであるときは、それぞれ同表の下欄に掲げる種類を示す用語を用いて表示すること。この場合において、合成樹脂を主成分としたものについては、種類を示す用語の次に括弧書きで「樹脂系」の用語を用いて表示すること。
種類 種類を示す用語 ろう、油脂、合成樹脂などと有機溶剤を水に乳化したもの 乳化性 ろう、油脂、合成樹脂などを水に溶解、乳化又は可溶化したもの 水性 ろう、油脂、合成樹脂などを成分とするもので前二項に掲げるもの以外のもの 油性 - (四)用途の表示に際しては、その用途を適切に表現した用語を用いて表示すること。
- (五)正味量の表示に際しては、グラム単位若しくはキログラム単位又はミリリットル単位若しくはリットル単位によるものとする。この場合における許容範囲はマイナス三パーセントとすること。
- (六)使用量の目安に際しては、使用の適量について具体的にわかりやすく表示すること。
- (七)使用上の注意の表示に際しては、危険、事故の応急処置、室内環境面の配慮などの必要事項を製品の品質に応じて適切に表示すること。
- (八)表示には、表示した者の氏名又は名称及び住所又は電話番号を付記すること。
- (九)表示は、最小販売単位ごとに、その容器又は包装等消費者の見やすい箇所に本体から容易に離れない方法でわかりやすく記載してすること。
- 六ウレタンフォームマットレス及びスプリングマットレス
ウレタンフォームマットレス
- (一)材料の表示に際しては、クッション材の種類名を「ウレタンフォーム」の用語を用いて表示すること。
- (二)構造の表示に際しては、クッション材の構造を示す用語を用いて適正に表示することとし、その構造が次の表の上欄に掲げる構造の種類に応ずるものであるときは、それぞれ同表の下欄に掲げる構造の種類を示す用語を用いて表示すること。
構造の種類 構造の種類を示す用語 一枚もので、いずれかの表面が波形のもの 一枚もの 波形 一枚もので、表面が波形でないもの 一枚もの 平形 表面が波形でないものを積層したもの 平形 いずれかの表面が波形のものと表面が波形でないものとを積層したもの 波形 不定形のものを使用したもの 不定形 - (三)寸法の表示に際しては、クッション材の厚さ、幅及び長さをミリメートル単位で順次列記することとし、この場合における表示値の誤差の許容範囲は、日本工業規格K六四〇一( 耐荷重用軟質ポリウレタンフォーム)の五・三「寸法の許容差」の表四「フォームの長さ及び幅の許容差」及び表五「厚さの許容差」によること。なお、表面が平形以外のクッション材の厚さにおける表示値の誤差の許容範囲は、同規格の表五に示す数値の二倍とすること。また、折りたたむために分割されているクッション材の長さについては、各クッション材の長さの和を表示することとし、この場合における表示値の誤差の許容範囲は、各クッション材の許容範囲の和とすること。
- (四)硬さの表示に際しては、日本工業規格K六四〇〇-二(軟質発泡材料-物理特性-第二部:硬さ及び圧縮応力-ひずみ特性の求め方)の六・ 七「D法(二十五%定圧縮して二十秒後の力を求める方法)」に規定する硬さ試験の測定方法により得た数値をニュートン(重量キログラム)単位で表示することとし、その数値の大きさに応じ次の表の上欄に掲げる区分に従い同表の下欄に掲げる用語を括弧書きで付記するものとする。この場合における許容範囲は、その硬さを示す数値に二百ニュートン(二十重量キログラム)を加えたもののプラス・マイナス十パーセントとすること。
区分 用語 百ニュートン(十重量キログラム)以上 かため 六十ニュートン(六重量キログラム)以上百ニュートン(十重量キログラム)未満 ふつう 六十ニュートン(六重量キログラム)未満 やわらかめ - (五)復元率の表示に際しては、日本工業規格K六四〇〇-四(軟質発泡材料-物理特性の求め方-第四部:圧縮残留ひずみ及び繰返し圧縮残留ひずみ) の 六・二・四に規定する測定方法により得た数値を百から差し引いた残りの数値以下の数値(百分率)を表示すること。
- (六)外装生地の組成の表示に際しては、その品質を適正に表示するような方法を用いることとし、特に、外装生地が繊維製品の場合にあっては、繊維製品品質表示規程(平成九年通商産業省告示第五百五十八号)の内容に準じて繊維の名称を示す用語にその繊維の混用率を示す数値を併記して表示する等の方法を用いること。
- (七)使用上の注意の表示に際しては、次に掲げる事項を表示すること。
火又は温度の高いものに近づけない旨。 - (八)表示には、表示した者の氏名又は名称及び住所又は電話番号を付記すること。
- (九)表示は、ウレタンフォームマットレスごとに、消費者の見やすい箇所にわかりやすく記載してすること。ただし、使用上の注意表示については、記載した布を縫い付け若しくは貼り付け等本体から容易に離れない方法で行うこと。
スプリングマットレス
- (一)構造の表示に際しては、その構造を示す用語を用いて適正に表示することとし、その構造が次の表の上欄に掲げる構造の種類に応ずるものであるときは、それぞれ同表の下欄に掲げる構造の種類を示す用語を用いて表示すること。
構造の種類 構造の種類を示す用語 構造が一体で折りたたみのできないもの 一体式 ファスナー又は布地等で連結されており、折りたたみできるもの 連結式 - (二)寸法の表示に際しては、日本工業規格S一一〇二(住宅用普通ベッド)の六・二「寸法の測定」に規定する測定方法により測定したマットレスの厚さ、幅及び長さをミリメートル単位で順次列記すること。この場合において、表示値の誤差の許容範囲は、日本工業規格S一一〇二(住宅用普通ベッド)の 六・一「製作許容差」の表三によること。なお、連結式においては、個々のマットレスを測定し、和をもって表示することとする。
- (三)コイルスプリングの形状の表示に際しては、そのコイルスプリングの形状の名称を示す用語を用いて適正に表示することとし、当該表示の次にそのコイルスプリングの線径を小数点以下第二位までミリメートル単位で付記すること。
- (四)コイルスプリングの数の表示に際しては、当該スプリングマットレスに使用されているコイルスプリングの数を表示すること。
- (五)コイルスプリングの材料の種類の表示に際しては、日本工業規格G三五〇六(硬鋼線材)の四「化学成分」の表一に示す種類記号及び日本工業規格G三五二一(硬鋼線)の二「種類」中に示す用語を用いて当該材料の種類を適正に表示すること。ただし、硬鋼線材の種類記号を表示する場合において、炭素含有率が二つの種類記号に該当する場合には、その数値の低いほうの種類記号によるものとする。また、硬鋼線の種類を表示する場合において、引張り強さが二つの種類に該当する場合には、その数値の低い方の種類によるものとする。
- (六)詰物(詰物をくるむために用いる薄い布等を除く。以下同じ。)の材料の表示に際しては、表生地に近い詰物から詰め合わされている順序に従って詰物の材料の名称を適正に表示することとし、その材料が、次の表の上欄に掲げる詰物の材料の種類を示す用語に応ずるものであるときは、それぞれ同表の下欄に掲げる詰物の材料の種類を示す用語を用いて表示すること。
詰物の材料の種類 詰物の材料の種類を示す用語 軟質ポリウレタンフォーム ウレタンフォーム やし繊維を主体とする詰物 パームパッド フェルト 「フェルト」の文字にそのフェルトの主な材質の名称を示す用語を括弧書きで付記したもの - (七)外装生地の組成の表示に際しては、その品質を適正に表示するような方法を用いることとし、特に外装生地が繊維製品の場合にあっては、繊維製品品質表示規程(平成九年通商産業省告示第五百五十八号)の内容に準じて繊維の名称を示す用語にその繊維の混用率を示す数値を併記して表示する等の方法を用いること。
- (八)使用上の注意の表示に際しては、次に掲げる事項を表示すること。
- イ湿気を避け、風通しをよくする旨。
- ロ無理に折り曲げない旨。
- ハスプリングマットレスの上で飛んだり跳ねたりしない旨。
- (九)表示には、表示した者の氏名又は名称及び住所又は電話番号を付記すること。
- (十)表示は、スプリングマットレスごとに、消費者の見やすい箇所にわかりやすく記載してすること。ただし、使用上の注意表示については、記載した布を縫い付け若しくは貼り付け等本体から容易に離れない方法で行うこと。
- 七靴
- (一)甲皮として使用する材料の表示に際しては、「合成皮革」と表示すること。
- 備考:甲皮として、特殊不織布(ランダム三次元立体構造を有する繊維層を主とした基材にポリウレタン又はそれに類する可撓性を有する高分子物質を含浸させたもの)を用いているものについては、「合成皮革」の用語に代えて「人工皮革」の用語を用いることができる。
- (二)底材として使用する材料の表示に際しては、次の表の上欄に掲げる材料の種類に応じそれぞれ同表の下欄に掲げる材料の種類を示す用語を用いて表示すること。
材料の種類 材料の種類を示す用語 ゴム ゴム底 合成樹脂又は合成樹脂とゴムとの混合物 合成底 - (三)底の耐油性の表示に際しては、日本工業規格K六二五八(加硫ゴム及び熱可塑性ゴム-耐液性の求め方)の五に規定する方法によって、試験用油のうち「No3油」を用い、試験温度四十度プラス・マイナス一度において二二時間プラス・マイナス〇・二五時間浸せき試験を行なったときの体積変化率が三五パーセント以下であって、かつ、甲皮と底材との接着部の接着力が接着面に対し九十度方向へのはくり強度で一センチメートル当たり二キログラム以上の場合は、底材として使用する材料の種類を示す用語の次に括弧書きで「耐油性」の用語を用いて表示すること。
- (四)取扱い上の注意の表示に際しては、次に掲げる事項を表示すること。ただし、ニについては、「耐油性」の表示のある場合は、この限りでない。
- イ甲皮の汚れを取るためには、水で濡らした布を用い、靴クリーム等の保革油を用いる必要がない旨。
- ロ火のそばに置くと、軟化又は変形することがある旨。
- ハ乾燥するときは、陰干しにする旨。
- ニ油をひいてある場所での使用はなるべく避ける旨。
- (五)表示には、表示した者の氏名又は名称及び住所又は電話番号を付記すること。
- (六)表示は、靴ごとに、消費者の見やすい箇所にわかりやすく記載してすること。ただし、取扱い上の注意表示については、下げ札の取り付け又はラベルの貼り付け等本体から容易に離れない方法で行うこと。
- (一)甲皮として使用する材料の表示に際しては、「合成皮革」と表示すること。
- 八革又は合成皮革を製品の全部又は一部に使用して製造した手袋
- (一)材料(革又は合成皮革を製品の全部又は一部に使用して製造した手袋(以下「手袋」という。)のうち裏地がついているものにあっては、裏地に使用したものを除く。以下同じ。)の種類の表示に際しては、次の表の上欄に掲げる材料の種類に応じそれぞれ同表の下欄に掲げる材料の種類を示す用語を用いて表示すること。この場合において、二種類以上の材料を使用した手袋については、その使用した部分ごとにその部分を示す名称を付して、使用した材料の種類を表示すること。また、製品の一部として繊維を使用したものについては、繊維製品品質表示規程(平成九年通商産業省告示第五百五十八号)の内容に準じてその繊維の組成を表示すること。
材料の種類 材料の種類を示す用語 革 牛の革 牛革 馬の革 馬革 豚の革 豚革 ペッカリーの革 ペッカリー革 羊の革 羊革 やぎの革 やぎ革 鹿の革 鹿革 犬の革 犬革 前各項に掲げる以外の革 材料の種類の通称を示す用語 合成皮革
基材に特殊不織布以外のものを用いたもの 合成皮革 基材に特殊不織布を用いたもの 人工皮革 - 備考:「特殊不織布」とは、ランダム三次元立体構造を有する繊維層を主とした基材にポリウレタン又はそれに類する可撓性を有する高分子物質を含浸させたものをいう。
- (二)寸法の表示に際しては、日本工業規格S四〇五一の2・1「手囲い」で規定される長さをセンチメートル単位の整数により表示すること。
- (三)使用上の注意の表示に際しては、次に掲げる事項を表示すること(特に、材料の種類として合成皮革を使用するものにあっては、使用樹脂の種類及び加工方法に応じた取扱い方法を具体的に表示すること。)。
- イ色落ち、硬化又は劣化に関する注意事項。
- ロ保存、手入れ方法に関する注意事項。
- ハアイロン掛けに関する注意事項。
- (四)表示には、表示した者の氏名又は名称及び住所又は電話番号を付記すること。ただし、革製の手袋(表面の面積のうち革の割合が百パーセントを占める縫製品に限る。)については、表示した者の氏名又は名称及び住所又は電話番号に代えて、経済産業大臣の定めるところによりその承認を受けた番号を付記することができる。
- (五)表示は、革又は合成皮革を製品の全部又は一部に使用して製造した手袋ごとに、消費者の見やすい箇所にわかりやすく記載してすること。ただし、使用上の注意表示については、ラベルの縫い付け等本体から容易に離れない方法で行うこと。
- (一)材料(革又は合成皮革を製品の全部又は一部に使用して製造した手袋(以下「手袋」という。)のうち裏地がついているものにあっては、裏地に使用したものを除く。以下同じ。)の種類の表示に際しては、次の表の上欄に掲げる材料の種類に応じそれぞれ同表の下欄に掲げる材料の種類を示す用語を用いて表示すること。この場合において、二種類以上の材料を使用した手袋については、その使用した部分ごとにその部分を示す名称を付して、使用した材料の種類を表示すること。また、製品の一部として繊維を使用したものについては、繊維製品品質表示規程(平成九年通商産業省告示第五百五十八号)の内容に準じてその繊維の組成を表示すること。
- 九机及びテーブル
- (一)外形寸法の表示に際しては、机又はテーブルの本体を収容することができる最小の直方体(取っ手その他の付属品を除く。)を想定し、その幅、奥行き及び高さをミリメートル単位で順次列記すること。この場合において、表示値の誤差の許容範囲は、プラス・マイナス十ミリメートルとすること。なお、甲板の幅、奥行き又は高さが調節できるものについては、その最大及び最小の値をミリメートル単位で外形寸法を示す数値の次に括弧書きで付記すること。
- (二)甲板の表面材の表示に際しては、机又はテーブルの甲板の表面に使用した材料の名称を示す用語を用いて適正に表示することとし、その使用材料の次の表の上欄に掲げる材料の種類に属するものであるときはそれぞれ同表の下欄に掲げる材料の種類を示す用語を用いて表示すること。この場合において、合成樹脂を使用したものにあっては、合成樹脂加工品品質表示規程(平成九年通商産業省告示第六百七十一号)第二条第一号の規定に準じて表示すること。
材料の種類 材料の種類を示す用語 天然木(天然木の板をモザイク状に組み合わせて貼り付けて作った板を含む。以下この号において同じ。) 天然木 天然木化粧合板 天然木化粧合板 天然木化粧繊維板 天然木化粧繊維板 プリント紙化粧合板 プリント紙化粧合板 プリント紙化粧繊維板 プリント紙化粧繊維板 合成樹脂化粧繊維板 「合成樹脂化粧繊維板」の用語にその合成樹脂の種類を示す用語を括弧書きで付記したもの 合成樹脂化粧パーティクルボード 「合成樹脂化粧パーティクルボード」の用語にその合成樹脂の種類を示す用語を括弧書きで付記したもの 合成樹脂化粧合板 「合成樹脂化粧合板」の用語にその合成樹脂の種類を示す用語を括弧書きで付記したもの 天然石 「天然石」の用語にその天然石の種類を示す用語を括弧書きで付記したもの ガラス ガラス 合成皮革 合成皮革 合成樹脂を主体とするシート 合成樹脂シート - 備考:甲板の表面材として、特殊不織布(ランダム三次元立体構造を有する繊維層を主とした基材にポリウレタン又はそれに類する可撓性を有する高分子物質を含浸させたもの)を用いているものについては、「合成皮革」の用語に代えて「人工皮革」の用語を用いることができる。
- (三)表面加工の表示に際しては、机又はテーブルに施した表面加工の種類を示す用語を用いて適正に表示することとし、その表面加工が次の表の上欄に掲げる表面加工の種類に属するものであるときはそれぞれ同表の下欄に掲げる表面加工の種類を示す用語を用いて表示すること。この場合において、二種類以上の表面加工を施している場合には、それぞれの加工部分をわかりやすく示し、当該加工部分ごとに表面加工の種類を示す用語を用いて表示すること。
表面加工の種類 表面加工の種類を示す用語 ポリエステル塗料を塗装したもの ポリエステル塗装 ウレタン樹脂塗料を塗装したもの ウレタン樹脂塗装 アミノアルキド樹脂塗料を塗装したもの アミノアルキド樹脂塗装 ニトロセルロースラッカーを塗装したもの ラッカー塗装 カシューかく油、漆オール等を樹脂化した油性塗料を塗装したもの 油性合成漆塗装 漆を塗装したもの 漆塗装 油性塗装を含浸させて仕上げたもの オイル仕上げ めっき加工を施したもの 「めっき」の文字にそのめっき金属の種類を示す用語を括弧書きで付記したもの しゅう酸、硫酸等による陽極酸化皮膜をアルミニウムの表面層に施したもの アルマイト - (四)取扱い上の注意の表示に際しては、次に掲げる事項を表示すること。
- イ直射日光又は熱を避ける旨。
- ロ加熱したなべ、湯沸かし等を直接置かない旨。
- (五)表示には、表示した者の氏名又は名称及び住所又は電話番号を付記すること。
- (六)表示は、机又はテーブルごとに、消費者の見やすい箇所にわかりやすく記載してすること。ただし、取扱い上の注意については、ラベル若しくは合成樹脂板の貼り付け又は下げ札等本体から容易に離れない方法で行うこと。
- 十いす、腰掛け及び座いす
- (一)寸法の表示に際しては、外形寸法及び座面の高さ(いす又は腰掛けの場合に限る。)を表示することとし、外形寸法についてはいす、腰掛け又は座いすを収容することができる最小の直方体を想定し、その幅、奥行き及び高さをミリメートル単位で順次列記し、座面の高さについては座面中央(座位基準点)の水平の高さをミリメートル単位で表示すること。この場合において、表示値の誤差の許容範囲は、プラス・マイナス十ミリメートルとすること。なお、背もたれ部の床面に対する角度が調節できるもの、座面の高さが調節できるもの又は足を置く台が引き出せるものについては、その寸法の最大及び最小の値をミリメートル単位で寸法を示す数値の次に括弧書きで付記すること。
- (二)構造部材の表示に際しては、同一の材料を使用している主要な部分ごとに当該使用材料の名称を示す用語を用いて適正に表示すること。この場合において、その使用材料が次の表の上欄に掲げる材料の種類に属するものであるときは、それぞれ同表の下欄に掲げる材料の種類を示す用語を用いて表示し、その材料が合成樹脂であるときは、合成樹脂加工品品質表示規程(平成九年通商産業省告示第六百七十一号)第二条第一号の規定に準じて表示すること。
構造部材の種類 構造部材の種類を示す用語 天然木 天然木 天然木の板を繊維方向をそろえて重ね、接着して作った板 積層材 普通合板 合板 硬質繊維板、半硬質繊維板又は軟質繊維板 繊維板 パーティクルボード パーティクルボード 竹 竹 とう とう 鋼、ステンレス鋼、鋳鉄、アルミニウム又はアルミニウム合金 「金属」の用語にその金属の名称を示す用語を括弧書きで付記したもの 天然石 「天然石」の用語にその天然石の名称を示す用語を括弧書きで付記したもの 人造石 人造石 陶磁器 陶磁器 - (三)表面加工の表示に際しては、いす、腰掛け又は座いすに施した表面加工の種類を示す用語を用いて適正に表示することとし、その表面加工が次の表の上欄に掲げる表面加工の種類に属するものであるときは、それぞれ同表の下欄に掲げる表面加工の種類を示す用語を用いて表示すること。この場合において、二種類以上の表面加工を施している場合には、それぞれの加工部分ごとにその加工部分をわかりやすく示し、当該加工部分ごとに表面加工の種類を示す用語を用いて表示すること。
表面加工の種類 表面加工の種類を示す用語 ウレタン樹脂塗料を塗装したもの ウレタン樹脂塗装 アミノアルキド樹脂塗料を塗装したもの アミノアルキド樹脂塗装 ニトロセルロースラッカーを塗装したもの ラッカー塗装 カシューかく油、漆オール等を樹脂化した油性塗料を塗装したもの 油性合成漆塗装 漆を塗装したもの 漆塗装 油性塗料を含浸させて仕上げたもの オイル仕上げ めっき加工を施したもの 「めっき」の用語にそのめっき金属の種類を示す用語を括弧書きで付記したもの しゅう酸、硫酸等による陽極酸化皮膜をアルミニウムの表面層に施したもの アルマイト - (四)張り材の表示に際しては、いす、腰掛け又は座いすの表面に使用した材料の名称を示す用語を用いて適正に表示すること。この場合において、その材料が次の表の上欄に掲げる張り材の種類に属するものであるときは、それぞれ同表の下欄に掲げる張り材の種類を示す用語を用いて表示し、その材料が繊維製品(ロープを除く。)であるときは、繊維製品品質表示規程(平成九年通商産業省告示第五百五十八号)の規程に準じて表示すること。
張り材の種類 張り材の種類を示す用語 皮革 「皮革」の用語にその皮革の名称を示す用語を括弧書きで付記したもの 合成皮革 合成皮革 布に短繊維を植え付けたもの 植毛シート ロープ 「ロープ」の用語にその素材の名称を示す用語を括弧書きで付記したもの - 備考:張り材として、特殊不織布(ランダム三次元立体構造を有する繊維層を主とした基材にポリウレタン又はそれに類する可撓性を有する高分子物質を含浸させたもの)を用いているものについては、「合成皮革」の用語に代えて「人工皮革」の用語を用いることができる。
- (五)クッション材の表示に際しては、同一のクッション材を使用している主要な部分ごとに当該使用クッション材の名称を示す用語を用いて適正に表示すること。この場合において、そのクッション材が次の表の上欄に掲げる材料の種類に属するものであるときは、それぞれ同表の下欄に掲げる材料の種類を示す用語を用いて表示すること。
クッション材の種類 クッション材の種類を示す用語 スポンジゴム スポンジゴム ウレタンフォーム ウレタンフォーム 鋼製ばね 鋼製ばね - (六)取扱い上の注意の表示に際しては、次に掲げる事項を製品の形状又は品質に応じて適切に表示すること。
- イ直射日光又は熱を避ける旨。
- ロ乳幼児の転落の防止に関する注意事項(乳幼児が使用するものに限る。)。
- (七)表示には、表示した者の氏名又は名称及び住所又は電話番号を付記すること。
- (八)表示は、いす、腰掛け又は座いすごとに、消費者の見やすい箇所にわかりやすく記載してすること。ただし、取扱い上の注意表示については、ラベル若しくは合成樹脂板の貼り付け又は下げ札等本体から容易に離れない方法で行うこと。
- 十一たんす
- (一)寸法の表示に際しては、外形寸法及び引出しの奥行き寸法を表示することとし、外形寸法についてはたんすの幅(とびらを九十度開いたときに幅の増加するものにあっては、とびらを閉じたとき及びとびらを九十度開いたときにおける幅)、奥行き及び高さをミリメートル単位で順次列記し、引出しの奥行き寸法については引出しのうち容積の最も大きいものについてその奥行きの内のり寸法をミリメートル単位で表示すること。この場合において、表示値の誤差の許容範囲は、外形寸法についてはプラス五ミリメートル、マイナス十ミリメートルとし、引出しの奥行き寸法についてはマイナス十ミリメートルとすること。
- (二)表面材の表示に際しては、たんすの正面の表面に使用した材料(側面の表面に使用した材料が正面の表面に使用した材料と異なるときは、正面の表面及び側面の表面に使用した材料)の名称を示す用語を用いて適正に表示することとし、その材料が次の表の上欄に掲げる材料の種類に属するものであるときは、それぞれ同表の下欄に掲げる材料の種類を示す用語を用いて表示し、その材料が合成樹脂であるときは合成樹脂加工品品質表示規程(平成九年通商産業省告示第六百七十一号)第二条第一号の規定に準じて表示すること。この場合において、二種類以上の表面材を使用している場合には、それぞれの使用部分ごとにその使用部分をわかりやすく示し、当該使用部分ごとに表面材の種類を示す用語を用いて表示すること。
材料の種類 材料の種類を示す用語 天然木(天然木の板をモザイク状に組み合わせて貼り付けて作った板を含む。以下この号において同じ。) 天然木 天然木を薄くそいで作った板 天然木単板 天然木化粧合板 天然木化粧合板 天然木化粧繊維板 天然木化粧繊維板 プリント紙化粧合板 プリント紙化粧合板 プリント紙化粧繊維板 プリント紙化粧繊維板 合成樹脂化粧繊維板 「合成樹脂化粧繊維板」の用語にその合成樹脂の種類を示す用語を括弧書きで付記したもの 合成樹脂化粧パーティクルボード 「合成樹脂化粧パーティクルボード」の用語にその合成樹脂の種類を示す用語を括弧書きで付記したもの 合成樹脂化粧合板 「合成樹脂化粧合板」の用語にその合成樹脂の種類を示す用語を括弧書きで付記したもの - (三)表面加工の表示に際しては、たんすに施した表面加工の種類を示す用語を用いて適正に表示すること。この場合において、その表面加工が次の表の上欄に掲げる表面加工の種類に属するものであるときは、それぞれ同表の下欄に掲げる表面加工の種類を示す用語を用いて表示し、二種類以上の表面加工を施しているときは、それぞれの加工部分ごとにその加工部分をわかりやすく示して、当該加工部分ごとに表面加工の種類を示す用語を用いて表示すること。
表面加工の種類 表面加工の種類を示す用語 ポリエステル塗料を塗装したもの ポリエステル塗装 ウレタン樹脂塗料を塗装したもの ウレタン樹脂塗 アミノアルキド樹脂塗料を塗装したもの アミノアルキド樹脂塗装 ニトロセルロースラッカーを塗装したもの ラッカー塗装 カシューかく油、漆オール等を樹脂化した油性塗料を塗装したもの 油性合成漆塗装 漆を塗装したもの 漆塗装 油性塗装を含浸させて仕上げたもの オイル仕上げ ワックスを塗って仕上げたもの ワックス仕上げ - (四)取扱い上の注意の表示に際しては、次に掲げる事項を表示すること。この場合において、該当しないことが明らかなときは、表示を省略することができる。
- イすえ付けに際しては、湿気の多いところを避け、たんすを水平に保つために必要な措置を講ずる旨。
- ロ直射日光又は熱を避ける旨。
- (五)表示には、表示した者の氏名又は名称及び住所又は電話番号を付記すること。
- (六)表示は、たんすごとに、消費者の見やすい箇所にわかりやすく記載してすること。ただし、取扱い上の注意表示については、ラベル若しくは合成樹脂板の貼り付け又は下げ札等本体から容易に離れない方法で行うこと。
- 十二合成ゴム製のまな板
- (一)使用材料の表示に際しては、「合成ゴム」の用語を用いて表示すること。
- (二)耐熱温度の表示に際しては、まな板について、その温度の状態において通常の取扱い時におけると同程度の荷重を加えた場合に、原形に著しい異常を生じない最高の温度を表示すること。
- (三)耐冷温度の表示に際しては、まな板について、その温度の状態において通常の取扱い時におけると同程度の荷重を加えた場合に、原形に著しい異常を生じない最低の温度を表示すること。
- (四)取扱い上の注意の表示に際しては、次に掲げる事項を表示すること。
- イ火のそばに置き又は加熱したフライパン等をのせると軟化又は変化することがある旨。
- ロ洗い方に関する注意事項。
- (五)表示には、表示した者の氏名又は名称及び住所又は電話番号を付記すること。
- (六)表示は、まな板ごとに、消費者の見やすい箇所にわかりやすく記載してすること。ただし、取扱い上の注意表示については、刻印又はラベルの貼り付け等本体から容易に離れない方法で行うこと。
- 十三革又は合成皮革を製品の全部又は一部に使用して製造した上衣、ズボン、スカート、ドレス、コート及びプルオーバー、カーディガンその他のセーター
- (一)材料(裏地がついている革又は合成皮革を製品の全部又は一部に使用して製造した衣料にあっては、裏地に使用したものを除く。以下同じ。)の種類の表示に際しては、次の表の上欄に掲げる材料の種類に応じそれぞれ同表の下欄に掲げる材料の種類を示す用語を用いて表示すること。この場合において二種類以上の材料を使用した革又は合成皮革を製品の全部又は一部に使用して製造し、又は加工した衣料にあっては、その使用した部分ごとにその部分を示す名称を付して、使用した材料の種類を表示すること。また、製品の一部として繊維を使用した場合におけるその繊維については、繊維製品品質表示規程(平成九年通商産業省告示第五百五十八号)の内容に準じて繊維の名称を示す用語にその繊維の混用率を示す数値を併記して表示すること。
材料の種類 材料の種類を示す用語 革 牛の革 牛革 羊の革 羊革 やぎの革 やぎ革 鹿の革 鹿革 豚の革 豚革 馬の革 馬革 前各項に掲げる以外の革 材料の種類の通称を示す用語 合成皮革 基材に特殊不織布以外のものを用いたもの 合成皮革 基材に特殊不織布を用いたもの 人工皮革 - 備考:「特殊不織布」とは、ランダム三次元立体構造を有する繊維層を主とした基材にポリウレタン又はそれに類する可撓性を有する高分子物質を含浸させたものをいう。
- (二)取扱い上の注意の表示に際しては、次に掲げる事項を表示すること。(特に、材料の種類として合成皮革を使用するものにあっては、使用樹脂の種類及び加工方法に応じた取扱い方法を具体的に表示すること。)
- イ色落ち、硬化又は劣化に関する注意事項。
- ロ保存、手入れ方法に関する注意事項。
- ハアイロン掛けに関する注意事項。
- (三)表示には、表示した者の氏名又は名称及び住所又は電話番号を表示すること。ただし、革製の衣料(表面の面積のうち革の割合が百パーセントを占める縫製品に限る。)については、表示した者の氏名又は名称及び住所又は電話番号に代えて、経済産業大臣の定めるところによりその承認を受けた番号を付記することができる。
- (四)表示は、革又は合成皮革を製品の全部又は一部に使用して製造した衣料ごとに、消費者の見やすい箇所にわかりやすく記載してすること。ただし、取扱い上の注意表示については、下げ札又はラベルの縫い付け等本体から容易に離れない方法で行うこと。
- (一)材料(裏地がついている革又は合成皮革を製品の全部又は一部に使用して製造した衣料にあっては、裏地に使用したものを除く。以下同じ。)の種類の表示に際しては、次の表の上欄に掲げる材料の種類に応じそれぞれ同表の下欄に掲げる材料の種類を示す用語を用いて表示すること。この場合において二種類以上の材料を使用した革又は合成皮革を製品の全部又は一部に使用して製造し、又は加工した衣料にあっては、その使用した部分ごとにその部分を示す名称を付して、使用した材料の種類を表示すること。また、製品の一部として繊維を使用した場合におけるその繊維については、繊維製品品質表示規程(平成九年通商産業省告示第五百五十八号)の内容に準じて繊維の名称を示す用語にその繊維の混用率を示す数値を併記して表示すること。
- 十四塗料
- (一)品名の表示に際しては、塗膜を形成するための主成分の種類に応じ適切に表示すること。特にその種類が次の表の上欄に掲げるものであるときは、それぞれ同表の下欄に掲げる品名を示す用語を用いて表示すること。
塗膜を形成するための主成分の種類 品名を示す用語 乾性油 油性塗料 ニトロセルロース ラッカー 合成樹脂 合成樹脂塗料 セラック 酒精塗料 - (二)色名の表示に際しては、表示すべき色名の色を容器の見やすい箇所に付着させ、その付着させた箇所にその付着させた色の色名を示す用語を用いて表示すること。
- (三)成分の表示に際しては、その成分の種類の名称を示す用語を用いて適正に表示すること。特にその成分が次の表の上欄に掲げるものであるときは、それぞれ同表の下欄に掲げる成分の種類の名称を示す用語を用いて表示すること。この場合において、その成分の名称又は合成樹脂の種類を示す用語ごとに、その用語の次に括弧書きでその含有率を示す数値を百分率で付記することができる。
成分 成分の種類の名称を示す用語 油脂 油脂 セラック セラック 合成樹脂 「合成樹脂」の用語にその合成樹脂の種類を示す用語を括弧書きで付記したもの ニトロセルロース ニトロセルロース 顔料 顔料 染料 染料 有機溶剤 有機溶剤 防カビ剤 防カビ剤 水 水 - (四)用途の表示に際しては、塗料による塗装に適するものの名称を示した用途を適切に表示すること。
- (五)正味量の表示に際しては、計量法(平成四年法律第五十一号)第十二条(特定商品の計量)及び第十三条(密封をした特定商品に係る特定物象量の表記)に規定する特定物象量の表記に準ずるものとする。この場合の単位は、計量法に基づく法定計量単位のうちのキログラム単位、グラム単位、リットル単位又はミリリットル単位によるものとする。
- (六)塗り面積の表示に際しては、当該塗料の容量で標準的な塗装をする場合における塗装が可能なおおよその面積を平方メートル単位又は平方センチメートル単位で表示することとし、その場合における塗り回数を括弧書きで付記すること。
- (七)使用方法の表示に際しては、次に掲げる事項を製品の品質に応じて適切に表示すること。ただし、該当する事項がない場合にはこの限りではない。
- イ塗る面のゴミ、油分、さび、かび、ワックス等をとる旨。
- ロ使用するときは、容器のふたに手を添えて開け、塗料を底から十分にかき混ぜる旨(エアゾール式のものを除く。以下ニまでにおいて同じ。)。
- ハ塗料の粘度が高く塗りにくいときは、塗料用希釈剤(使用すべき塗料用希釈剤の種類の名称を表示すること。)で少し薄める旨。ただし、水性の塗料については水で薄める旨。
- ニ摂氏五度以下のときは、塗らない旨(水性の塗料に限る。)。
- ホ使用するときには、容器を十分に振り、よく混ぜる旨(エアゾール式のものに限る。以下チまでにおいて同じ。)。
- ヘ塗料を吹きつけるとき、塗る面と噴出口との間は、〇~〇センチメートル(適正な数字を表示すること)の間隔をとる旨。
- ト一度に厚塗りをしないで、塗る面と平行に移動しながら、やや薄めにまんべんなく二回から三回くらい塗り重ねる旨。
- チ使用後は、噴出口がつまらないよう、容器を逆さにして二秒程度空吹きし、噴出口をよくふいてからふたをする旨。
- (八)用具の手入れ方法の表示に際しては、当該塗料の洗浄に適する手入れ方法を適正に表示することとし、その手入れ方法において使用すべき塗料用希釈剤の種類の名称を表示すること(エアゾール式のものを除く。)。
- (九)取扱い上の注意の表示に際しては、次に掲げる事項を製品の品質に応じて適切に表示すること。ただし、該当する事項がない場合にはこの限りではない。
- イ子供の手が届かないところに保存し、誤飲、誤食をしないよう注意する旨。
- ロ有機溶剤が含まれているので、塗装中、乾燥中ともに換気をよくする旨(有機溶剤を含有するものに限る。)。
- ハ火気のあるところでは塗らない旨。
- ニ残った塗料は、ふたをし、直射日光を避けて保存する旨(有機溶剤を含有するものに限る。)。
- ホ残った塗料は、ふたをし、直射日光や摂氏マイナス五度以下の場所を避けて保存する旨(水性の塗料に限る。)。
- ヘ塗料を吹きつけるときは、人や物にかからないよう注意する旨(エアゾール式のものに限る。)。
- (十)表示には、表示した者の氏名又は名称及び住所又は電話番号を付記すること。
- (十一)表示は、最小販売単位ごとに、その容器又は包装等消費者の見やすい箇所に本体から容易に離れない方法でわかりやすく記載してすること。
- (一)品名の表示に際しては、塗膜を形成するための主成分の種類に応じ適切に表示すること。特にその種類が次の表の上欄に掲げるものであるときは、それぞれ同表の下欄に掲げる品名を示す用語を用いて表示すること。
- 十五ティシュペーパー及びトイレットペーパー
- (一)寸法の表示に際しては、方形のものにあってはその製品の縦及び横の長さをミリメートル単位で表示し、巻取りのものにあってはその製品の幅をミリメートル単位で、長さをメートル単位でそれぞれ表示すること。この場合において巻取りの二枚以上重ねられたものにあっては、重ねられた枚数を枚重ね単位で、二枚以上重ねられたものの状態における長さをメートル単位で表示すること。この場合における許容範囲は、巻取りのものの長さについてはマイナス〇ミリメートル、方形のものの寸法及び巻取りのものの幅についてはプラス・マイナス二ミリメートルとする。
- (二)枚数の表示に際しては、方形の一枚ものにあってはその製品の枚数を、方形の二枚以上重ねられたものにあってはその製品の一枚ごとの合計枚数をそれぞれ表示すること。この場合において、二枚以上重ねられたものにあってはその合計枚数の次に括弧書きで組数を付記すること。許容範囲は、マイナス〇とする。
- (三)表示には、表示した者の氏名又は名称及び住所又は電話番号を付記すること。
- (四)表示は、最小販売単位ごとに、消費者の見やすい箇所にわかりやすく記載してすること。
- 十六漆又はカシュー樹脂塗料を塗った食事用、食卓用又は台所用の器具
- (一)品名の表示に際しては、表面の塗装に天然の漆のみを使用したものにあっては「漆器」の用語を用いて表示することとし、その他の塗料を使用したものにあっては合成漆器等その品名を示す用語を用いて適正に表示すること。
- (二)表面塗装の種類の表示に際しては、その表面塗装の種類の名称を示す用語を用いて適正に表示することとし、特にその表面塗装の種類が次の表の上欄に掲げる表面塗装の種類に応ずるときは、次の表の下欄に掲げる表面塗装の種類を示す用語を用いて表示すること。この場合において二種類以上の表面塗装を行なっている場合には、それぞれ塗装部分ごとにその塗装部分をわかりやすく示し、当該部分ごとに塗装の種類を示す用語を用いて表示すること。なお、下地塗装を行なっているものにあっては、表面塗装の種類を示す用語の次に括弧書きで「下地塗装」の用語及びその下地塗装の種類の名称を示す用語を用いて適正に表示することができる。
表面塗装の種類 表面塗装の種類を示す用語 漆を塗装したもの 漆塗装 カシュー樹脂塗料を塗装したもの カシュー塗装 メラミンアルキド樹脂塗料を塗装したもの メラミンアルキド塗装 ユリアアルキド樹脂塗料を塗装したもの ユリアアルキド塗装 ウレタン樹脂塗料を塗装したもの ウレタン塗装 - (三)素地の種類の表示に際しては、器具の主な部分について使用される素地の種類の名称を示す用語を用いて適正に表示することとし、特にその素地が次の表の上欄に掲げる素地の種類に属するものであるときは、それぞれ同表の下欄に掲げる素地の種類を示す用語を用いて表示すること。この場合において、同表下欄中「合成樹脂の種類を示す用語」には、合成樹脂加工品品質表示規程(平成九年通商産業省告示第六百七十一号)第二条第一号に規定する原料樹脂の種類を示す用語を用いること。
素地の種類 素地の種類を示す用語 天然木を使用したもの 天然木
この場合において、その用語の次に括弧書きで天然木の種類を示す用語を付記することができる。合成樹脂を使用したもの 合成樹脂の種類を示す用語 合成樹脂と木粉との混合物を使用したもの 木粉の重量割合が五十パーセントを超えるもの 木粉と「合成樹脂の種類を示す用語」の成型品
その用語の次に括弧書きで「木粉」の用語及び木粉の重量割合を示す数値を百分率で付記すること。この場合において、表示値の誤差の許容範囲は、プラス・マイナス五とする。その他のもの 「合成樹脂の種類を示す用語」と木粉の成型品
その用語の次に括弧書きで「木粉」の用語及び木粉の重量割合を示す数値を百分率で付記すること。この場合において、表示値の誤差の許容範囲は、プラス・マイナス五とする。 - (四)使用上の注意の表示に際しては、使用方法、使用後の手入れ方法及び保存方法について製品の形状又は品質に応じて適切に表示すること。
- (五)表示には、表示した者の氏名又は名称及び住所又は電話番号を付記すること。
- (六)表示は、最小販売単位ごとに、消費者の見やすい箇所にわかりやすく記載してすること。ただし、取扱い上の注意表示については、下げ札の取り付け、刻印又はラベルの貼り付け等本体から容易に離れない方法で行うこと(はしについては、ショーカード等本体から容易に離れないように付着している物以外の物に見やすいように記載して表示することができる。)。なお、通常の使用状態に置いたときの垂直方向への投影面積が二百平方センチメートル未満であるものについては、「表面塗装の種類」及び「素地の種類」に限定して表示することができる。
- 十七接着剤
- (一)種類の表示に際しては、その種類を示す用語を用いて適正に表示することとし、特にその種類が次の表の上欄に掲げるものであるときは、それぞれ同表の下欄に掲げる用語を用いて表示すること。
種類 種類を示す用語 水性形 水性形接着剤 溶剤形 溶剤形接着剤 熱溶融形 熱溶融形接着剤 化学反応形 化学反応形接着剤 - (二)成分の表示に際しては、主要な成分の種類の名称を示す用語を用いて適正に表示することとし、特にその成分が次表に掲げるものであるときは、それぞれの成分の種類の名称を示す用語を用いて表示すること。この場合において、その成分の種類の名称を示す用語ごとに括弧書きでその含有率を示す数値を百分率で付記すること。ただし、「有機溶剤」については、括弧書きでその合計の含有率を示す数値を百分率で付記することとし、特にその成分の種類が次表に掲げる用語に該当する場合には、成分の種類の名称を示す用語を列記すること。
成分 成分の種類の名称を示す用語 合成樹脂 1.酢酸ビニル樹脂 2.エチレン・酢酸ビニル樹脂 3.塩化ビニル樹脂 4.エポキシ樹脂 5.ウレタン樹脂 6.スチロール樹脂 7.アクリル樹脂 8.ポリアミド樹脂 9.シアノアクリレート セルロース セルロース 合成ゴム 1.ニトリルゴム 2.スチレン・ブタジエンゴム 3.クロロプレンゴム 有機溶剤 1.アセトン 2.ノルマルヘキサン 3.イソヘキサン 4.シクロヘキサン 5.酢酸ブチル 6.エタノール 7.イソプロパノール - (三)毒性の表示に際しては、毒物及び劇物指定令(昭和四十年一月政令第二号)第二条(劇物)に指定されている劇物を使用している場合に限り、「劇物含有」と表示すること。
- (四)用途の表示に際しては、当該接着剤による接着に適する用途若しくは材料又はその両方を適正に表示することとし、適する用途又は材料であっても種類によっては接着できない材料がある場合にはこれを適正に表示すること。
- (五)正味量の表示に際しては、グラム単位若しくはキログラム単位又はミリリットル単位若しくはリットル単位によるものとする。この場合における許容範囲はマイナス三パーセントとすること。
- (六)取扱い上の注意の表示に際しては、次に掲げる事項を製品の品質に応じて適切に表示すること。この場合において該当しないことが明らかな場合にはこの限りではない。
- イ子供の手が届かないところに置き、いたずらをしないよう注意する旨。
- ロ接着用以外には使用しない旨。
- ハ使用に際しては、換気をよくする旨。
- ニ有機溶剤を含んでいるので有害であり蒸気を吸わないよう注意する旨(有機溶剤を含有するものに限る)。
- ホ人体に影響を及ぼすことが想定される場合には応急処置を行う旨。
- (七)表示には表示した者の氏名又は名称及び住所又は電話番号を付記すること。
- (八)表示は、最小販売単位ごとに、消費者の見やすいようにわかりやすく記載してすること。ただし、正味量十五ミリリットル以下のチューブ入りのもの及び正味量三十ミリリットル以下の瓶入りのものについては、表示事項中「毒性」及び「取扱い上の注意」に係る表示のみを見やすいように本体に記載して表示することができる。
- (一)種類の表示に際しては、その種類を示す用語を用いて適正に表示することとし、特にその種類が次の表の上欄に掲げるものであるときは、それぞれ同表の下欄に掲げる用語を用いて表示すること。
- 十八強化ガラス製の食事用、食卓用又は台所用の器具
- (一)品名の表示に際しては、「強化ガラス製器具」の用語を用いて表示すること。
- (二)強化の種類の表示に際しては、その強化の種類を示す用語を用いて適正に表示することとし、その強化の種類が次の表の上欄に掲げる強化の種類に応ずるものであるときは、それぞれ同表の下欄に掲げる強化の種類を示す用語を用いて表示すること。
強化の種類 強化の種類を示す用語 物理強化又はイオン強化により製品口部の表面に圧縮層を設け、口部の強度を増大したもの 口部強化 物理強化により製品全面の表面に圧縮層を設け、製品の強度を増大したもの 全面物理強化 イオン強化により製品全面の表面に圧縮層を設け、製品の強度を増大したもの 全面イオン強化 熱膨張係数の異なる二種類以上のガラスを三層以上に重ね合わせることにより製品全面の表面に圧縮層を設け、製品の強度を増大したもの 全面積層強化 - (三)取扱い上の注意の表示に際しては、次に掲げる事項を製品の品質に応じて適切に表示すること。
- イ破損を防ぐための注意事項
- 1急激な衝撃を与えない旨。
- 2全面物理強化のもの、全面積層強化のものその他破損した場合に破片が鋭利なかけら又は細片となって激しく飛散するおそれがあるものにあっては、傷が付くような取扱いは避ける旨。
- ロ破損した場合に関する注意事項
イ2に規定するものにあっては、破損した場合に、破片が鋭利なかけら又は細片となって激しく飛散するおそれがあるので注意する旨。
- イ破損を防ぐための注意事項
- (四)表示には、表示した者の氏名又は名称及び住所又は電話番号を付記すること。
- (五)表示は最小販売単位ごとに、消費者の見やすい箇所にわかりやすく記載してすること。ただし、取扱い上の注意表示については、ラベルの貼り付け等本体から容易に離れない方法で行うこと。
- 十九ほうけい酸ガラス製又はガラスセラミックス製の食事用、食卓用又は台所用の器具
- (一)品名の表示に際しては、耐熱温度差が百二十度以上四百度未満のものにあっては「耐熱ガラス製器具」、耐熱温度差が四百度以上のものにあっては「超耐熱ガラス製器具」の用語を用いて表示すること。
- (二)使用区分の表示に際しては、その使用区分を示す用語を用いて適正に表示することとし、その使用区分が次の表の上欄に掲げる使用区分に応ずるものであるときは、それぞれ同表の下欄に掲げる使用区分の種類を示す用語を用いて表示すること。
使用区分 使用区分を示す用語 加熱調理用等に用いられるものであって、直接炎にあてて用いられるもの 直火用 加熱調理用等に用いられるものであって、直接炎にあたらない用途(電磁波によって加熱する用途を除く。)に用いらるもの オーブン用 加熱調理用等に用いられるものであって、電磁波によって加熱する用途に用いられるもの 電子レンジ用 熱湯使用によって用いられる器物であって、加熱器具として用いられないもの 熱湯用 - (三)耐熱温度差の表示に際しては、ガラスの部分を試料として一定の温度に定めた恒温器の中に三十分間保持したのち、これを取り出して、直ちに冷水中に一分間浸したときにその試料が破損しない温度差を表示すること。この場合における許容範囲は、その温度差を表わす数値のプラス・マイナス四パーセントとすること。また、恒温器内の温度と冷水の温度との差は耐熱ガラス製器具のうち直火用のものにあっては百五十度以上、直火用以外のものにあっては百二十度以上、超耐熱ガラス製器具にあっては四百度以上とする。
- (四)取扱い上の注意の表示に際しては、次に掲げる事項を製品の品質に応じて適切に表示すること。
- イ調理の際は外滴をぬぐい、途中で差し水をするときは冷水の使用を避け、またガラスの部分が熱くなっているときは濡れたふきんでふれたり、濡れたところに置かない旨(超耐熱ガラスを除く)。
- ロ空だきをしない旨(超耐熱ガラスを除く)。
- ハ洗浄の際は、研磨材入りたわし、金属たわしやクレンザーなどを使用しない旨。
- ニ突然一気に沸騰して湯が激しく吹き出すおそれがあるので加熱中は顔などを近付けない旨(直火用のものに限る。)。
- ホ加熱は器具の中心に置き、必ず弱火で使用する旨(直火用のものに限る。)。
- ヘ使用区分以外の使用は避ける旨。
- (五)表示には、表示した者の氏名又は名称及び住所又は電話番号を付記すること。
- (六)表示は最小販売単位ごとに、消費者の見やすい箇所にわかりやすく記載してすること。ただし、取扱い上の注意表示については、ラベルの貼り付け等本体から容易に離れない方法で行うこと。
- 二十ショッピングカート
- (一)袋又はかごの寸法の表示に際しては、その袋又はかごの幅、奥行き及び高さをミリメートル単位で順次列記することとし、この場合における許容範囲は、その長さを表す数値のプラス・マイナス二パーセントとすること。
- (二)質量の表示に際しては、ショッピングカートの本体及び付属品の質量の合計をキログラム単位で表示することとし、この場合における許容範囲は、その質量を表す数値のプラス・マイナス十パーセントとすること。
- (三)取扱い上の注意の表示に際しては、次に掲げる事項を表示すること。
〇キログラム(耐荷重)以上の重さの荷物を載せない旨。
- 備考:耐荷重の表示に際しては、直径二百ミリメートルで十ミリメートルの段があるドラムの上に当該ショッピングカートの車輪を載せた状態でドラムを毎分百回の速度で連続して六十分間回転させたときに本体及び袋又はかごの部分に著しい異常が生じない最高の荷重の九十パーセント以内の荷重をキログラム単位で表示すること。この場合における荷重は、砂袋をショッピングカートに入れて行うこと。
- (四)表示には、表示した者の氏名又は名称及び住所又は電話番号を付記すること。
- (五)表示は、ショッピングカートごとに、消費者の見やすい箇所にわかりやすく記載してすること。ただし、取扱い上の注意表示については、ラベルの貼り付け又は縫い付け等本体から容易に離れない方法で行うこと。
- 二十一サングラス
- (一)品名の表示に際しては、次の表1の上欄に掲げる区分に応じ、それぞれ同表の下欄に掲げる品名を示す用語を用いて表示すること。この場合において、偏光度、偏光軸、平行度及び屈折力については、それぞれ表2に定める試験方法によるものとする。
表1
区分 品名 屈折力がいかなる経線においてもマイナス〇・一二五ディオプトリから〇・一二五ディオプトリまでの範囲内であり、かつ、任意のいかなる二経線間の屈折力の差が〇・一二五ディオプトリ以下であって、平行度が〇・一六六プリズムディオプトリ以下のもの サングラス サングラスの項に掲げる区分に該当するもののうち、次のイ及びロに該当するもの
- イ偏光度が九十パーセント以上であるもの
- ロ偏光軸のずれが十五度以下であるもの
偏光サングラス 前各項上欄に掲げる区分以外のもの ファッション用グラス 表2
項目 試験方法 偏光度 偏光レンズにあっては、日本工業規格T八一四一(遮光保護具)の九・一 f)「遮光能力試験」で定める方法により、可視光線の平行位組合せ透過率及び直交位組合せ透過率とを測定し、次の式(※1)により計算すること 偏光軸 偏光めがねにあっては、各々の玉の偏光軸と水平(偏光軸を鉛直に用いたものにあっては、鉛直)方向とのなす角度を測定すること。 平行度 日本工業規格T八一四七(保護めがね)の八・一b)「光学的性質」で定める方法により、レンズメータ、望遠鏡、オートコリメータなどを用いて測定すること。ただし、着用時を想定した特別な設計のものにあっては着用時を想定した測定方法により、レンズメータ、望遠鏡、オートコリメータなどを用いて測定すること。 屈折力 日本工業規格T八一四七(保護めがね)の八・一b)「光学的性質」で定める方法により、レンズメータ、望遠鏡、オートコリメータなどを用いて測定すること。
- (一)品名の表示に際しては、次の表1の上欄に掲げる区分に応じ、それぞれ同表の下欄に掲げる品名を示す用語を用いて表示すること。この場合において、偏光度、偏光軸、平行度及び屈折力については、それぞれ表2に定める試験方法によるものとする。
(※1)
-
- (二)レンズの材質の表示に際しては、当該サングラスに使用されているレンズの材質の種類に応じ、それぞれ「ガラス」又は「プラスチック」の用語を用いて表示すること。また、レンズを研磨したもの、レンズを強化したもの又はレンズの表面をコーティングしたものについては、レンズの材質の種類を示す用語の次に括弧を付してそれぞれその旨を付記すること。
- (三)わくの材質の表示に際しては、レンズわく及びテンプルに主として使用されている材質の名称をレンズわく及びテンプルごとにそれぞれ適正に表示することとし、特にその材質が次に掲げる材質の名称を示す用語に応ずるものであるときは、それぞれ次に掲げる材質の名称を示す用語を用いて表示すること。なお、めっき、塗装等を施してあるものについては、わくの材質の種類を示す用語の次に括弧を付してその旨を付記すること。
- イプラスチック
- ロセルロイド
- ハニッケル合金
- ニアルミニウム
- (四)可視光線透過率の表示に際しては、日本工業規格T八一四一(遮光保護具)の九・一f)「遮光能力試験」の (一・二)「可視部試験」に定める方法又は光電検出器に視感度用フィルターを組み合わせて、その分光感度分布が標準視感度分布にほぼ一致するようにした受光器を用い、A標準光に準じた光源に対する可視域の透過率測定を行う方法により測定し、その数値を表示すること。この場合における許容範囲は、プラス・マイナス七パーセントとする。
- (五)紫外線透過率の表示に際しては、日本工業規格T八一四一(遮光保護具)の九・一f)「遮光能力試験」の(一・一)「紫外部試験」又は(二 ・一)「紫外部試験」に定める方法により測定し、その数値を表示すること。この場合における誤差の許容範囲は、表示値のプラス・マイナス十パーセントとする。
- (六)使用上の注意の表示に際しては、次に掲げる事項を表示すること。
- イ自動車のフロントガラス等熱強化したガラスを通して使用するとガラスのひずみの干渉色が見えることがある旨(偏光サングラスのものに限る。)。
- ロ高温のところに置いたり、傷をつけるような金属と一緒にしまわない旨。
- ハあまり長い時間目にかけない旨(ファッション用グラスに限る。)。
- (七)表示には、表示した者の氏名又は名称及び住所又は電話番号を付記すること。
- (八)表示は、サングラスごとに、消費者の見やすい箇所にわかりやすく記載してすること。ただし、使用上の注意の表示については、下げ札又はラベルの貼り付け等本体から容易に離れない方法で行うこと。
- 二十二歯ブラシ
- (一)柄の材質の表示に際しては、その柄の材質を示す用語を用いて適正に表示することとし、特にその柄の材質として合成樹脂を使用したものにあっては、合成樹脂加工品品質表示規程(平成九年通商産業省告示第六百七十一号)第二条第一号の規定に基づき表示すること。
- (二)毛の材質の表示に際しては、その毛の材質を示す用語を用いて適正に表示することとし、特にその毛の材質として獣毛を用いているものについては「天然毛」の用語を用いて表示すること。この場合において、「天然毛」の用語の次に括弧書きで天然毛の種類を示す用語を付記することができる。また、毛の材質として合成樹脂を使用したものにあっては、合成樹脂加工品品質表示規程(平成九年通商産業省告示第六百七十一号)第二条第一号の規定に基づき表示すること。
- (三)毛の硬さの表示に際しては、日本工業規格S三〇一六の五・三「毛の硬さ」の(1)に定める試料を用いて、同五・三 「毛の硬さ」の(2・2)「圧縮試験機を用いる方法」により測定し、同三「品質」の(8)の表1に定める「毛の硬さ」に応じた項目名を表示することとする。
- (四)耐熱温度の表示に際しては、当該歯ブラシをその温度の温水に三分間浸したときに柄又は毛に異常を生じない最高の温度を表示すること。この場合における許容範囲は、その温度を示す数値のプラス〇・マイナス二十パーセントとする。
- (五)表示には、表示した者の氏名又は名称及び住所又は電話番号を付記すること。
- (六)表示は、最小販売単位ごとに、消費者の見やすい箇所にわかりやすく記載してすること。
- 二十三食事用、食卓用又は台所用のアルミニウムはく
- (一)寸法の表示に際しては、その製品の幅をセンチメートル単位で、長さをメートル単位で、厚さをマイクロメートル単位で表示すること。
- 備考
- 1厚さの測定は、日本工業規格H四一六〇(アルミニウム及びアルミニウム合金はく)の五・二によるものとする。
- 2寸法の表示値の許容範囲は、日本工業規格H四一六〇の四・二によるものとする。
- (二)取扱い上の注意の表示に際しては、次に掲げる事項を表示すること。
- イ酸分及び塩分によって変色や浸食が生じることがある旨。
- ロ直火によって溶解が生じることがある旨。
- ハ保管場所の湿度等によっては変色が生じることがある旨。
- (三)表示には、表示した者の氏名又は名称及び住所又は電話番号を付記すること。
- (四)表示は、最小販売単位ごとに、消費者の見やすい箇所にわかりやすく記載してすること。ただし、取扱い上の注意表示に際しては、ラベルの貼り付け若しくは印刷、下げ札の取り付け又はラベルの添付等で行うこと。
- (一)寸法の表示に際しては、その製品の幅をセンチメートル単位で、長さをメートル単位で、厚さをマイクロメートル単位で表示すること。
- 二十四ほ乳用具
- (一)品名の表示に際しては、その品名を示す用語を用いて適正に表示すること。この場合において、瓶の部分が合成樹脂製のものにあっては「プラスチック製」の用語、ガラス製のものにあっては「ガラス製」の用語を品名を示す用語の次に括弧書きで付記すること。
- (二)材料の種類の表示に際しては、フード、キャップ、中ぶた、乳首、瓶その他の部分品に使用される材料の名称をそれぞれ適正に表示することとし、特にその材料が次に掲げる材料の名称を示す用語に応ずるものであるときは、それぞれ次に掲げる名称を示す用語を用いて表示すること。この場合において、「天然ゴム」又は「合成ゴム」の用語の次に括弧書きで天然ゴム又は合成ゴムの種類を示す用語を付記することができる。また、材料に合成樹脂を使用したものにあっては、合成樹脂加工品品質表示規程(平成九年通商産業省告示第六百七十一号)第二条第一号の規定に準じて表示すること。
- イほうけい酸ガラス
- ロ天然ゴム
- ハ合成ゴム
- (三)乳首の吸い穴の形状の表示に際しては、その乳首の吸い穴の形状を示す用語を用いて適正に表示することとし、特に吸い穴の形状が次に掲げる形状を示す用語に応じるものであるときは、それぞれ次に掲げる形状を示す用語を用いて表示すること。
- イ丸穴
- ロクロスカット
- ハY字形
- (四)瓶の容量の表示に際しては、目盛りがある瓶にあっては最大目盛りにおける容量を、目盛りがない瓶にあっては、瓶の口頭部までの容量(以下この号において「満水容量」という。)をそれぞれミリリットル単位で表示することとし、その次に括弧書きでそれぞれ「最大目盛り容量」又は「満水容量」と付記すること。この場合において、表示値の誤差の許容範囲は、次の表のとおりとする。
瓶の容量 許容範囲 ガラス製 プラスチック製 五十ミリリットル未満 プラス・マイナス五ミリリットル プラス・マイナス四ミリリットル 五十ミリリットル以上
百ミリリットル未満プラス・マイナス六ミリリットル プラス・マイナス四ミリリットル 百ミリリットル以上
百二十ミリリットル未満プラス・マイナス七ミリリットル プラス・マイナス四ミリリットル 百二十ミリリットル以上
百五十ミリリットル未満プラス・マイナス八ミリリットル プラス・マイナス四ミリリットル 百五十ミリリットル以上
二百ミリリットル未満プラス・マイナス九ミリリットル プラス・マイナス四ミリリットル 二百ミリリットル以上
二百五十ミリリットル未満プラス・マイナス十ミリリットル プラス・マイナス五ミリリットル 二百五十ミリリットル以上
三百ミリリットル未満プラス・マイナス十二ミリリットル プラス・マイナス六ミリリットル - (五)取扱い上の注意の表示に際しては、次に掲げる事項を表示すること。
- イ使用後は、洗浄をした後、煮沸、消毒薬等により消毒を行う旨。
- ロ高い所から落とす等急激な衝撃を与えると破損するおそれがある旨(ガラス製のものに限る。)。
- ハ火のそばに置くと、軟化又は変化することがある旨(プラスチック製のものに限る)。
- ニ硬めのブラシで磨くと、傷が付き、又は不透明になることがある旨(プラスチック製のものに限る。)。
- ホ使用前に亀裂や傷の点検をする旨(ガラス製のものに限る。)。
- (六)表示には、表示した者の氏名又は名称及び住所又は電話番号を付記すること。
- (七)表示は、最小販売単位(ほ乳用具又はほ乳用具の一部)ごとに、消費者の見やすい箇所にわかりやすく記載してすること。ただし、取扱い上の注意の表示については、ラベルの貼り付け若しくは添付、印刷又は下げ札の取り付け等本体から容易に離れない方法で行うこと。また、ほ乳用具の一部が販売される場合は、それぞれ該当する表示事項を表示すること。
- 二十五なべ
- (一)表面加工の表示に際しては、その表面加工の種類を示す用語を用いて適正に表示することとし、その表面加工が次の表の上欄に掲げる表面加工の種類に属するものであるときは、それぞれ同表の下欄に掲げる表面加工の種類を示す用語を用いて表示すること。この場合において、二種類以上の表面加工を施している場合には、それぞれの加工部分ごとにその加工部分をわかりやすく示し、当該加工部分ごとに表面加工の種類を示す用語を用いて表示すること。
表面加工の種類 表面加工の種類を示す用語 しゅう酸、硫酸等による陽極酸化皮膜をアルミニウムの表面層に施したもの(皮膜厚さが日本工業規格H八六○一(アルミニウム及びアルミニウム合金の陽極酸化皮膜)の六・二・一に定める等級がAA5以上のものに限る。) アルマイト 食品に接触する部分にめっきを施したもの ニッケルめっきを施したもの ニッケルめっき 錫めっきを施したもの 錫めっき 銀めっきを施したもの 銀めっき ふっ素樹脂塗膜処理を施したもの ふっ素樹脂塗膜加工 焼付け塗装を施したもの 焼付け塗装 ほうろう引きのもの ほうろう - (二)材料の種類の表示に際しては、本体に使用した材料の種類を示す用語を用いて適正に表示することとし、その種類が次の表の上欄に掲げる材料の種類に属すものであるときは、それぞれ同表の下欄に掲げる材料の種類を示す用語を用いて表示することとし、当該用語の次に括弧書きでなべの底の中央部において測定した材料の厚さをミリメートル単位で小数点第一位まで付記すること。ただし、なべの底の中央部がなべの底全体の材料と厚さの状態を的確に反映していないと考えられる場合は、これらが的確に反映されると考えられる位置とその測定値を表示することもできる。この場合において、表示値の誤差の許容範囲は、銅製のものにあってはプラス・マイナス二十パーセント、ステンレス鋼製のものにあってはプラス・マイナス十パーセント、銅製のもの及びステンレス鋼製のもの以外のものにあってはプラス・マイナス十五パーセントとすること。なお、二種類以上の材料を使用している場合(合わせ板を含む。)には、すべての材料の厚さを付記することとし、当該使用部分ごとにその材料の種類を示す用語を用いて表示すること。この場合の許容範囲はプラス・マイナス二十パーセントとする。また、直接火に当たる部分に本体と異なる種類の材料をはり合わせたもの又はめっきを施したものについてはそれぞれ「はり底」又は「めっき底」の用語を付記するものとする。
材料の種類 材料の種類を示す用語 アルミニウム又はアルミニウム合金 アルミニウムの成分が九九パーセント以上のもの アルミニウム その他のもの アルミニウム合金 ステンレス鋼 「ステンレス鋼」の用語の次にクロム又はニッケルの成分率を括弧書きで付記したもの ほうろう引きの鋼板 炭素含有率が十万分の十二以下のもの ほうろう用鋼板 その他のもの 普通鋼板 - (三)寸法の表示に際しては、アルミニウム又はアルミニウム合金製のものにあっては日本工業規格S二〇一〇(アルミニウム板製品器物)の五の規定による最大内径又は最大内対辺を、その他のものにあっては日本工業規格S三〇一二(家庭用ほうろう器物)の七の規定による内径又は最大内対辺をそれぞれセンチメートル単位で表示すること。
- (四)満水容量の表示に際しては、縁までの容量をリットル単位で表示すること。この場合において、表示値の誤差の許容範囲は、プラス・マイナス五パーセントとすること。なお、縁までの容量とは、本体に水を入れて、水が溢れた際に残った量を測定する。また、測定はなべをよく洗浄した上で行う。
- (五)取扱い上の注意の表示に際しては、圧力なべを含むなべについては次のイに掲げる事項、圧力なべについては次のイ及びロに掲げる事項をそれぞれ表示すること。
- イ圧力なべを含むなべ
- 1空だきをしない旨。
- 2使用後はよく洗って乾燥させる旨。
- 3取っ手の部分が熱くなる場合がある旨(該当しない場合は削除できる。)。
- 4縁まで水等を満たした状態で使用しない旨(圧力なべを除く。)。
- 5さびを防ぐために表面にラッカー等の被膜を施してあるものは、使用前にその被膜を取り除く旨(該当しない場合は削除できる。)。
- 6なべの中に料理を保存しない旨(鉄製でほうろう引きのものを除く。)。
- 7スチールたわし、磨き粉等を使用しない旨(ステンレス鋼製及びアルミニウム鋳物製のものを除く。)。
- 8こげつき等を落とす際は金属製の固いものを使用しない旨。
- 9酸性又はアルカリ性のものの使用は避ける旨(アルミニウム製のものに限る。)。
- 10天ぷら等の料理に際しては、油温を二百度以上に上昇させない旨。
- 11炒めものに使用しない旨(鋼板製でほうろう引きのもの又は銅製のものに限る。)。
- 12急激な衝撃を与えたり、空だきをした場合に水等をかけて急冷しない旨。
- 13ストーブの上で使用しない旨。
- ロ圧力なべ
- 1なべに三分の二(ただし、豆類にあっては三分の一)以上内容物を入れて使用しない旨。
- 2重曹を直接入れる料理をしない旨。
- 3多量の油を入れて使用しない旨。
- 4加熱状態では衝撃を与えない旨。
- 5使用中又は使用後は無理にふたを開けない旨。
- イ圧力なべを含むなべ
- (六)表示には、表示した者の氏名又は名称及び住所又は電話番号を付記すること。
- (七)表示は、最小販売単位ごとに、消費者の見やすい箇所にわかりやすく記載してすること。ただし、取扱い上の注意表示については、下げ札又はラベルの貼り付け等本体から容易に離れない方法で行うこと。
- (一)表面加工の表示に際しては、その表面加工の種類を示す用語を用いて適正に表示することとし、その表面加工が次の表の上欄に掲げる表面加工の種類に属するものであるときは、それぞれ同表の下欄に掲げる表面加工の種類を示す用語を用いて表示すること。この場合において、二種類以上の表面加工を施している場合には、それぞれの加工部分ごとにその加工部分をわかりやすく示し、当該加工部分ごとに表面加工の種類を示す用語を用いて表示すること。
- 二十六湯沸かし
- (一)表面加工の表示に際しては、その表面加工の種類を示す用語を用いて適正に表示することとし、その表面加工が次の表の上欄に掲げる表面加工の種類に属するものであるときは、それぞれ同表の下欄に掲げる表面加工の種類を示す用語を用いて表示すること。この場合において、二種類以上の表面加工を施している場合には、それぞれの加工部分ごとにその加工部分をわかりやすく示し、当該加工部分ごとに表面加工の種類を示す用語を用いて表示すること。
表面加工の種類 表面加工の種類を示す用語 しゅう酸、硫酸等による陽極酸化皮膜をアルミニウムの表面層に施したもの(皮膜厚さが日本工業規格H八六○一(アルミニウム及びアルミニウム合金の陽極酸化皮膜)の六・二・一に定める等級がAA5以上のものに限る。) アルマイト 食品に接触する部分にめっきを施したもの ニッケルめっきを施したもの ニッケルめっき 錫めっきを施したもの 錫めっき 銀めっきを施したもの 銀めっき ふっ素樹脂塗膜処理を施したもの ふっ素樹脂塗膜加工 焼付け塗装を施したもの 焼付け塗装 ほうろう引きのもの ほうろう - (二)材料の種類の表示に際しては、本体に使用した材料の種類を示す用語を用いて適正に表示することとし、その種類が次の表の上欄に掲げる材料の種類に属するものであるときは、それぞれ同表の下欄に掲げる材料の種類を示す用語を用いて表示することとし、当該用語の次に括弧書きで湯沸かしの底の中央部において測定した材料の厚さをミリメートル単位で小数点第一位まで付記すること。ただし、湯沸かしの底の中央部が湯沸かしの底全体の材料と厚さの状態を的確に反映していないと考えられる場合は、これらが的確に反映されると考えられる位置とその測定値を表示することもできる。この場合において、表示値の誤差の許容範囲は、銅製のものにあってはプラス・マイナス二十パーセント、ステンレス鋼製のものにあってはプラス・マイナス十パーセント、銅製のもの及びステンレス鋼製のもの以外のものにあってはプラス・マイナス十五パーセントとすること。なお、二種類以上の材料を使用している場合(合わせ板を含む。)には、すべての材料の厚さを付記することとし、当該使用部分ごとにその材料の種類を示す用語を用いて表示すること。この場合の許容範囲はプラス・マイナス二十パーセントとする。また、直接火に当たる部分に本体と異なる種類の材料をはり合わせたもの又はめっきを施したものについてはそれぞれ「はり底」又は「めっき底」の用語を付記するものとする。
材料の種類 材料の種類を示す用語 アルミニウム又はアルミニウム合金 アルミニウムの成分が九九パーセント以上のもの アルミニウム その他のもの アルミニウム合金 ステンレス鋼 「ステンレス鋼」の用語の次にクロム又はニッケルの成分率を括弧書きで付記したもの ほうろう引きの鋼板 炭素含有率が十万分の十二以下のもの ほうろう用鋼板 その他のもの 普通鋼板 - (三)満水容量の表示に際しては、口頭部又はそそぎ口までの容量のうちいずれか少ない縁までの容量をリットル単位で表示すること。この場合において、表示値の誤差の許容範囲は、プラス・マイナス五パーセントとすること。なお、縁までの容量とは、本体に水を入れて、水が溢れた際に残った量を測定する。また、測定は湯沸かしをよく洗浄した上で行う。
- (四)取扱い上の注意の表示に際しては、使用方法、使用後の手入れ方法又は保存方法について次に掲げる事項を製品の品質に応じて適切に表示すること。
- イ空だきをしない旨。
- ロ縁まで水等を満たした状態で使用しない旨。
- ハ取っ手又は握りの部分が熱くなる場合がある旨(該当しない場合は削除できる。)。
- ニさびを防ぐために表面にラッカー等の被膜を施してあるものは、使用前にその被膜を取り除く旨(該当しない場合は削除することができる。)。
- ホスチールたわし、磨き粉等を使用しない旨(ステンレス鋼製又はアルミニウム鋳物製のものを除く。)。
- ヘ強い衝撃を与えたり、空だきをした場合に水等をかけて急冷しない旨。
- トストーブの上で使用しない旨。
- チ使用後はよく洗って乾燥させる旨。
- (五)表示には、表示した者の氏名又は名称及び住所又は電話番号を付記すること。
- (六)表示は、最小販売単位ごとに、消費者の見やすい箇所にわかりやすく記載してすること。ただし、取扱い上の注意表示については、下げ札又はラベルの貼り付け等本体から容易に離れない方法で行うこと。
- (一)表面加工の表示に際しては、その表面加工の種類を示す用語を用いて適正に表示することとし、その表面加工が次の表の上欄に掲げる表面加工の種類に属するものであるときは、それぞれ同表の下欄に掲げる表面加工の種類を示す用語を用いて表示すること。この場合において、二種類以上の表面加工を施している場合には、それぞれの加工部分ごとにその加工部分をわかりやすく示し、当該加工部分ごとに表面加工の種類を示す用語を用いて表示すること。
- 二十七障子紙
- (一)製法の表示に際しては、抄紙工程に抄紙機を用いる製法によるものは「機械すき」の用語、簀桁を用いる製法によるものは「手すき」の用語を用いて表示すること。
- (二)材料の表示に際しては、次のイ及びロに掲げるところによること。
- イ長繊維原料及び木材パルプ(以下「長繊維原料等」という。)については、次の表の上欄に掲げる長繊維原料等の種類に応じ、それぞれ同表の下欄に掲げる長繊維原料等の種類を示す用語にその長繊維原料等の混合率を示す数値を付記して、その混合率の大きいものから順に表示すること。この場合において、表示値の誤差の許容範囲は、プラス・マイナス五とし、長繊維原料等の種類の混合率が二十パーセント未満のものについては、混合率の付記を省略することができる。
長繊維原料等の種類 長繊維原料等の種類を示す用語 こうぞ こうぞ みつまた みつまた ビスコース繊維 レーヨン マニラ麻 マニラ麻 ビニロン繊維 ビニロン ガラス繊維 ガラス繊維 前各号に掲げる長繊維原料の種類以外の長繊維原料 長繊維原料の種類の通称を示す用語 木材パルプ パルプ - 備考:長繊維原料等の種類の分析は、日本工業規格P八一二〇(紙、板紙及びパルプ-繊維組成試験方法)に規定する試験方法によるものとする。
- ロ蛍光剤を配合しているものについては、「蛍光剤配合」の用語を用いて付記すること。
- イ長繊維原料及び木材パルプ(以下「長繊維原料等」という。)については、次の表の上欄に掲げる長繊維原料等の種類に応じ、それぞれ同表の下欄に掲げる長繊維原料等の種類を示す用語にその長繊維原料等の混合率を示す数値を付記して、その混合率の大きいものから順に表示すること。この場合において、表示値の誤差の許容範囲は、プラス・マイナス五とし、長繊維原料等の種類の混合率が二十パーセント未満のものについては、混合率の付記を省略することができる。
- (三)寸法の表示に際しては、次の表の上欄に掲げる形状に応じ、それぞれ同表の中欄に掲げる計量単位を用いて表示すること。この場合において、表示値の誤差の許容範囲は、同表の下欄に掲げるとおりとする。
形状 計量単位 許容範囲 巻式 幅:センチメートル単位 プラス・マイナス〇・二センチメートル 長さ:メートル単位 マイナス〇メートル 平判式 幅:センチメートル単位 プラス・マイナス〇・二センチメートル 長さ:センチメートル単位 マイナス〇メートル 一枚ばり式 幅:センチメートル単位 プラス・マイナス〇・五センチメートル 長さ:メートル単位
マイナス〇メートル - (四)枚数の表示に際しては、その製品の枚数を表示すること(平判式のものに限る。)。
- (五)表示には、表示した者の氏名又は名称及び住所又は電話番号を付記すること。
- (六)表示は、最小販売単位ごとに、消費者の見やすい箇所にわかりやすく記載してすること。
- 二十八衣料用、台所用又は住宅用の漂白剤
- (一)品名の表示に際しては、その用途を適切に表現した用語に「漂白剤」の用語を付して表示すること。
- (二)成分の表示に際しては、次のイからヘまでに掲げるところによること。
- イ酸化剤又は還元剤については、その成分の種類の名称を示す用語を用いて適正に表示することとし、それが次の表の下欄に掲げる成分の種類の名称を示す用語に該当するものであるときは、当該欄に掲げる用語を用いて表示すること。
主たる成分の区別 成分の系別を示す用語 成分の種類の名称を示す用語 酸化剤 塩素系 次亜塩素酸ナトリウム ジクロロイソシアヌル酸ナトリウム(又はカリウム) 酸素系 過炭酸ナトリウム 過ほう酸ナトリウム モノ過硫酸ナトリウム 過酸化水素 還元剤 還元系 ハイドロサルファイト 二酸化チオ尿素 - ロイの酸化剤又は還元剤の種類の名称を示す用語の次に括弧書きでイの表の中欄に掲げる成分の系別を示す用語を用いて付記すること。
- ハ界面活性剤を含有するものについては、「界面活性剤」の用語を用いて表示することとし、その用語の次に括弧書きで含有される界面活性剤のうちその含有率が最も高いものの種類の名称を示す用語を表示すること。
- ニりん酸塩を五酸化りん(P2O5)換算で一パーセント以上含有しているものについては、「りん酸塩」の用語を用いて表示することとし、その用語の次に括弧書きで五酸化りん換算の含有率を付記すること。この場合において、表示値の誤差の許容範囲は、プラス・マイナス二とすること。
- ホりん酸塩以外の洗浄補助剤その他の添加剤のうちその含有率が十パーセント以上のものについては、その成分の機能の名称の次に括弧書きで種類の名称を示す用語を表示すること。また、その含有率が一パーセント以上のものについては、その機能の名称を示す用語を表示すること。
- ヘホの規定にかかわらず、蛍光剤又は酵素を配合しているものについては、「蛍光増白剤」又は「酵素」の用語を用いて表示すること。
- イ酸化剤又は還元剤については、その成分の種類の名称を示す用語を用いて適正に表示することとし、それが次の表の下欄に掲げる成分の種類の名称を示す用語に該当するものであるときは、当該欄に掲げる用語を用いて表示すること。
- (三)液性の表示に際しては、次の表に上欄に掲げる水素イオン濃度(pH)の区分に応じ、それぞれ同表の下欄に掲げる液性を示す用語を用いて表示すること。この場合において、水素イオン濃度(pH)の測定は、液状のものについては原液について、液状のもの以外のものについては使用適量の最高濃度溶液について日本工業規格Z八八〇二(pH測定方法)に定める方法により行うものとすること。この場合の測定温度は二五度とすること。
水素イオン濃度(pH) 用語 十一・〇を超えるもの アルカリ性 十一・〇以下 八・〇を超えるもの 弱アルカリ性 八・〇以下 六・〇以上のもの 中性 六・〇未満 三・〇以上のもの 弱酸性 三・〇未満のもの 酸性 - (四)正味量の表示に際しては、計量法(平成四年法律第五十一号)第十二条(特定商品の計量)及び第十三条(密封をした特定商品に係る特定物象量の表記)に規定する特定物象量の表記に準ずるものとする。この場合の単位は、キログラム単位、グラム単位、リットル単位又はミリリットル単位によるものとする。
- (五)使用方法の表示に際しては、次に掲げる基準に従って製品の品質に応じて適切に表示すること。ただし、該当する事項がない場合には、この限りではない。
- イ使用量の目安については、使用の適量について具体的にわかりやすく表示すること。
- ロ用途ごとに、標準的な使用方法を具体的に表示すること。
- ハ使用の対象とすることのできるもの及びできないものを具体的に例示すること。
- ニ繊維に使用した場合に、当該繊維が変質したり、当該繊維に施された染色が変質したりしないことを確認するための試験方法を表示すること(還元系のものを除く。)。
- ホ樹脂加工を施した繊維に使用して当該繊維が黄変した場合に、これを漂白するための方法を表示すること(塩素系のものに限る。)。
- ヘ一定の濃度で温水を使用した場合には、冷水を使用した場合よりも短い時間で同程度の漂白剤効果がある旨を表示すること(酸素系及び還元系のものに限る。)。
- (六)使用上の注意の表示に際しては、次に掲げる事項を製品の品質に応じて適切に表示すること。ただし、該当する事項がない場合にはこの限りではない。
- イ子供の手が届く所に置かない旨(この場合において、特別注意事項として表示する場合には、表示を省略することができる(塩素系の製品に限る。)。)。
- ロ熱湯では使用しない旨。
- ハ万一飲みこんだり又は目に入ったりした場合には、応急処置を行い、医師に相談する旨(この場合において種類に応じた適切な応急処置の方法を具体的に表示すること。)。
- ニ直射日光の当たる所又は高温の所に置かない旨。
- ホ用途外に使用しない旨。
- (七)表示には、表示した者の氏名又は名称及び住所又は電話番号を付記すること。
- (八)表示は、最小販売単位ごとに、その容器又は包装等消費者の見やすい箇所に本体から容易に離れない方法でわかりやすく記載してすること。
- (九)別記「塩素ガス発生試験(塩素系)」で規定する試験又はこれと同等以上の精度を有する試験で測定した結果、一・〇ppm以上塩素ガスを発生するものについては、次に掲げる特別注意事項を表示すること。
- イ「まぜるな 危険」
- ロ「塩素系」
- ハ
- (1)酸性タイプの製品と一緒に使う(まぜる)と有害な塩素ガスが出て危険である旨
- (2)目に入った時は、すぐに水で洗う旨
- (3)子供の手に触れないようにする旨
- (4)必ず換気を良くして使用する旨
- (十)特別注意事項の表示は、容器(箱に入っているものについては箱及び容器。以下同じ。)ごとに、商品名の記載のある面と同一の面の目立つ箇所に次により記載してすることとし、イ、ロ及びハの表示はそれぞれ隣接した位置に行うこと。
- イ「まぜるな 危険」の表示に際しては、枠を設け白地に「まぜるな 危険」と表示すること。「まぜるな」の文字は黄色に黒の縁どりをし、二八ポイント以上(製品の排除体積が二百十ミリリットル以下のものにあっては二六・二五ポイント以上)の大きさで表示することとし、「危険」の文字は赤色で、四二ポイント以上(製品の排除体積が二百十ミリリットル以下のものにあっては二六・二五ポイント以上)の大きさで表示すること。
- ロ「塩素系」の表示に際しては、枠を設け「塩素系」と黄系色で表示することとし、容器、ラベル等の色により「塩素系」の文字が目立たない場合は、ラベル又は枠内の色を変える等特に目立つ方法を用いて表示すること。文字の大きさは、当該製品の「使用上の注意」の表示に用いる文字の大きさより八ポイント以上大きくすること。
- ハ(1)から(4)までの事項の表示に際しては、枠を設け表示すること。この際、(1)については「酸性タイプ」及び「危険」の文字を用いて表示することとし、「酸性タイプ」及び「危険」の文字は赤系色で、当該製品の「使用上の注意」の表示に用いる文字の大きさより四ポイント以上大きくすること。「酸性タイプ」及び「危険」以外の文字に使用する文字の大きさは、当該製品の「使用上の注意」の表示に用いる文字の大きさより一ポイント以上大きくすること。
別記 塩素ガス発生試験(塩素系)
- (一)装置及び器具
次の図のような合成樹脂容器のふたに検知管及びファンを取り付け、ファンは下向きに送風できるようにする。

-
-
- (A)合成樹脂容器
プラスチック製ふた付容器(丸形)、呼び容量20リットル(但し容量の許容差はプラス10パーセント、マイナス4パーセントとする。)。使用時にはシール等により密閉性を良くすること。
- (B)塩素ガス検知管
試料採取量100ミリリットル1回において塩素ガス濃度0.5~10ppm程度の範囲を測定できるもの。
- (C)ガス採取器(100ミリリットル)
- (D)槽内撹拌用軸流ファン
羽根(数4~5枚、直径5~7センチメートル、片面面積220~320平方ミリメートル/枚で総面積1100~1300平方ミリメートルとなる角度付きのもの)、回転数50Hzで約2500rpm、60Hzで約3000rpm
- (E)10ミリリットルビーカー
- (F)スターラービース(長さ1センチメートル)
- (G)マグネチックスターラー
- (A)合成樹脂容器
- (二)測定方法
- イ合成樹脂容器の底に、ピペットを用いて(三)で定める酸性タイプ基準溶液三ミリリットルを入れた十ミリリットルビーカーを置く。
- ロ塩素系製品の原液三ミリリットル(又は三グラム)をイのビーカー内に加える。
- ハ直ちに容器のふたをして、マグネチックスターラーにて混合し、槽内をファンで撹拌する。
- ニ両液混合から五分間後、ガス採取器を検知管の後に接続して容器内のガスを百ミリリットル一回吸引して測定し、得られた数値から、次式により塩素ガス濃度を算出する。
塩素ガス濃度(ppm) = 測定塩素ガス濃度(ppm)÷3 × 合成樹脂容器の容量(リットル)÷20
- ホ室温、液温は二十度プラス・マイナス五度とする。
- (三)基準溶液
- イ規格
酸性タイプ基準溶液については、塩酸九・三~九・七パーセントとする。
- ロ調製方法
酸性タイプ基準溶液については、試薬特級(日本工業規格K八一八〇)の塩酸をイオン交換水を用いて上記酸性タイプ基準溶液に入るように調製する。
- ハ分析方法
本基準溶液は、冷暗所に保存し、三か月以内のものを使用する。使用に際しては、その都度分析を行う。分析方法については、純水五十ミリリットルに試料五・〇グラムを加えた溶液について〇・五モル毎リットルの水酸化ナトリウム溶液を用いて中和滴定を行い、使用された〇・五モル毎リットルの水酸化ナトリウム溶液の所要量に対応する塩酸を求めて含有率を算出する。この場合において、指示薬は、ブロムチモールブルー溶液とする。
- イ規格
- (四)測定は(二)イ~ニを三回行い、平均値を測定値とする。
- (五)本試験は、局部排気設備のある場所で換気に注意して行うこと。
-
- 二十九台所用、住宅用又は家具用の磨き剤
クレンザー(研磨材及び界面活性剤その他の添加剤から成り、主として研磨の用に供せられるもの(つや出しの用に供せられるものを除く。)。をいう。)
- (一)品名の表示に際しては、「クレンザー」の用語を用いて表示すること。
- (二)成分の表示に際しては、次のイからチまでに掲げるところによること。この場合において、成分の分析方法が日本工業規格K三三六二(家庭用合成洗剤試験方法)又はK三三〇四( 石けん試験方法)に規定されているものについては、当該試験方法によること。
- イ研磨材については、「研磨材」の用語を用いて表示することとし、その用語の次に括弧書きでその含有率を付記すること。この場合において、成分の分析は、日本工業規格K三三〇四( 石けん試験方法)の七・八に規定する試験方法(同七・七・三 b)に規定する「記号3」は「記号4」と読み替える。)によるものとし、表示値の誤差の許容範囲は、プラス・マイナス五とすること。
- ロ研磨材の種類については、次に掲げる種類の名称を示す用語を用いて含有率の表示の次に付記することができるものとする。
- (1)けい酸アルミニウム系鉱物
- (2)けい酸系鉱物
- (3)炭酸カルシウム系鉱物
- (4)アルミナ系鉱物
- ハ界面活性剤を含有するものについては、「界面活性剤」の用語を用いて表示することとし、その用語の次に括弧書きでその含有率及びその種類の名称を付記すること。この場合において、表示値の誤差の許容範囲はプラス・マイナス二とすること。
- ニ含有される界面活性剤のうちその含有率が三パーセント以上のものについては、ハの規定によりその種類の名称を示す用語を付記すること。なお、三パーセント未満の界面活性剤しか含まれていない場合には、その含有率が最も高いものの一つの種類の名称を示す用語を用いて表示すること。ただし、界面活性剤の種類の名称を知ることができないときその他界面活性剤の種類の名称を示す用語を表示しないことについてやむを得ない理由があるときは、界面活性剤の種類の名称を示す用語に代えて、界面活性剤の系別を示す用語を付記することができる。
- ホニの規定により種類の名称又は系別を表示する場合において、その種類の名称又は系別が次の表の上欄に掲げる界面活性剤の区分に応じ、同表の下欄又は中欄に掲げる界面活性剤の種類の名称又は系別を示す用語に該当するものであるときは、当該欄に掲げる用語を用いて表示すること。
界面活性剤の区分 界面活性剤の系別を示す用語 界面活性剤の種類の名称を示す用語 陰イオン系界面活性剤 脂肪酸系(脂肪酸塩又は脂肪酸エステル系界面活性剤以外の界面活性剤を含まないものをいう。以下この号において同じ。)(陰イオン) 純石けん分 アルファスルホ脂肪酸エステル塩 直鎖アルキルベンゼン系 直鎖アルキルベンゼンスルホン酸塩 高級アルコール系(陰イオン) アルキル硫酸エステル塩 アルキルエーテル硫酸エステル塩 アルファオレフィン系 アルファオレフィンスルホン酸塩 ノルマルパラフィン系 アルキルスルホン酸塩 非イオン系界面活性剤 脂肪酸系(非イオン) しょ糖脂肪酸エステル ソルビタン脂肪酸エステル ポリオキシエチレンソルビタン脂肪酸エステル ポリオキシエチレン脂肪酸エステル 高級アルコール系(非イオン) ポリオキシエチレンアルキルエーテル アルキルフェノール系 ポリオキシエチレンアルキルフェニルエーテル 両性イオン系界面活性剤 アミノ酸系 アルキルアミノ脂肪酸塩 ベタイン系 アルキルベタイン アミンオキシド系 アルキルアミンオキシド - ヘりん酸塩を五酸化りん(P2O5)換算で一パーセント以上含有しているものについては、「りん酸塩」の用語を用いて表示することとし、その用語の次に括弧書きで五酸化りん換算の含有率を付記すること。この場合において、表示値の誤差の許容範囲は、プラス・マイナス二とすること。
- ト研磨材、界面活性剤、りん酸塩又は漂白剤以外の成分(水を除く。)を含有しているものであって、その成分のうち含有率が十パーセント以上のものについては、その成分の種類の名称を示す用語を、機能の名称を示す用語の次に括弧書きで付記し、その含有率が一パーセント以上のものについては、その機能の名称を示す用語を用いてそれぞれ表示すること。
- チ漂白剤を配合しているものについては、「漂白剤」の用語を用いて表示すること。
- (三)液性の表示に際しては、次の表の上欄に掲げる水素イオン濃度(pH)の区分に応じ、それぞれ同表の下欄に掲げる液性を示す用語を用いて表示すること。この場合において、水素イオン濃度(pH)の測定は、液状のものについては原液について、液状のもの以外のものについては一リットルの水に十グラムの試料を分散、溶解させた液について日本工業規格Z八八〇二(pH測定方法)に定める方法により行うものとし、この場合の測定温度は二五度とすること。
水素イオン濃度(pH) 用語 十一・〇を超えるもの アルカリ性 十一・〇以下 八・〇を超えるもの 弱アルカリ性 八・〇以下 六・〇以上のもの 中性 六・〇未満 三・〇以上のもの 弱酸性 三・〇未満のもの 酸性 - (四)用途の表示に際しては、その用途を適切に表現した用語を用いて表示すること。
- (五)正味量の表示に際しては、計量法(平成四年法律第五十一号)第十二条(特定商品の計量)及び第十三条(密封をした特定商品に係る特定物象量の表記)に規定する特定物象量の表記に準ずるものとする。この場合の単位は、キログラム単位、グラム単位、リットル単位又はミリリットル単位によるものとすること。
- (六)使用上の注意の表示に際しては、次に掲げる事項を製品の品質に応じて適切に表示すること。ただし、該当する事項がない場合にはこの限りではない。
- イ子供の手が届くところに置かない旨。
- ロ万一目に入ったりした場合には、こすらずに水で洗い流す旨。
- ハ食器、調理器具等に使用する場合には、使用後水でよくすすぐ旨(食器、調理器具等の使用に適するものに限る。)。
- ニ飲み込んだ場合の応急処置方法を記載する旨。
- ホ用途外に使用しない旨。
- (七)表示には、表示した者の氏名又は名称及び住所又は電話番号を付記すること。
- (八)表示は、最小販売単位ごとに、その容器又は包装等消費者の見やすい箇所に本体から容易に離れない方法でわかりやすく記載してすること。
- (九)別記「塩素ガス発生試験(塩素系)」で規定する試験又はこれと同等以上の精度を有する試験で測定した結果、一・〇ppm以上塩素ガスを発生するものについては、次に掲げる特別注意事項を表示すること。
- イ「まぜるな 危険」
- ロ「塩素系」
- ハ
- (1)酸性タイプの製品と一緒に使う(まぜる)と有害な塩素ガスが出て危険である旨
- (2)目に入った時は、すぐに水で洗う旨
- (3)子供の手に触れないようにする旨
- (4)必ず換気を良くして使用する旨
- (十)特別注意事項の表示は、容器(箱に入っているものについては箱及び容器。以下同じ。)ごとに、商品名の記載のある面と同一の面の目立つ箇所に次により記載してすることとし、イ、ロ及びハの表示はそれぞれ隣接した位置に行うこと。
- イ「まぜるな 危険」の表示に際しては、枠を設け白地に「まぜるな 危険」と表示すること。「まぜるな」の文字は黄色に黒の縁どりをし、二八ポイント以上(製品の排除体積が二百十ミリリットル以下のものにあっては二六・二五ポイント以上)の大きさで表示することとし、「危険」の文字は赤色で、四二ポイント以上(製品の排除体積が二百十ミリリットル以下のものにあっては二六・二五ポイント以上)の大きさで表示すること。
- ロ「塩素系」の表示に際しては、枠を設け「塩素系」と黄系色で表示することとし、容器、ラベル等の色により「塩素系」の文字が目立たない場合は、ラベル又は枠内の色を変える等特に目立つ方法を用いて表示すること。文字の大きさは、当該製品の「使用上の注意」の表示に用いる文字の大きさより八ポイント以上大きくすること。
- ハ(1)から(4)までの事項の表示に際しては、枠を設け表示すること。この際、(1)については「酸性タイプ」及び「危険」の文字を用いて表示することとし、「酸性タイプ」及び「危険」の文字は赤系色で、当該製品の「使用上の注意」の表示に用いる文字の大きさより四ポイント以上大きくすること。「酸性タイプ」及び「危険」以外の文字に使用する文字の大きさは、当該製品の「使用上の注意」の表示に用いる文字の大きさより一ポイント以上大きくすること。
別記 塩素ガス発生試験(塩素系)
- (一)装置及び器具
次の図のような合成樹脂容器のふたに検知管及びファンを取り付け、ファンは下向きに送風できるようにする。

-
-
- (A)合成樹脂容器
プラスチック製ふた付容器(丸形)、呼び容量20リットル(但し容量の許容差はプラス10パーセント、マイナス4パーセントとする。)。使用時にはシール等により密閉性を良くすること。
- (B)塩素ガス検知管
試料採取量100ミリリットル1回において塩素ガス濃度0.5~10ppm程度の範囲を測定できるもの。
- (C)ガス採取器(100ミリリットル)
- (D)槽内撹拌用軸流ファン
羽根(数4~5枚、直径5~7センチメートル、片面面積220~320平方ミリメートル/枚で総面積1100~1300平方ミリメートルとなる角度付きのもの)、回転数50Hzで約2500rpm、60Hzで約3000rpm
- (E)10ミリリットルビーカー
- (F)スターラービース(長さ1センチメートル)
- (G)マグネチックスターラー
- (A)合成樹脂容器
- (二)測定方法
- イ合成樹脂容器の底に、ピペットを用いて(三)で定める酸性タイプ基準溶液三ミリリットルを入れた十ミリリットルビーカーを置く。
- ロ塩素系製品の原液三ミリリットル(又は三グラム)をイのビーカー内に加える。
- ハ直ちに容器のふたをして、マグネチックスターラーにて混合し、槽内をファンで撹拌する。
- ニ両液混合から五分間後、ガス採取器を検知管の後に接続して容器内のガスを百ミリリットル一回吸引して測定し、得られた数値から、次式により塩素ガス濃度を算出する。
塩素ガス濃度(ppm) = 測定塩素ガス濃度(ppm)÷3 × 合成樹脂容器の容量(リットル)÷20
- ホ室温、液温は二十度プラス・マイナス五度とする。
- (三)基準溶液
- イ規格
酸性タイプ基準溶液については、塩酸九・三~九・七パーセントとする。
- ロ調製方法
酸性タイプ基準溶液については、試薬特級(日本工業規格K八一八〇)の塩酸をイオン交換水を用いて上記酸性タイプ基準溶液に入るように調製する。
- ハ分析方法
本基準溶液は、冷暗所に保存し、三か月以内のものを使用する。使用に際しては、その都度分析を行う。分析方法については、純水五十ミリリットルに試料五・〇グラムを加えた溶液について〇・五モル毎リットルの水酸化ナトリウム溶液を用いて中和滴定を行い、使用された〇・五モル毎リットルの水酸化ナトリウム溶液の所要量に対応する塩酸を求めて含有率を算出する。この場合において、指示薬は、ブロムチモールブルー溶液とする。
- イ規格
- (四)測定は(二)イ~ニを三回行い、平均値を測定値とする。
- (五)本試験は、局部排気設備のある場所で換気に注意して行うこと。
-
その他の磨き剤(研磨材、有機溶剤、脂肪酸及び界面活性剤その他の添加剤から成り、つや出し及び研磨の用に供せられるものをいう。)
- (一)品名の表示に際しては、その品名の中に「磨き剤」の用語を用いて表示すること。
- (二)成分の表示に際しては、次のイからへまでに掲げるところによること。
- イ研磨材については、「研磨材」の用語を用いて表示することとし、その用語の次に括弧書きでその含有率を付記すること。この場合において、成分の分析は、日本工業規格K〇〇六七(化学製品の減量及び残分試験方法)の四・四に規定する試験方法(同規格中四・四・一の操作は(一)第一法により行う。)で行うものとし、表示値の誤差の許容範囲は、プラス・マイナス三とすること。
- ロ研磨材の種類については、次に掲げる種類の名称を示す用語を用いて含有率の表示の次に付記することができるものとする。
- (1)けい酸アルミニウム系鉱物
- (2)けい酸系鉱物
- (3)炭酸カルシウム系鉱物
- (4)アルミナ系鉱物
- ハ脂肪酸については、「脂肪酸」の用語を用いて表示すること。
- ニ機溶剤については、「有機溶剤」の用語を用いて表示すること。
- ホ研磨材、脂肪酸又は有機溶剤以外の成分を配合しているものについては、その成分の名称を示す用語を用いて付記することができる。
- へ界面活性剤を含有するものについては、「界面活性剤」の用語を用いて表示すること。
- (三)用途の表示に際しては、その用途を適切に表現した用語を用いて表示すること。
- (四)正味量の表示に際しては、計量法(平成四年法律第五十一号)第十二条(特定商品の計量)及び第十三条(密封をした特定商品に係る特定物象量の表記)に規定する特定物象量の表記に準ずるものとする。この場合の単位は、キログラム単位、グラム単位、リットル単位又はミリリットル単位によるものとすること。
- (五)使用上の注意の表示に際しては、次に掲げる事項を製品の品質に応じて適切に表示すること。ただし、該当する事項がない場合にはこの限りではない。
- イ子供の手が届くところに置かない旨。
- ロ万一目に入った場合には、こすらずに直ちに水で十分洗い流す旨。
- ハ火気のあるところでは使用しない旨(引火点が四十度以下のものに限る。)。
- ニ用途外に使用しない旨。
- (六)表示には、表示した者の氏名又は名称及び住所又は電話番号を付記すること。
- (七)表示は、最小販売単位ごとに、その容器又は包装等消費者の見やすい箇所に本体から容易に離れない方法でわかりやすく記載してすること。
- 三十浄水器
- (一)材料の種類の表示に際しては、浄水器本体、ホースその他の部分品の接水する部位に主として使用される材料の名称をそれぞれ適正に表示することとし、特にその材料が合成樹脂であるときは合成樹脂加工品品質表示規程(平成九年通商産業省告示第六百七十一号)第二条第一号の規定に準じて表示すること。なお、めっき、塗装等を施してあるものについては、材料の名称を示す用語の次に括弧を付してその旨を付記することができる。
- (二)ろ材の種類については、主たる浄水作用に係るろ材又は媒体(ろ過、吸着又は化学作用により水質に係る物質の除去又は減少の目的で使用される材料をいう。ただし、ろ材の流出防止等の目的で使用されるものを除く。以下同じ。)の種類を適正に表示することとし、特にその種類が次の表の上欄に掲げるろ材の種類に応ずるものであるときは、それぞれ同表の下欄に掲げるろ材の種類を示す用語を用いて表示すること。この場合において、ろ材の種類を示す用語の次に括弧書きでろ材の材料の種類を示す用語を付記することができる。また、材料として繊維を使用したものにあっては、繊維製品品質表示規程(平成九年通商産業省告示第五百五十八号)第六条第一項の規定に準じて表示すること。なお、二種類以上のろ材を使用している場合には、それぞれのろ材ごとにそのろ材の種類を示す用語を用いて表示すること。
ろ材の種類 ろ材の種類を示す用語 活性炭素繊維、粒状活性炭、粉状活性炭及びそれらを成型したもの 活性炭 織布 織布 不織布 不織布 多孔質平膜 多孔質平膜 多孔質中空繊維膜 中空糸膜 逆浸透膜 逆浸透膜 - (三)ろ過流量の表示に際しては、日本工業規格S三二〇一(家庭用浄水器試験方法)の六・一に定めるろ過流量試験の測定方法により得た数値をリットル単位で表示すること。この場合における誤差の許容範囲は、表示したろ過流量に対してマイナス五パーセントとすること。
- (四)使用可能な最小動水圧の表示に際しては、次のイ及びロに掲げるところによることとし、その動水圧をメガパスカル単位又はキロパスカル単位で表示すること(供給された水を貯留して使用するものを除く。)。この場合における誤差の許容範囲は、表示した最小動水圧に対してプラス十パーセントとすること。
- イ連続式のものにあっては、使用可能な最小動水圧の測定は、日本工業規格S三二〇一(家庭用浄水器試験方法)の六・二に定める最小動水圧試験の測定方法によることとし、使用可能な最小動水圧は、毎分〇・五リットル以上の流量が確保できる動水圧とすること。
- ロ回分式のもの(供給された水を貯留して使用するものを除く。)にあっては、別表第一の規定に基づいて表示するろ過流量を得ることができる最小の動水圧とすること。
- (五)浄水能力の表示に際しては、次のイからハに掲げるところによること。この場合において、除去対象物質に対する除去性能及びろ過能力の試験方法が日本工業規格S三二〇一(家庭用浄水器試験方法)に規定されているものについては、当該試験方法によること。
- イ浄水能力は、除去対象物質の名称を示す用語ごとに表示することとし、その用語の次に括弧書きでその総ろ過水量、除去率八十パーセントである旨及び日本工業規格S三二〇一(家庭用浄水器試験方法)に基づき測定した試験結果である旨を付記すること、この場合において、総ろ過水量はリットル単位で表示することとし、その場合の誤差の許容範囲は、表示したろ過能力に対してマイナス十パーセントとすること。
- ロ除去対象物質の名称については、次の表の上欄に掲げる区分に応じ、それぞれ同表の下欄に掲げる除去対象物質の種類を示す用語に該当するものであるときは、当該欄に掲げる用語を用いて表示すること。
除去対象物質の区分 除去対象物質の種類を示す用語 遊離残留塩素 遊離残留塩素 濁り(水中浮遊微粒子等の濁りを発生させる物質) 濁り 揮発性有機化合物 クロロホルム ブロモジクロロメタン ジブロモクロロメタン ブロモホルム テトラクロロエチレン トリクロロエチレン 一・一・一―トリクロロエタン 総トリハロメタン 農薬 二―クロロ―四・六―ビスエチルアミノ―一・三・五―トリアジン かび臭 二―メチルイソボルネオール 重金属 溶解性鉛 - 備考:
- 1総トリハロメタンの用語を用いる場合については、日本工業規格S三二〇一(家庭用浄水器試験方法)の六・四・三に規定する成分内容とすること。
- 2除去対象物質の種類を示す用語のうち、二―クロロ―四・六―ビスエチルアミノ―一・三・五―トリアジン及び二―メチルイソボルネオールについては除去対象物質の種類を示す用語として通常使用している略称に代えることができる。
- ハ総ろ過水量については、日本工業規格S三二〇一(家庭用浄水器試験方法)六・五の規定に係るろ過能力試験において当該除去物質の除去率が八十パーセントに低下するまでの総ろ過水量を表示すること。ただし、連続式のものに係る濁りについては、(三)の規定による当該ろ過流量が五十パーセントに低下するまでと除去率が八十パーセントに低下するまでのいずれか早い方までの総ろ過水量とすること。
- (六)回収率の表示に際しては、日本工業規格S三二〇一(家庭用浄水器試験方法)の六・三に定める回収率試験の測定方法により得た数値をパーセントで表示すること。この場合における誤差の許容範囲は、表示した回収率に対してマイナス十パーセントとすること(ろ材の種類が逆浸透膜のものに限る。)。
- (七)ろ材の取換時期の目安については、適切な取換の期間について具体的にわかりやすく表示すること。
- (八)使用上の注意の表示に際しては、次に掲げる事項を製品の品質に応じて適切に表示すること。ただし、該当する事項がない場合にはこの限りではない。
- イ水道水など通常の飲料に供する水を使用する旨。
- ロろ材の取換時期の目安は使用水量、水質、水圧により異なることがある旨。
- ハ熱湯を流さない旨。
- ニ浄水した水はできるだけ早く使用する旨。
- ホ夜間など長時間使用しなかった場合においては、水質悪化のおそれがあるので適切な放流時間をとる旨。
- ヘ凍結の恐れのある場所に設置する場合は、内部を凍結させないよう注意する旨。
- トろ材の種類が逆浸透膜のものについては、排出される捨て水がある旨。
- (九)表示には、表示した者の氏名又は名称及び住所又は電話番号を付記すること。
- (十)表示は、最小販売単位ごとに、消費者の見やすい箇所にわかりやすく記載してすること。ただし、使用上の注意の表示については、ラベルの貼り付け等本体から容易に離れない方法で行うこと。また、交換用ろ材が販売される場合は、それぞれ該当する表示事項を表示すること。
附 則 (平成二十五年六月十一日内閣府告示第百三十七号)
- 1この告示は、平成二十五年六月十一日から施行する。
- 2平成二十五年十一月三十日までの間に雑貨工業品の品質に関する表示が行われるものについては、なお従前の例によることができる。
- 3前項の規定に基づき雑貨工業品の品質に関する表示が行われたものについては、この規定は適用しない。
担当:表示対策課