雑貨工業品品質表示規程(二十八 台所用、住宅用又は家具用の磨き剤)
別表第二(第二条関係)
二十八台所用、住宅用又は家具用の磨き剤
クレンザー
クレンザー(研磨材及び界面活性剤その他の添加剤から成り、主として研磨の用に供せられるもの(艶出しの用に供せられるものを除く。)をいう。)
- (一)品名の表示に際しては、「クレンザー」の用語を用いて表示すること。
- (二)成分の表示に際しては、次のイからチまでに掲げるところによること。この場合において、成分の分析方法が日本産業規格K三三六二(家庭用合成洗剤試験方法)又はK三三〇四(石けん試験方法)に規定されているものについては、当該試験方法によること。
- イ研磨材については、「研磨材」の用語を用いて表示することとし、その用語の次に括弧書きでその含有率を付記すること。この場合において、成分の分析は、日本産業規格K三三〇四(石けん試験方法)の七・八に規定する試験方法(同七・七・三b)に規定する「記号三」は「記号四」と読み替える。)によるものとし、表示値の誤差の許容範囲は、プラス・マイナス五以内とすること。
- ロ研磨材の種類については、次に掲げる種類の名称を示す用語を用いて含有率の表示の次に付記することができるものとする。
- (1)けい酸アルミニウム系鉱物
- (2)けい酸系鉱物
- (3)炭酸カルシウム系鉱物
- (4)アルミナ系鉱物
- ハ界面活性剤を含有するものについては、「界面活性剤」の用語を用いて表示することとし、その用語の次に括弧書きでその含有率及びその種類の名称を付記すること。この場合において、表示値の誤差の許容範囲はプラス・マイナス二以内とする。
- ニ含有される界面活性剤のうちその含有率が三パーセント以上のものについては、ハの規定によりその種類の名称を示す用語を付記すること。なお、三パーセント未満の界面活性剤しか含まれていない場合には、その含有率が最も高いものの一つの種類の名称を示す用語を用いて表示すること。ただし、界面活性剤の種類の名称を知ることができないときその他界面活性剤の種類の名称を示す用語を表示しないことについてやむを得ない理由があるときは、界面活性剤の種類の名称を示す用語に代えて、界面活性剤の系別を示す用語を付記することができる。
- ホニの規定により種類の名称又は系別を表示する場合において、その種類の名称又は系別が次の表の上欄に掲げる界面活性剤の区分に応じ、同表の下欄又は中欄に掲げる界面活性剤の種類の名称又は系別を示す用語に該当するものであるときは、当該欄に掲げる用語を用いて表示すること。
界面活性剤の区分 界面活性剤の系別を示す用語 界面活性剤の種類の名称を示す用語 陰イオン系界面活性剤 脂肪酸系(脂肪酸又は脂肪酸エステル系界面活性剤以外の界面活性剤を含まないものをいう。以下この号において同じ。)(陰イオン) 純石けん分
アルファスルホ脂肪酸エステル塩直鎖アルキルベンゼン系 直鎖アルキルベンゼンスルホン酸塩 高級アルコール系(陰イオン) アルキル硫酸エステル塩
アルキルエーテル硫酸エステル塩アルファオレフィン系 アルファオレフィンスルホン酸塩 ノルマルパラフィン系 アルキルスルホン酸塩 非イオン系界面活性剤 脂肪酸系(非イオン) しょ糖脂肪酸エスル
ソルビタン脂肪酸エステル
ポリオキシエチレンソルビタン脂肪酸エステル
ポリオキシエチレン脂肪酸エステル高級アルコール系(非イオン) ポリオキシエチレンアルキルエーテル アルキルフェノール系 ポリオキシエチレンアルキルフェニルエーテル 両性イオン系界面活性剤 アミノ酸系 アルキルアミノ脂肪酸塩 ベタイン系 アルキルベタイン アミンオキシド系 アルキルアミンオキシド - ヘりん酸塩を五酸化りん(P2O5)換算で一パーセント以上含有しているものについては、「りん酸塩」の用語を用いて表示することとし、その用語の次に括弧書きで五酸化りん換算の含有率を付記すること。この場合において、表示値の誤差の許容範囲は、プラス・マイナス二以内とすること。
- ト研磨材、界面活性剤、りん酸塩又は漂白剤以外の成分(水を除く。)を含有しているものであって、その成分のうち含有率が十パーセント以上のものについては、その成分の種類の名称を示す用語を、機能の名称を示す用語の次に括弧書きで付記し、その含有率が一パーセント以上のものについては、その機能の名称を示す用語を用いてそれぞれ表示すること。
- チ漂白剤を配合しているものについては、「漂白剤」の用語を用いて表示すること。
- (三)液性の表示に際しては、次の表の上欄に掲げる水素イオン濃度(pH)の区分に応じ、それぞれ同表の下欄に掲げる液性を示す用語を用いて表示すること。この場合において、水素イオン濃度(pH)の測定は、液状のものについては原液について、液状のもの以外のものについては一リットルの水に十グラムの試料を分散、溶解させた液について日本産業規格Z八八〇二(pH測定方法)に定める方法により行うものとし、この場合の測定温度は二十五度とすること。
水素イオン濃度(pH) 用語 十一・〇を超えるもの アルカリ性 十一・〇以下八・〇を超えるもの 弱アルカリ性 八・〇以下六・〇以上のもの 中性 六・〇未満三・〇以上のもの 弱酸性 三・〇未満のもの 酸性 - (四)用途の表示に際しては、その用途を適切に表現した用語を用いて表示すること。
- (五)正味量の表示に際しては、計量法(平成四年法律第五十一号)第十二条(特定商品の計量)及び第十三条(密封をした特定商品に係る特定物象量の表記)に規定する特定物象量の表記に準ずるものとする。この場合の単位は、キログラム単位、グラム単位、リットル単位又はミリリットル単位によること。
- (六)使用上の注意の表示に際しては、次に掲げる事項を製品の品質に応じて適切に表示すること。ただし、該当する事項がない場合にはこの限りではない。
- イ子供の手が届くところに置かない旨。
- ロ万一目に入った場合には、こすらずに水で洗い流す旨。
- ハ食器、調理器具等に使用する場合には、使用後水でよくすすぐ旨(食器、調理器具等の使用に適するものに限る。)。
- ニ飲み込んだ場合の応急処置方法。
- ホ用途外に使用しない旨。
- (七)表示には、表示した者の氏名又は名称及び住所又は電話番号を付記すること。
- (八)表示は、最小販売単位ごとに、その容器又は包装等消費者の見やすい箇所に本体から容易に離れない方法で分かりやすく記載してすること。
- (九)別記一 「塩素ガス発生試験(酸性タイプ)」で規定する試験又はこれと同等以上の精度を有する試験で測定した結果、一・〇ppm以上塩素ガスを発生するものについては、次に掲げる特別注意事項を表示すること。
- イ「まぜるな 危険」
- ロ「酸性タイプ」
- ハ塩素系の製品と一緒に使う(混ぜる)と有害な塩素ガスが出て危険である旨。
- (十)特別注意事項の表示は、容器(箱に入っているものについては箱及び容器。以下同じ。)ごとに、商品名の記載のある面と同一の面の目立つ箇所に次により記載してすることとし、イ、ロ及びハの表示はそれぞれ隣接した位置に行うこと。
- イ「まぜるな 危険」の表示に際しては、枠を設け白地に「まぜるな 危険」と表示すること。「まぜるな」の文字は黄色に黒の縁取りをし、二十八ポイント以上(製品の排除体積(キャップを含む。以下同じ。)が二百十ミリリットル以下のものにあっては二十六・二五ポイント以上)の大きさで表示することとし、「危険」の文字は赤色で、四十二ポイント以上(製品の排除体積が二百十ミリリットル以下のものにあっては二十六・二五ポイント以上)の大きさで表示すること。
- ロ「酸性タイプ」の表示に際しては、枠を設け「酸性タイプ」と赤系色で表示することとし、容器、ラベル等の色により「酸性タイプ」の文字が目立たない場合は、ラベル又は枠内の色を変える等特に目立つ方法を用いて表示すること。文字の大きさは、当該製品の「使用上の注意」の表示に用いる文字の大きさより八ポイント以上大きくすること。
- ハ塩素系の製品と一緒に使うと有害な塩素ガスが出て危険である旨の表示に際しては、枠を設け「塩素系」及び「危険」の文字を用いて表示すること。「塩素系」及び「危険」の文字は赤系色で、当該製品の「使用上の注意の表示に用いる文字の大きさより四ポイント以上大きくすることとし、「塩素系」及び「危険」以外の文字に使用する文字の大きさは、当該製品の「使用上の注意」の表示に用いる文字の大きさより一ポイント以上大きくすること。
- (十一)別記二「塩素ガス発生試験(塩素系)」で規定する試験又はこれと同等以上の精度を有する試験で測定した結果、一・〇ppm以上塩素ガスを発生するものについては、次に掲げる特別注意事項を表示すること。
- イ「まぜるな 危険」
- ロ「塩素系」
- ハ
- (1)酸性タイプの製品と一緒に使う(混ぜる)と有害な塩素ガスが出て危険である旨。
- (2)目に入った時は、すぐに水で洗う旨。
- (3)子供の手に触れないようにする旨。
- (4)必ず換気を良くして使用する旨。
- (十二)特別注意事項の表示は、容器ごとに、商品名の記載のある面と同一の面の目立つ箇所に次により記載してすることとし、イ、ロ及びハの表示はそれぞれ隣接した位置に行うこと。
- イ「まぜるな 危険」の表示に際しては、枠を設け白地に「まぜるな 危険」と表示すること。「まぜるな」の文字は黄色に黒の縁取りをし、二十八ポイント以上(製品の排除体積が二百十ミリリットル以下のものにあっては二十六・二五ポイント以上)の大きさで表示することとし、「危険」の文字は赤色で、四十二ポイント以上(製品の排除体積が二百十ミリリットル以下のものにあっては二十六・二五ポイント以上)の大きさで表示すること。
- ロ「塩素系」の表示に際しては、枠を設け「塩素系」と黄系色で表示することとし、容器、ラベル等の色により「塩素系」の文字が目立たない場合は、ラベル又は枠内の色を変える等特に目立つ方法を用いて表示すること。文字の大きさは、当該製品の「使用上の注意」の表示に用いる文字の大きさより八ポイント以上大きくすること。
- ハ(1)から(4)までの事項の表示に際しては、枠を設け表示すること。この際、(1)については「酸性タイプ」及び「危険」の文字を用いて表示することとし、「酸性タイプ」及び「危険」の文字は赤系色で、当該製品の「使用上の注意」の表示に用いる文字の大きさより四ポイント以上大きくすること。「酸性タイプ」及び「危険」以外の文字に使用する文字の大きさは、当該製品の「使用上の注意」の表示に用いる文字の大きさより一ポイント以上大きくすること。
別記一塩素ガス発生試験(酸性タイプ)
- (一)装置及び器具
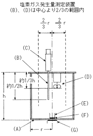
次の図のような合成樹脂容器の蓋に検知管及びファンを取り付け、ファンは下向きに送風できるようにする。
図中(A)~(G)の内容については以下のとおり。
- (A)合成樹脂容器
プラスチック製蓋付容器(丸形)、呼び容量二十リットル(ただし容量の許容差はプラス十パーセント、マイナス四パーセントとする。)。使用時にはシール等により密閉性を良くすること。 - (B)塩素ガス検知管
試料採取量百ミリリットル一回において塩素ガス濃度〇・五~十ppm程度の範囲を測定できるもの。 - (C)ガス採取器(百ミリリットル)
- (D)槽内攪拌(かくはん)用軸流ファン
羽根(数四~五枚、直径五~七センチメートル、片面面積二百二十~三百二十平方ミリメートル/枚で総面積千百~千三百平方ミリメートルとなる角度付きのもの)、回転数五十Hzで約二千五百rpm、六十ヘルツで約三千rpm - (E)十ミリリットルビーカー
- (F)スターラービース(長さ一センチメートル)
- (G)マグネチックスターラー
- (A)合成樹脂容器
- (二)測定方法
- イ合成樹脂容器の底に、ピペットを用いて酸性タイプの製品の原液三ミリリットル(又は三グラム)を入れた十ミリリットルビーカーを置く。
- ロ(三)で定める塩素系基準溶液三ミリリットルをイのビーカー内に加える。
- ハ直ちに容器の蓋をして、マグネチックスターラーにて混合し、槽内をファンで攪拌(かくはん)する。
- ニ両液混合から五分間後、ガス採取器を検知管の後に接続して容器内のガスを百ミリリットル一回吸引して測定し、得られた数値から、次式により塩素ガス濃度を算出する。

- ホ室温、液温は二十度プラス・マイナス五度とする。
- (三)基準溶液
- イ規格
塩素系基準溶液については、次亜塩素酸ナトリウム四・八~五・二パーセント及び水酸化ナトリウム〇・九~一・一パーセントの混合溶液とする。
- ロ調製方法
塩素系基準溶液については、工業用次亜塩素酸ナトリウム水溶液(次亜塩素酸ナトリウム約十三パーセント、水酸化ナトリウム約〇・三パーセント)を(三)ハと同様の方法で分析し、次亜塩素酸ナトリウム及び水酸化ナトリウムの正確な濃度を得た上で、イオン交換水と試薬特級(日本産業規格K八五七六(水酸化ナトリウム(試薬)))の水酸化ナトリウムを用いて上記塩素系基準溶液の規格に入るように調製する。
- ハ分析方法
本基準溶液は、冷暗所に保存し、三か月以内のものを使用する。使用に際しては、その都度分析を行う。分析方法は以下のとおり。
次亜塩素酸ナトリウムについては、基準溶液を一・〇グラムないし一・五グラム精秤し、イオン交換水を五十ミリリットルとヨウ化カリウム二グラム及び酢酸十ミリリットルを加え、遊離したヨウ素を〇・一モル毎リットルのチオ硫酸ナトリウム溶液を用いて酸化還元滴定を行い、〇・一モル毎リットルのチオ硫酸ナトリウム溶液の所要量に対応する次亜塩素酸ナトリウムを求めて含有率を算出する。
水酸化ナトリウムについては、純水五十ミリリットルに基準溶液を五・〇グラム加えた溶液に、水酸化ナトリウムで中和した過酸化水素水を上記基準溶液内に発泡がなくなるまで少量ずつ滴下して次亜塩素酸ナトリウムを分解した後、〇・五モル毎リットルの塩酸を用いて中和滴定を行い、〇・五モル毎リットルの塩酸の所要量に対応する水酸化ナトリウムを求めて含有率を算出する。この場合において、指示薬は、ブロムチモールブルー溶液とする。
- イ規格
- (四)測定は(二)イ~ニを三回行い、平均値を測定値とする。
- (五)本試験は、局部排気設備のある場所で換気に注意して行うこと。
別記二別記二 塩素ガス発生試験(塩素系)
- (一)装置及び器具
別記一 塩素ガス発生試験(酸性タイプ)に同じ。 - (二)測定方法
- イ合成樹脂容器の底に、ピペットを用いて(三)で定める酸性タイプ基準溶液三ミリリットルを入れた十ミリリットルビーカーを置く。
- ロ塩素系製品の原液三ミリリットル(又は三グラム)をイのビーカー内に加える。
- ハ直ちに容器の蓋をして、マグネチックスターラーにて混合し、槽内をファンで攪拌(かくはん)する。
- ニ両液混合から五分間後、ガス採取器を検知管の後に接続して容器内のガスを百ミリリットル一回吸引して測定し、得られた数値から、次式により塩素ガス濃度を算出する。

- ホ室温、液温は二十度プラス・マイナス五度とする。
- (三)基準溶液
- イ規格
酸性タイプの基準溶液については、塩酸九・三~九・七パーセントとする。 - ロ調製方法
酸性タイプ基準溶液については、試薬特級(日本産業規格K八一八〇(塩酸(試薬)))の塩酸をイオン交換水を用いて上記酸性タイプ基準溶液に入るように調製する。 - ハ分析方法
本基準溶液は、冷暗所に保存し、三か月以内のものを使用する。使用に際しては、その都度分析を行う。分析方法については、純水五十ミリリットルに試料五・〇グラムを加えた溶液を用いて中和滴定を行い、使用された〇・五モル毎リットルの水酸化ナトリウム溶液の所要量に対応する塩酸を求めて含有率を算出する。この場合において、指示薬は、ブロムチモールブルー溶液とする。
- イ規格
- (四)測定は(二)イ~ニを三回行い、平均値を測定値とする。
- (五)本試験は、局部排気設備のある場所で換気に注意して行うこと。
その他の磨き剤
その他の磨き剤(研磨材、有機溶剤、脂肪酸及び界面活性剤その他の添加剤から成り、艶出し及び研磨の用に供せられるものをいう。)
- (一)品名の表示に際しては、その品名の中に「磨き剤」の用語を用いて表示すること。
- (二)成分の表示に際しては、次のイからヘまでに掲げるところによること。
- イ研磨材については、「研磨材」の用語を用いて表示することとし、その用語の次に括弧書きでその含有率を付記すること。この場合において、成分の分析は、日本産業規格K〇〇六七(化学製品の減量及び残分試験方法)の四・四に規定する試験方法(同規格中四・四・一の操作は、(一)第一法により行う。)で行うものとし、表示値の誤差の許容範囲は、プラス・マイナス三以内とすること。
- ロ研磨材の種類については、次に掲げる種類の名称を示す用語を用いて含有率の表示の次に付記することができるものとする。
- (1)けい酸アルミニウム系鉱物
- (2)けい酸系鉱物
- (3)炭酸カルシウム系鉱物
- (4)アルミナ系鉱物
- ハ脂肪酸については、「脂肪酸」の用語を用いて表示すること。
- ニ有機溶剤については、「有機溶剤」の用語を用いて表示すること。
- ホ研磨材、脂肪酸又は有機溶剤以外の成分を配合しているものについては、その成分の名称を示す用語を用いて付記することができる。
- ヘ界面活性剤を含有するものについては、「界面活性剤」の用語を用いて表示すること。
- (三)用途の表現に際しては、その用途を適切に表現した用語を用いて表現すること。
- (四)正味量の表示に際しては、計量法(平成四年法律第五十一号)第十二条(特定商品の計量)及び第十三条(密封をした特定商品に係る特定物象量の表記)に規定する特定物象量の表記に準ずるものとする。この場合の単位は、キログラム単位、グラム単位、リットル単位又はミリリットル単位によるものとすること。
- (五)使用上の注意の表示に際しては、次に掲げる事項を製品の品質に応じて適切に表示すること。ただし、該当する事項がない場合にはこの限りではない。
- イ子供の手が届くところに置かない旨。
- ロ万一目に入った場合には、こすらずに直ちに水で十分洗い流す旨。
- ハ火気のあるところでは使用しない旨(引火点が四十度以下のものに限る。)。
- ニ用途外に使用しない旨。
- (六)表示には、表示した者の氏名又は名称及び住所又は電話番号を付記すること。
- (七)表示は、最小販売単位ごとに、その容器又は包装等消費者の見やすい箇所に本体から容易に離れない方法で分かりやすく記載してすること。
担当:表示対策課