雑貨工業品品質表示規程(二十七 合成洗剤、洗濯用又は台所用の石けん及び住宅用又は家具用の洗浄剤)
別表第二(第二条関係)
二十七合成洗剤、洗濯用又は台所用の石けん及び住宅用又は家具用の洗浄剤
合成洗剤
合成洗剤(界面活性剤又は界面活性剤及び洗浄補助剤その他の添加剤から成り、その主たる洗浄の作用が純石けん分(脂肪酸塩であって、その含有率が日本産業規格K三三〇四(石けん試験方法)により求められるものをいう。以下同じ。)以外の界面活性剤の界面活性作用によるもの(洗濯用に供されるものについては、純石けん分以外の界面活性剤の含有重量が界面活性剤の総含有重量の三十パーセントを超えるものに限り、台所用に供されるものについては、純石けん分以外の界面活性剤の含有重量が界面活性剤の総含有重量の四十パーセントを超えるものに限る。)をいう。)
- (一)品名の表示に際しては、次の表の上欄に掲げる区分に応じ、それぞれ同表の下欄に掲げる品名を示す用語を用いて表示すること。
区分 用語 洗濯用に供されるもの 洗濯用合成洗剤 台所用に供されるもの 台所用合成洗剤 前二項上欄に掲げるもの以外のもの その用途を適切に表現した用語に「合成洗剤」の用語を付したもの - (二)成分の表示は、次のイからチまでに掲げるところによること。この場合において、成分の分析の方法が日本産業規格K三三六二(家庭用合成洗剤試験方法)又はK三三〇四(石けん試験方法)に規定されているものについては、当該試験方法によること。
- イ界面活性剤については、「界面活性剤」の用語を用いて表示することとし、その用語の次に括弧書きでその含有率及び種類の名称を付記すること。この場合において、表示値の誤差の許容範囲は、界面活性剤の含有率が二十五パーセント未満のものにあっては、プラス・マイナス二以内、その含有率が二十五パーセント以上のものにあっては、表示値のプラス・マイナス八パーセント以内とする。
- ロ含有される界面活性剤のうちその含有率が三パーセント以上のものについては、イの規定により、その種類の名称を示す用語を付記すること。なお、三パーセント未満の界面活性剤しか含まれていない場合には、その含有率が最も高いものの一つの種類の名称を示す用語を用いて表示すること。ただし、界面活性剤の種類の名称を知ることができないときその他界面活性剤の種類の名称を示す用語を表示しないことについてやむを得ない理由があるときは、界面活性剤の種類の名称を示す用語に代えて、界面活性剤の系別を示す用語を付記することができる。
- ハロの規定により種類の名称又は系別を表示する場合において、その種類の名称又は系別が次の表の上欄に掲げる界面活性剤の区分に応じ、同表の下欄又は中欄に掲げる界面活性剤の種類の名称又は系別を示す用語に該当するものであるときは、当該欄に掲げる用語を用いて表示すること。
界面活性
剤の区分界面活性剤の系別
を示す用語界面活性剤の種類の名称を示す用語 陰イオン系界面活性剤 脂肪酸系(陰イオン) 純石けん分(脂肪酸ナトリウム)
純石けん分(脂肪酸カリウム)
アルファスルホ脂肪酸エステルナトリウム直鎖アルキルベンゼン系 直鎖アルキルベンゼンスルホン酸ナトリウム 高級アルコール系(陰イオン) アルキル硫酸エステルナトリウム
アルキルエーテル硫酸エステルナトリウムアルファオレフィン系 アルファオレフィンスルホン酸ナトリウム ノルマルパラフィン系 アルキルスルホン酸ナトリウム 非イオン系界面活性剤 脂肪酸系(非イオン) しょ糖脂肪酸エステル
ソルビタン脂肪酸エステル
ポリオキシエチレンソルビタン脂肪酸エステル
脂肪酸アルカノールアミド高級アルコール系(非イオン) ポリオキシエチレンアルキルエーテル アルキルフェノール系 ポリオキシエチレンアルキルフェニルエーテル 両性イオン系界面活性剤 アミノ酸系 アルキルアミノ脂肪酸ナトリウム ベタイン系 アルキルベタイン アミンオキシド系 アルキルアミンオキシド 陽イオン系界面活性剤 第四級アンモニウム塩系 アルキルトリメチルアンモニウム塩
ジアルキルジメチルアンモニウム塩- 備考界面活性剤の種類の名称を示す用語のうち直鎖アルキルベンゼンスルホン酸ナトリウムについては、界面活性剤の種類として通常使用している略称に代えることができる。
- ニロ及びハの規定により種類の名称又は系別を表示する場合において、表示すべき界面活性剤の種類の名称又は系別の数が二以上あるときは、その種類又は系別に属する界面活性剤の含有率が大きいものから順次種類の名称又は系別を示す用語を列記すること。
- ホロの規定による界面活性剤の種類の名称を示す用語の表示の次に界面活性剤の系別を示す用語を付記することができることとし、この場合において、その系別がこの表の中欄に掲げる界面活性剤の系別を示す用語に該当するものであるときは、当該用語を用いて表示すること。
- ヘりん酸塩を五酸化りん(P2O5)換算で一パーセント以上含有しているものについては、「リン酸塩」の用語を用いて表示することとし、その用語の次に括弧書きで五酸化りん換算の含有率を付記すること。この場合において、表示値の誤差の許容範囲は、プラス・マイナス二以内とする。
- トりん酸塩以外の洗浄補助剤その他の添加剤のうちその含有率が十パーセント以上のものについては、その成分の機能の名称の次に括弧書きで種類の名称を示す用語を用いて表示すること。また、その含有率が一パーセント以上のものについては、その機能の名称を示す用語を用いて表示すること。この場合において、その種類が次に掲げる種類の名称に応ずるものであるときは、それぞれ次に掲げる種類の名称を示す用語を用いて表示すること。
- (1)炭酸塩
- (2)けい酸塩
- (3)硫酸塩
- (4)アルミノけい酸塩
- (5)エチルアルコール
- (6)尿素
- チ蛍光剤、酵素又は漂白剤を配合しているものについては、「蛍光増白剤」、「酵素」又は「漂白剤」の用語を表示すること。
- (三)液性の表示に際しては、次の表の上欄に掲げる水素イオン濃度(pH)の区分に応じ、それぞれ同表の下に掲げる液性を示す用語を用いて表示すること。この場合において、水素イオン濃度(pH)の測定は、液状のものについては原液について日本産業規格Z八八〇二(pH測定方法)に定める方法により、液状のもの以外のものについては使用適量を用いた溶液について日本産業規格K三三六二(家庭用合成洗剤試験方法)の八・三「pH値」に定める方法により行うものとする。この場合の測定温度は二十五度とすること。なお、時の経過により液性が変化するものについては、製造時における液性及び当該変化後における液性を示す用語を用いて表示するとともに、液性の経時変化があるので注意すべき旨を括弧書きで付記すること。
水素イオン濃度(pH) 用語 十一・〇を超えるもの アルカリ性 十一・〇以下八・〇を超えるもの 弱アルカリ性 八・〇以下六・〇以上のもの 中性 六・〇未満三・〇以上のもの 弱酸性 三・〇未満のもの 酸性 - (四)用途の表示に際しては、その用途を適切に表現した用語を用いて表示すること。
- (五)正味量の表示に際しては、計量法(平成四年法律第五十一号)第十二条(特定商品の計量)及び第十三条(密封をした特定商品に係る特定物象量の表記)に規定する特定物象量の表記に準ずるものとする。この場合の単位は、計量法に基づく法定計量単位のうちのキログラム単位、グラム単位、リットル単位又はミリリットル単位によるものとする。
- (六)使用量の目安の表示に際しては、使用の適量について具体的に分かりやすく表示すること。
- (七)使用上の注意の表示に際しては、次に掲げる事項を製品の品質に応じて適切に表示すること。ただし、該当する事項がない場合にはこの限りではない。
- イ子供の手が届くところに置かない旨。
- ロ野菜及び果物を五分間以上漬けたままにしない旨(野菜及び果物の洗浄に適するものに限る。)。
- ハ流水を用いてすすぐ場合には、野菜及び果物は三十秒間以上、食器及び調理用具は五秒間以上すすぎ、ため水を用いてすすぐ場合には、ため水を替えて二回以上すすぐ旨(野菜及び果物の洗浄に適する合成洗剤に限る。)。
- ニ流水を用いて食器又は調理用具をすすぐ場合には、五秒間以上すすぎ、ため水を用いてすすぐ場合には、ため水を替えて二回以上すすぐ旨(野菜及び果物の洗浄に適さない合成洗剤に限る。)。
- ホ用途外に使用しない旨。
- ヘ万一飲み込んだり、目に入ったりした場合には、応急処置を行い、医師に相談する旨。
- (八)表示には、表示した者の氏名又は名称及び住所又は電話番号を付記すること。
- (九)表示は、最小販売単位ごとに、その容器又は包装等消費者の見やすい箇所に本体から容易に離れない方法で分かりやすく記載してすること。
- (十)別記「塩素ガス発生試験(酸性タイプ)で規定する試験又はこれと同等以上の精度を有する試験で測定した結果、一・〇ppm以上塩素ガスを発生するものについては、次に掲げる特別注意事項を表示すること。
- イ「まぜるな 危険」
- ロ「酸性タイプ」
- ハ塩素系の製品と一緒に使う(混ぜる)と有害な塩素ガスが出て危険である旨。
- (十一)特別注意事項の表示は、容器(箱に入っているものについては箱及び容器。以下同じ。)ごとに、商品名の記載のある面と同一の面の目立つ箇所に次により記載してすることとし、イ、ロ及びハの表示はそれぞれ隣接した位置に行うこと。
- イ「まぜるな 危険」の表示に際しては、枠を設け白地に「まぜるな 危険」と表示すること。「まぜるな」の文字は黄色に黒の縁取りをし、二十八ポイント以上(製品の排除体積(キャップを含む。以下同じ。)が二百十ミリリットル以下のものにあっては二十六・二五ポイント以上)の大きさで表示することとし、「危険」の文字は赤色で、四十二ポイント以上(製品の排除体積が二百十ミリリットル以下のものにあっては二十六・二五ポイント以上)の大きさで表示すること。
- ロ「酸性タイプ」の表示に際しては、枠を設け「酸性タイプ」と赤系色で表示することとし、容器、ラベル等の色により「酸性タイプ」の文字が目立たない場合は、ラベル又は枠内の色を変える等特に目立つ方法を用いて表示すること。文字の大きさは、当該製品の「使用上の注意」の表示に用いる文字の大きさより八ポイント以上大きくすること。
- ハ塩素系の製品と一緒に使うと有害な塩素ガスが出て危険である旨の表示に際しては、枠を設け「塩素系」及び「危険」の文字を用いて表示すること。「塩素系」及び「危険」の文字は赤系色で、当該製品の「使用上の注意」の表示に用いる文字の大きさより四ポイント以上大きくすることとし、「塩素系」及び「危険」以外の文字に使用する文字の大きさは、当該製品の「使用上の注意」の表示に用いる文字の大きさより一ポイント以上大きくすること。
別記塩素ガス発生試験(酸性タイプ)
- (一)装置及び器具
-
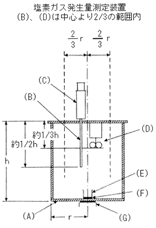
次の図のような合成樹脂容器の蓋に検知管及びファンを取り付け、ファンは下向きに送風できるようにする。
図中(A)~(G)の内容については以下のとおり。
- (A)合成樹脂容器
プラスチック製蓋付容器(丸形)、呼び容量二十リットル(ただし容量の許容差はプラス十パーセント、マイナス四パーセントとする。)。使用時にはシール等により密閉性を良くすること。 - (B)塩素ガス検知管
試料採取量百ミリリットル一回において塩素ガス濃度〇・五~十ppm程度の範囲を測定できるもの。 - (C)ガス採取器(百ミリリットル)
- (D)槽内攪拌(かくはん)用軸流ファン
羽根(数四~五枚、直径五~七センチメートル、片面面積二百二十~三百二十平方ミリメートル/枚で総面積千百~千三百平方ミリメートルとなる角度付きのもの)、回転数五十ヘルツで約二千五百rpm、六十ヘルツで約三千rpm - (E)十ミリリットルビーカー
- (F)スターラービース(長さ一センチメートル)
- (G)マグネチックスターラー
-
- (二)測定方法
- イ合成樹脂容器の底に、ピペットを用いて酸性タイプの製品の原液三ミリリットル(又は三グラム)を入れた十ミリリットルビーカーを置く。
- ロ(三)で定める塩素系基準溶液三ミリリットルをイのビーカー内に加える。
- ハ直ちに容器の蓋をして、マグネチックスターラーにて混合し、槽内をファンで攪拌(かくはん)する。
- ニ両液混合から五分間後、ガス採取器を検知管の後に接続して容器内のガスを百ミリリットル一回吸引して測定し、得られた数値から、次式により塩素ガス濃度を算出する。

- ホ室温、液温は二十度プラス・マイナス五度とする。
- (三)基準溶液
- イ規格
塩素系基準溶液については、次亜塩素酸ナトリウム四・八~五・二パーセント及び水酸化ナトリウム〇・九~一・一パーセントの混合溶液とする。
- ロ調製方法
塩素系基準溶液については、工業用次亜塩素酸ナトリウム水溶液(次亜塩素酸ナトリウム約十三パーセント、水酸化ナトリウム約〇・三パーセント)を(三)ハと同様の方法で分析し、次亜塩素酸ナトリウム及び水酸化ナトリウムの正確な濃度を得た上で、イオン交換水と試薬特級(日本産業規格K八五七六(水酸化ナトリウム(試薬)))の水酸化ナトリウムを用いて上記塩素系基準溶液の規格に入るように調製する。
- ハ分析方法
本基準溶液は、冷暗所に保存し、三か月以内のものを使用する。使用に際しては、その都度分析を行う。分析方法は以下のとおり。
次亜塩素酸ナトリウムについては、基準溶液を一・〇グラムないし一・五グラム精秤し、イオン交換水を五十ミリリットルとヨウ化カリウム二グラム及び酢酸十ミリリットルを加え、遊離したヨウ素を〇・一モル毎リットルのチオ硫酸ナトリウム溶液を用いて酸化還元滴定を行い、〇・一モル毎リットルのチオ硫酸ナトリウム溶液の所要量に対応する次亜塩素酸ナトリウムを求めて含有率を算出する。
水酸化ナトリウムについては、純水五十ミリリットルに基準溶液を五・〇グラム加えた溶液に、水酸化ナトリウムで中和した過酸化水素水を上記基準溶液内に発泡がなくなるまで少量ずつ滴下して次亜塩素酸ナトリウムを分解した後、〇・五モル毎リットルの塩酸を用いて中和滴定を行い、〇・五モル毎リットルの塩酸の所要量に対応する水酸化ナトリウムを求めて含有率を算出する。この場合において、指示薬は、ブロムチモールブルー溶液とする。
- イ規格
- (四)測定は(二)イ~ニを三回行い、平均値を測定値とする。
- (五)本試験は、局部排気設備のある場所で換気に注意して行うこと。
洗濯用又は台所用の石けん
洗濯用又は台所用の石けん(界面活性剤又は界面活性剤及び洗浄補助剤その他の添加剤から成り、その主たる洗浄の作用が純石けん分の界面活性作用によるもの(洗濯用の石けんについては、純石けん分の含有重量が界面活性剤の総含有重量の七十パーセント以上のものに限り、台所用の石けんについては、純石けん分の含有重量が界面活性剤の総含有重量の六十パーセント以上のものに限る。)をいう。)
- (一)品名の表示に際しては、次の表の上欄に掲げる区分に応じ、それぞれ同表の下欄に掲げる品名を示す用語を用いて表示すること。
区分 用語 洗濯用の石けん 純石けん分以外の界面活性剤を含有しないもの 洗濯用石けん 純石けん分以外の界面活性剤を含有するもの 洗濯用複合石けん 台所用の石けん 純石けん分以外の界面活性剤を含有しないもの 台所用石けん 純石けん分以外の界面活性剤を含有するもの 台所用複合石けん - (二)成分の表示は、次のイからヌまでに掲げるところによること。この場合において、成分の分析の方法が日本産業規格K三三六二(家庭用合成洗剤試験方法)又はK三三〇四(石けん試験方法)に規定されているものについては、当該試験方法によること(成分の含有率は、固形のもの、粉末状のもの及び粒状のもの以外のものについては、製品重量比によって算出すること。)。
- イ純石けん分以外の界面活性剤を含有しないものにあっては、「純石けん分」の用語を用いて表示することとし、その用語の次に括弧書きでその含有率及び種類の名称を示す用語を付記すること。この場合において、表示値の誤差の許容範囲は、プラス・マイナス五以内とする。
- ロ純石けん分以外の界面活性剤を含有するものにあっては、「界面活性剤」の用語を用いて表示することとし、その用語の次に括弧書きで純石けん分を含めた界面活性剤の含有率を付記すること。以上の表示の次に純石けん分の含有率と種類の名称及び純石けん分以外の界面活性剤の含有率と種類の名称をそれぞれ「純石けん分」、「純石けん分以外の界面活性剤」の用語の次に括弧書きで付記すること。この場合において、表示値の誤差の許容範囲は、プラス・マイナス五以内とする。
- ハ純石けん分以外の界面活性剤を含有するものにあっては、含有される界面活性剤のうちその含有率が三パーセント以上のものについて、ロの規定によりその種類の名称を示す用語を付記すること。なお、三パーセント未満の純石けん分以外の界面活性剤しか含まれていない場合には、その含有率が最も高いものの一つの種類の名称を示す用語を用いて表示すること。ただし、界面活性剤の種類の名称を知ることができないとき、その他界面活性剤の種類の名称を表示しないことについてやむを得ない理由があるときは、界面活性剤の種類の名称を示す用語に代えて、界面活性剤の系別を示す用語を付記することができる。
- ニ純石けん分以外の界面活性剤の表示については、該当部分にアンダーラインを引くこと。
- ホハの規定により種類の名称又は系別を表示する場合において、その種類の名称又は系別が次の表の上欄に掲げる界面活性剤の区分に応じ、同表の下欄又は中欄に掲げる界面活性剤の種類の名称又は系別を示す用語に該当するものであるときは、当該欄に掲げる用語を用いて表示すること。
界面活性剤の区分 界面活性剤の系別を示す用語 界面活性剤の種類の名称を示す用語 陰イオン系界面活性剤 脂肪酸系(陰イオン) 脂肪酸ナトリウム
脂肪酸カリウム
アルファスルホ脂肪酸エステルナトリウム直鎖アルキルベンゼン系 直鎖アルキルベンゼンスルホン酸ナトリウム 高級アルコール系(陰イオン) アルキル硫酸エステルナトリウム
アルキルエーテル硫酸エステルナトリウムアルファオレフィン系 アルファオレフィンスルホン酸ナトリウム ノルマルパラフィン系 アルキルスルホン酸ナトリウム 非イオン系界面活性剤 脂肪酸系(非イオン) しょ糖脂肪酸エステルソルビタン脂肪酸エステル
ポリオキシエチレンソルビタン脂肪酸エステル
脂肪酸アルカノールアミド高級アルコール系(非イオン) ポリオキシエチレンアルキルエーテル アルキルフェノール系 ポリオキシエチレンアルキルフェニルエーテル 両性イオン系界面活性剤 アミノ酸系 アルキルアミノ脂肪酸ナトリウム ベタイン系 アルキルベタイン アミンオキシド系 アルキルアミンオキシド 陽イオン系界面活性剤 第四級アンモニウム塩系 アルキルトリメチルアンモニウム塩
ジアルキルジメチルアンモニウム塩- 備考界面活性剤の種類の名称を示す用語のうち直鎖アルキルベンゼンスルホン酸ナトリウムについては、界面活性剤の種類として通常使用している略称に代えることができる。
- ヘハ及びニの規定により種類の名称又は系別を表示する場合において、表示すべき純石けん分の種類若しくは系別の数又は純石けん分以外の界面活性剤の種類若しくは系別の数が二以上ある場合には、純石けん分又は純石けん分以外の界面活性剤ごとに、その含有率の大きいものから順次種類の名称又は系別を示す用語を列記すること。
- トハの規定による界面活性剤の種類の名称を示す用語の表示の次に界面活性剤の系別を示す用語を付記することができることとし、この場合において、その系別がこの表の中欄に掲げる界面活性剤の系別を示す用語に該当するものであるときは、当該用語を用いて表示すること。
- チりん酸塩を五酸化りん(P2O5)換算で一パーセント以上含有しているものについては、「りん酸塩」の用語を用いて表示することとし、その用語の次に括弧書きで五酸化りん換算の含有率を付記すること。この場合において、表示値の誤差の許容範囲は、プラス・マイナス二以内とする。
- リりん酸塩以外の洗浄補助剤その他の添加剤のうちその含有率が十パーセント以上のものについては、その成分の機能の名称の次に括弧書きで種類の名称を示す用語を用いて表示すること。また、その含有率が一パーセント以上のものについては、その機能の名称を示す用語を用いて表示すること。この場合において、その種類が次に掲げる種類の名称を示す用語に応ずるものであるときは、それぞれ次に掲げる種類の名称を示す用語を用いて表示すること。
- (1)炭酸塩
- (2)けい酸塩
- (3)硫酸塩
- (4)アルミノけい酸塩
- (5)エチルアルコール
- (6)尿素
- ヌ蛍光剤、酵素又は漂白剤を配合しているものについては、「蛍光増白剤」、「酵素」又は「漂白剤」の用語を表示すること。
- (三)液性の表示に際しては、次の表の上欄に掲げる水素イオン濃度(pH)の区分に応じ、それぞれ同表の下欄に掲げる液性を示す用語を用いて表示すること。この場合において、水素イオン濃度(pH)の測定は、液状のものについては原液について、液状のもの以外のものについては使用適量を用いた溶液について日本産業規格Z八八〇二(pH測定方法)に定める方法により行うものとする。この場合の測定温度は、二十五度とすること。
水素イオン濃度(pH) 用語 十一・〇を超えるもの アルカリ性 十一・〇以下八・〇を超えるもの 弱アルカリ性 - (四)用途の表示に際しては、その用途を適切に表現した用語を用いて表示すること。
- (五)正味量の表示に際しては、計量法(平成四年法律第五十一号)第十二条(特定商品の計量)及び第十三条(密封をした特定商品に係る特定物象量の表記)に規定する特定物象量の表記に準ずるものとする。この場合において、正味量の表示は製造されたときの計量によるものとし、その単位は、計量法に基づく法定計量単位のうちのキログラム単位、グラム単位、リットル単位又はミリリットル単位によるものとする。
- (六)使用量の目安の表示に際しては、使用の適量について具体的に分かりやすく表示すること。
- (七)使用上の注意の表示に際しては、次に掲げる事項を製品の品質に応じて適切に表示すること。ただし、該当する事項がない場合にはこの限りではない。
- イ子供の手が届くところに置かない旨。
- ロ野菜及び果物を五分間以上漬けたままにしない旨(野菜及び果物の洗浄に適するものに限る。)。
- ハ流水を用いてすすぐ場合には、野菜及び果物は三十秒間以上、食器及び調理用具は五秒間以上すすぐ旨(野菜及び果物の洗浄に適する石けんに限る。)。
- ニ流水を用いて食器又は調理用具をすすぐ場合には、五秒間以上すすぐ旨(野菜及び果物の洗浄に適さない石けんに限る。)。
- ホ用途外に使用しない旨。
- ヘ万一飲み込んだり、目に入ったりした場合には、応急処置を行い、医師に相談する旨。
- (八)固形石けんについては、液性、用途、正味量、使用量の目安及び使用上の注意の表示を省略することができる。
- (九)表示には、表示した者の氏名又は名称及び住所又は電話番号を付記すること。
- (十)表示は、最小販売単位ごとに、その容器又は包装等消費者の見やすい箇所に本体から容易に離れない方法で分かりやすく記載してすること。
住宅用又は家具用の洗浄剤
住宅用又は家具用の洗浄剤(酸、アルカリ又は酸化剤及び洗浄補助剤その他の添加剤から成り、その主たる洗浄の作用が酸、アルカリ又は酸化剤の化学作用によるものをいう。)
- (一)品名の表示に際しては、その用途を適切に表現した用語に「洗浄剤」の用語を付して表示すること。
- (二)成分の表示は、次のイからヘまでに掲げるところによること。
- イ界面活性剤については、「界面活性剤」の用語を用いて表示すること。この場合において、その含有率が三パーセント以上のものについては、「界面活性剤」の用語の次に括弧書きでその種類の名称を示す用語を付記すること。
- ロ二種類以上の界面活性剤を表示する場合には、その含有率の大きいものから順次列記すること。
- ハ三パーセント未満の界面活性剤しか含まれていない場合には、その含有率の最も高いものの一つの種類の名称を示す用語を表示すること。
- ニ洗浄補助剤その他の添加剤のうちその含有率が十パーセント以上のものについては、その成分の機能の名称の次に括弧書きで種類の名称を示す用語を表示すること。また、その含有率が一パーセント以上のものについては、その機能の名称を示す用語を表示すること。
- ホ酸又はアルカリについては、主要なものの種類の名称を示す用語を用いて表示することとし、その用語の次に括弧書きで次の表の上欄に掲げる成分の種類に応じ同表の下欄に掲げる試験方法により算出した当該成分の含有率を付記すること。この場合において、表示値の誤差の許容範囲は、プラス・マイナス一以内とすること。
成分の種類 成分の試験方法 塩酸 純水五十ミリリットルに試料五・〇グラムを加えた溶液について〇・五モル毎リットルの水酸化ナトリウム溶液を用いて中和滴定を行い、使用された〇・五モル毎リットルの水酸化ナトリウム溶液の所要量に対応する塩酸を求めて含有率を算出する。この場合において、指示薬は、ブロムチモールブルー溶液とする。 硫酸 塩酸の試験方法に準ずる。 しゅう酸 純水十ミリリットルに希硫酸(純水と硫酸(日本産業規格K八九五一(硫酸(試薬))に定める試薬特級とする。)とを容積が一対一の割合で混合したものとする。)十ミリリットル及び試料五・〇グラムを加えた溶液について〇・〇二モル毎リットルの過マンガン酸カリウム溶液を用いて酸化還元滴定を行い、使用された〇・〇二モル毎リットルの過マンガン酸カリウム溶液の所要量に対応するしゅう酸を求めて含有率を算出する。 塩酸及びしゅう酸を含むもののうちの塩酸 塩酸の試験方法に準じて総酸を中和滴定するに必要な〇・五モル毎リットルの水酸化ナトリウム溶液の所要量を求め、これからしゅう酸の試験方法により求められたしゅう酸の数量に対応する〇・五モル毎リットルの水酸化ナトリウム溶液の所要量を差し引いたものに対応する塩酸を求めて含有率を算出する。 スルファミン酸 純水五十ミリリットルに試料五・〇グラムを加えた溶液について〇・五モル毎リットルの亜硝酸ナトリウム溶液を用いて電位差滴定を行い、使用された〇・五モル毎リットルの亜硝酸ナトリウム溶液の所要量に対応するスルファミン酸を求めて含有率を算出する。 硫酸及びスルファミン酸を含むもののうちの硫酸 硫酸試験方法に準じて総酸を中和滴定するに必要な〇・五モル毎リットルの水酸化ナトリウム溶液の所要量を求め、これからスルファミン酸の試験方法により求められたスルファミン酸の数量に対応する〇・五モル毎リットルの水酸化ナトリウム溶液の所要量を差し引いたものに対応する硫酸を求めて含有率を算出する。 水酸化ナトリウム 純水五十ミリリットルに試料五・〇グラムを加えた溶液について〇・五モル毎リットルの塩酸を用いて中和滴定を行い、〇・五モル毎リットルの塩酸の所要量に対応する水酸化ナトリウムを求めて含有率を算出する。この場合において、指示薬は、ブロムチモールブルー溶液とする。 備考
- 1成分の含有率は、製品重量比により算出するものとする。
- 2試験に用いる溶液の調製方法は、日本産業規格K八〇〇一(試薬試験方法通則)によるものとする。
- ヘ酸化剤については、その種類の名称を示す用語を用いて表示すること。この場合において、次亜塩素酸塩を配合しているものについては、「次亜塩素酸塩」の用語を用いて表示すること。
- (三)液性の表示に際しては、次の表の上欄に掲げる水素イオン濃度(pH)の区分に応じ、それぞれ同表の下欄に掲げる液性を示す用語を用いて表示すること。この場合において水素イオン濃度(pH)の測定は、液状のものにあっては原液について、粉末のものにあっては一リットルの水に五十グラムの試料を溶かした溶液について日本産業規格Z八八〇二(pH測定方法)に定める方法により行うものとする。この場合の測定温度は二十五度とすること。
水素イオン濃度(pH) 用語 十一・〇を超えるもの アルカリ性 十一・〇以下八・〇を超えるもの 弱アルカリ性 八・〇以下六・〇以上のもの 中性 六・〇未満三・〇以上のもの 弱酸性 三・〇未満のもの 酸性 - (四)用途の表示に際しては、その用途を適切に表現した用語を用いて表示すること。
- (五)正味量の表示に際しては、計量法(平成四年法律第五十一号)第十二条(特定商品の計量)及び第十三条(密封をした特定商品に係る特定物象量の表記)に規定する特定物象量の表記に準ずるものとする。この場合の単位は、計量法に基づく法定計量単位のうちキログラム単位、グラム単位、リットル単位又はミリリットル単位によるものとする。
- (六)使用量の目安の表示については、使用の適量について具体的に分かりやすく表示すること。
- (七)使用上の注意の表示に際しては、次に掲げる事項を製品の品質に応じて適切に表示すること。ただし、該当する事項がない場合にはこの限りではない。
- イ子供の手が届くところに置かない旨(この場合において、特別注意事項として表示する場合には、表示を省略することができる(塩素系の製品に限る。)。)。
- ロ用途以外に使用しない旨。
- ハ万一飲み込んだり又は目に入ったりした場合には、応急処置を行い、医師に相談する旨。
- ニ使用の際にはゴム製等の手袋又は柄付きたわしを使用する旨。
- (八)表示には、表示した者の氏名又は名称及び住所又は電話番号を付記すること。
- (九)表示は、最小販売単位ごとに、その容器又は包装等消費者の見やすい箇所に本体から容易に離れない方法で分かりやすく記載してすること。
- (十)別記一「塩素ガス発生試験(酸性タイプ)」で規定する試験又はこれと同等以上の精度を有する試験で測定した結果、一・〇ppm以上塩素ガスを発生するものについては、次に掲げる特別注意事項を表示すること。
- イ「まぜるな 危険」
- ロ「酸性タイプ」
- ハ塩素系の製品と一緒に使う(混ぜる)と有害な塩素ガスが出て危険である旨。
- (十一)特別注意事項の表示は、容器(箱に入っているものについては箱及び容器。以下同じ。)ごとに、商品名の記載のある面と同一の面の目立つ箇所に次により記載してすることとし、イ、ロ及びハの表示はそれぞれ隣接した位置に行うこと。
- イ「まぜるな 危険」の表示に際しては、枠を設け白地に「まぜるな 危険」と表示すること。「まぜるな」の文字は黄色に黒の縁取りをし、二十八ポイント以上(製品の排除体積(キャップを含む。以下同じ。)が二百十ミリリットル以下のものにあっては二十六・二五ポイント以上)の大きさで表示することとし、「危険」の文字は赤色で、四十二ポイント以上(製品の排除体積が二百十ミリリットル以下のものにあっては二十六・二五ポイント以上)の大きさで表示すること。
- ロ「酸性タイプ」の表示に際しては、枠を設け「酸性タイプ」と赤系色で表示することとし、容器、ラベル等の色により「酸性タイプ」の文字が目立たない場合は、ラベル又は枠内の色を変える等特に目立つ方法を用いて表示すること。文字の大きさは、当該製品の「使用上の注意」の表示に用いる文字の大きさより八ポイント以上大きくすること。
- ハ塩素系の製品と一緒に使うと有害な塩素ガスが出て危険である旨の表示に際しては、枠を設け「塩素系」及び「危険」の文字を用いて表示すること。「塩素系」及び「危険」の文字は赤系色で、当該製品の「使用上の注意」の表示に用いる文字の大きさより四ポイント以上大きくすることとし、「塩素系」及び「危険」以外の文字に使用する文字の大きさは、当該製品の「使用上の注意」の表示に用いる文字の大きさより一ポイント以上大きくすること。
- (十二)別記二「塩素ガス発生試験(塩素系)」で規定する試験又はこれと同等以上の精度を有する試験で測定した結果、一・〇ppm以上塩素ガスを発生するものについては、次に掲げる特別注意事項を表示すること。
- イ「まぜるな 危険」
- ロ「塩素系」
- ハ
- (1)酸性タイプの製品と一緒に使う(混ぜる)と有害な塩素ガスが出て危険である旨。
- (2)目に入った時は、すぐに水で洗う旨。
- (3)子供の手に触れないようにする旨。
- (4)必ず換気を良くして使用する旨。
- (十三)特別注意事項の表示は、容器ごとに、商品名の記載のある面と同一の面の目立つ箇所に次により記載してすることとし、イ、ロ及びハの表示はそれぞれ隣接した位置に行うこと。
- イ「まぜるな 危険」の表示に際しては、枠を設け白地に「まぜるな 危険」と表示すること。「まぜるな」の文字は黄色に黒の縁取りをし、二十八ポイント以上(製品の排除体積が二百十ミリリットル以下のものにあっては二十六・二五ポイント以上)の大きさで表示することとし、「危険」の文字は赤色で、四十二ポイント以上(製品の排除体積が二百十ミリリットル以下のものにあっては二十六・二五ポイント以上)の大きさで表示すること。
- ロ「塩素系」の表示に際しては、枠を設け「塩素系」と黄系色で表示することとし、容器、ラベル等の色により「塩素系」の文字が目立たない場合は、ラベル又は枠内の色を変える等特に目立つ方法を用いて表示すること。文字の大きさは、当該製品の「使用上の注意」の表示に用いる文字の大きさより八ポイント以上大きくすること。
- ハ(1)から(4)までの事項の表示に際しては、枠を設け表示すること。この際、(1)については「酸性タイプ」及び「危険」の文字を用いて表示することとし、「酸性タイプ」及び「危険」の文字は赤系色で、当該製品の「使用上の注意」の表示に用いる文字の大きさより四ポイント以上大きくすること。「酸性タイプ」及び「危険」以外の文字に使用する文字の大きさは、当該製品の「使用上の注意」の表示に用いる文字の大きさより一ポイント以上大きくすること。
別記一塩素ガス発生試験(酸性タイプ)
- (一)装置及び器具
次の図のような合成樹脂容器の蓋に検知管及びファンを取り付け、ファンは下向きに送風できるようにする。
図中(A)~(G)の内容については以下のとおり。
- (A)合成樹脂容器
プラスチック製蓋付容器(丸形)、呼び容量二十リットル(ただし容量の許容差はプラス十パーセント、マイナス四パーセントとする。)。使用時にはシール等により密閉性を良くすること。 - (B)塩素ガス検知管
試料採取量百ミリリットル一回において塩素ガス濃度〇・五~十ppm程度の範囲を測定できるもの。 - (C)ガス採取器(百ミリリットル)
- (D)槽内攪拌(かくはん)用軸流ファン
羽根(数四~五枚、直径五~七センチメートル、片面面積二百二十~三百二十平方ミリメートル/枚で総面積千百~千三百平方ミリメートルとなる角度付きのもの)、回転数五十ヘルツで約二千五百rpm、六十ヘルツで約三千rpm - (E)十ミリリットルビーカー
- (F)スターラービース(長さ一センチメートル)
- (G)マグネチックスターラー
- (A)合成樹脂容器
- (二)測定方法
- イ合成樹脂容器の底に、ピペットを用いて酸性タイプの製品の原液三ミリリットル(又は三グラム)を入れた十ミリリットルビーカーを置く。
- ロ(三)で定める塩素系基準溶液三ミリリットルをイのビーカー内に加える。
- ハ直ちに容器の蓋をして、マグネチックスターラーにて混合し、槽内をファンで攪拌(かくはん)する。
- ニ両液混合から五分間後、ガス採取器を検知管の後に接続して容器内のガスを百ミリリットル一回吸引して測定し、得られた数値から、次式により塩素ガス濃度を算出する。

- ホ室温・液温は二十度プラス・マイナス五度とする。
- (三)基準溶液
- イ規格
塩素系基準溶液については、次亜塩素酸ナトリウム四・八~五・二パーセント及び水酸化ナトリウム〇・九~一・一パーセントの混合溶液とする。
- ロ調製方法
塩素系基準溶液については、工業用次亜塩素酸ナトリウム水溶液(次亜塩素酸ナトリウム約十三パーセント、水酸化ナトリウム約〇・三パーセント)を(三)ハと同様の方法で分析し、次亜塩素酸ナトリウム及び水酸化ナトリウムの正確な濃度を得た上で、イオン交換水と試薬特級(日本産業規格K八五七六(水酸化ナトリウム(試薬)))の水酸化ナトリウムを用いて上記塩素系基準溶液の規格に入るように調製する。
- ハ分析方法
本基準溶液は、冷暗所に保存し、三か月以内のものを使用する。使用に際しては、その都度分析を行う。分析方法は以下のとおり。
次亜塩素酸ナトリウムについては、基準溶液を一・〇グラムないし一・五グラム精秤し、イオン交換水を五十ミリリットルとヨウ化カリウム二グラム及び酢酸十ミリリットルを加え、遊離したヨウ素を〇・一モル毎リットルのチオ硫酸ナトリウム溶液を用いて酸化還元滴定を行い、〇・一モル毎リットルのチオ硫酸ナトリウム溶液の所要量に対応する次亜塩素酸ナトリウムを求めて含有率を算出する。
水酸化ナトリウムについては、純水五十ミリリットルに基準溶液を五・〇グラム加えた溶液に、水酸化ナトリウムで中和した過酸化水素水を上記基準溶液内に発泡がなくなるまで少量ずつ滴下して次亜塩素酸ナトリウムを分解した後、〇・五モル毎リットルの塩酸を用いて中和滴定を行い、〇・五モル毎リットルの塩酸の所要量に対応する水酸化ナトリウムを求めて含有率を算出する。この場合において、指示薬は、ブロムチモールブルー溶液とする。
- イ規格
- (四)測定は、(二)イ~ニを三回行い、平均値を測定値とする。
- (五)本試験は、局部排気設備のある場所で換気に注意して行うこと。
別記二塩素ガス発生試験(塩素系)
- (一)装置及び器具
別記一塩素ガス発生試験(酸性タイプ)に同じ。
- (二)測定方法
- イ合成樹脂容器の底に、ピペットを用いて(三)で定める酸性タイプ基準溶液三ミリリットルを入れた十ミリリットルビーカーを置く。
- ロ塩素系製品の原液三ミリリットル(又は三グラム)をイのビーカー内に加える。
- ハ直ちに容器の蓋をして、マグネチックスターラーにて混合し、槽内をファンで攪拌(かくはん)する。
- ニ両液混合から五分間後、ガス採取器を検知管の後に接続して容器内のガスを百ミリリットル一回吸引して測定し、得られた数値から、次式により塩素ガス濃度を算出する。

- ホ室温、液温は二十度プラス・マイナス五度とする。
- (三)基準溶液
- イ規格
酸性タイプの基準溶液については、塩酸九・三~九・七パーセントとする。
- ロ調製方法
酸性タイプ基準溶液については、試薬特級(日本産業規格K八一八〇(塩酸(試薬)))の塩酸をイオン交換水を用いて上記酸性タイプ基準溶液に入るように調製する。
- ハ分析方法
本基準溶液は、冷暗所に保存し、三か月以内のものを使用する。使用に際しては、その都度分析を行う。分析方法については、純水五十ミリリットルに試料五・〇グラムを加えた溶液を用いて中和滴定を行い、使用された〇・五モル毎リットルの水酸化ナトリウム溶液の所要量に対応する塩酸を求めて含有率を算出する。この場合において、指示薬は、ブロムチモールブルー溶液とする。
- イ規格
- (四)測定は(二)イ~ニを三回行い、平均値を測定値とする。
- (五)本試験は、局部排気設備のある場所で換気に注意して行うこと。
担当:表示対策課