雑貨工業品品質表示規程(三 衣料用、台所用又は住宅用の漂白剤)
別表第二(第二条関係)
三衣料用、台所用又は住宅用の漂白剤
- (一)品名の表示に際しては、その用途を適切に表現した用語に「漂白剤」の用語を付して表示すること。
- (二)成分の表示に際しては、次のイからヘまでに掲げるところによること。
- イ酸化剤又は還元剤については、その成分の種類の名称を示す用語を用いて適正に表示することとし、それが次の表の下欄に掲げる成分の種類の名称を示す用語に該当するものであるときは、当該欄に掲げる用語を用いて表示すること。
主たる成分の区別 成分の系別を示す用語 成分の種類の名称を示す用語 酸化剤 塩素系 次亜塩素酸ナトリウム
ジクロロイソシアヌル酸ナトリウム(又はカリウム)酸素系 過炭酸ナトリウム
過ほう酸ナトリウム
モノ過硫酸ナトリウム
過酸化水素還元剤 還元系 ハイドロサルファイト
二酸化チオ尿素 - ロイの酸化剤又は還元剤の種類の名称を示す用語の次に括弧書きでイの表の中欄に掲げる成分の系別を示す用語を用いて付記すること。
- ハ界面活性剤を含有するものについては、「界面活性剤」の用語を用いて表示することとし、その用語の次に括弧書きで含有される界面活性剤のうちその含有率が最も高いものの種類の名称を示す用語を表示すること。
- ニりん酸塩を五酸化りん(P2O5)換算で一パーセント以上含有しているものについては、「りん酸塩」の用語を用いて表示することとし、その用語の次に括弧書きで五酸化りん換算の含有率を付記すること。この場合において、表示値の誤差の許容範囲は、プラス・マイナス二以内とすること。
- ホりん酸塩以外の洗浄補助剤その他の添加剤のうちその含有率が十パーセント以上のものについては、その成分の機能の名称の次に括弧書きで種類の名称を示す用語を表示すること。また、その含有率が一パーセント以上のものについては、その機能の名称を示す用語を表示すること。
- ヘホの規定にかかわらず、蛍光剤又は酵素を配合しているものについては、「蛍光増白剤」又は「酵素」の用語を用いて表示すること。
- イ酸化剤又は還元剤については、その成分の種類の名称を示す用語を用いて適正に表示することとし、それが次の表の下欄に掲げる成分の種類の名称を示す用語に該当するものであるときは、当該欄に掲げる用語を用いて表示すること。
- (三)液性の表示に際しては、次の表に上欄に掲げる水素イオン濃度(pH)の区分に応じ、それぞれ同表の下欄に掲げる液性を示す用語を用いて表示すること。この場合において、水素イオン濃度(pH)の測定は、液状のものについては原液について、液状のもの以外のものについては使用適量の最高濃度溶液について日本産業規格Z八八〇二(pH測定方法)に定める方法により行うものとすること。この場合の測定温度は二十五度とすること。
水素イオン濃度(pH) 用語 十一・〇を超えるもの アルカリ性 十一・〇以下八・〇を超えるもの 弱アルカリ性 八・〇以下六・〇以上のもの 中性 六・〇未満三・〇以上のもの 弱酸性 三・〇未満のもの 酸性 - (四)正味量の表示に際しては、計量法(平成四年法律第五十一号)第十二条(特定商品の計量)及び第十三条(密封をした特定商品に係る特定物象量の表記)に規定する特定物象量の表記に準ずるものとする。この場合の単位は、キログラム単位、グラム単位、リットル単位又はミリリットル単位によるものとする。
- (五)使用方法の表示に際しては、次に掲げる基準に従って製品の品質に応じて適切に表示すること。ただし、該当する事項がない場合には、この限りではない。
- イ使用量の目安については、使用の適量について具体的に分かりやすく表示すること。
- ロ用途ごとに、標準的な使用方法を具体的に表示すること。
- ハ使用の対象とすることのできるもの及びできないものを具体的に例示すること。
- ニ繊維に使用した場合に、当該繊維が変質したり、当該繊維に施された染色が変質したりしないことを確認するための試験方法を表示すること(還元系のものを除く。)。
- ホ樹脂加工を施した繊維に使用して当該繊維が黄変した場合に、これを漂白するための方法を表示すること(塩素系のものに限る。)。
- ヘ一定の濃度で温水を使用した場合には、冷水を使用した場合よりも短い時間で同程度の漂白剤効果がある旨を表示すること(酸素系及び還元系のものに限る。)。
- (六)使用上の注意の表示に際しては、次に掲げる事項を製品の品質に応じて適切に表示すること。ただし、該当する事項がない場合にはこの限りではない。
- イ子供の手が届く所に置かない旨(この場合において、特別注意事項として表示する場合には、表示を省略することができる(塩素系の製品に限る。)。)。
- ロ熱湯では使用しない旨。
- ハ万一飲み込んだり又は目に入ったりした場合には、応急処置を行い、医師に相談する旨(この場合において種類に応じた適切な応急処置の方法を具体的に表示すること。)。
- ニ直射日光の当たる所又は高温の所に置かない旨。
- ホ用途外に使用しない旨。
- (七)表示には、表示した者の氏名又は名称及び住所又は電話番号を付記すること。
- (八)表示は、最小販売単位ごとに、その容器又は包装等消費者の見やすい箇所に本体から容易に離れない方法で分かりやすく記載してすること。
- (九)別記「塩素ガス発生試験(塩素系)」で規定する試験又はこれと同等以上の精度を有する試験で測定した結果、一・〇ppm以上塩素ガスを発生するものについては、次に掲げる特別注意事項を表示すること。
- イ「まぜるな 危険」
- ロ「塩素系」
- ハ
- (1)酸性タイプの製品と一緒に使う(混ぜる)と有害な塩素ガスが出て危険である旨。
- (2)目に入った時は、すぐに水で洗う旨。
- (3)子供の手に触れないようにする旨。
- (4)必ず換気を良くして使用する旨。
- (十)特別注意事項の表示は、容器(箱に入っているものについては箱及び容器。以下同じ。)ごとに、商品名の記載のある面と同一の面の目立つ箇所に次により記載してすることとし、イ、ロ及びハの表示はそれぞれ隣接した位置に行うこと。
- イ「まぜるな 危険」の表示に際しては、枠を設け白地に「まぜるな 危険」と表示すること。「まぜるな」の文字は黄色に黒の縁取りをし、二十八ポイント以上(製品の排除体積(キャップを含む。以下同じ。)が二百十ミリリットル以下のものにあっては二十六・二五ポイント以上)の大きさで表示することとし、「危険」の文字は赤色で、四十二ポイント以上(製品の排除体積が二百十ミリリットル以下のものにあっては二十六・二五ポイント以上)の大きさで表示すること。
- ロ「塩素系」の表示に際しては、枠を設け「塩素系」と黄系色で表示することとし、容器、ラベル等の色により「塩素系」の文字が目立たない場合は、ラベル又は枠内の色を変える等特に目立つ方法を用いて表示すること。文字の大きさは、当該製品の「使用上の注意」の表示に用いる文字の大きさより八ポイント以上大きくすること。
- ハ(1)から(4)までの事項の表示に際しては、枠を設け表示すること。この際、(1)については「酸性タイプ」及び「危険」の文字を用いて表示することとし、「酸性タイプ」及び「危険」の文字は赤系色で、当該製品の「使用上の注意」の表示に用いる文字の大きさより四ポイント以上大きくすること。「酸性タイプ」及び「危険」以外の文字に使用する文字の大きさは、当該製品の「使用上の注意」の表示に用いる文字の大きさより一ポイント以上大きくすること。
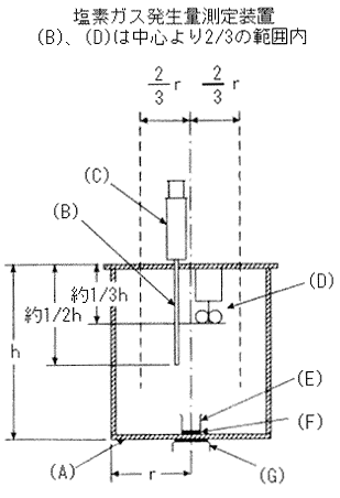
別記 塩素ガス発生試験(塩素系)
- (一)装置及び器具
次の図のような合成樹脂容器の蓋に検知管及びファンを取り付け、ファンは下向きに送風できるようにする。
図中(A)~(G)の内容については以下のとおり。
-
-
- (A)合成樹脂容器
プラスチック製蓋付容器(丸形)、呼び容量二十リットル(ただし容量の許容差はプラス十パーセント、マイナス四パーセントとする。)。使用時にはシール等により密閉性を良くすること。
- (B)塩素ガス検知管
試料採取量百ミリリットル一回において塩素ガス濃度〇・五~十ppm程度の範囲を測定できるもの。
- (C)ガス採取器(百ミリリットル)
- (D) 槽内攪拌(かくはん)用軸流ファン
羽根(数四~五枚、直径五~七センチメートル、片面面積二百二十~三百二十平方ミリメートル/枚で総面積千百~千三百平方ミリメートルとなる角度付きのもの)、回転数五十Hzで約二千五百rpm、六十Hzで約三千rpm
- (E)十ミリリットルビーカー
- (F)スターラービース(長さ一センチメートル)
- (G)マグネチックスターラー
- (A)合成樹脂容器
- (二)測定方法
- イ合成樹脂容器の底に、ピペットを用いて(三)で定める酸性タイプ基準溶液三ミリリットルを入れた十ミリリットルビーカーを置く。
- ロ塩素系製品の原液三ミリリットル(又は三グラム)をイのビーカー内に加える。
- ハ直ちに容器の蓋をして、マグネチックスターラーにて混合し、槽内をファンで攪拌(かくはん)する。
- ニ両液混合から五分間後、ガス採取器を検知管の後に接続して容器内のガスを百ミリリットル一回吸引して測定し、得られた数値から、次式により塩素ガス濃度を算出する。
-

-
-
- ホ室温、液温は二十度プラス・マイナス五度とする。
- (三)基準溶液
- イ規格
酸性タイプ基準溶液については、塩酸九・三~九・七パーセントとする。
- ロ調製方法
酸性タイプ基準溶液については、試薬特級(日本産業規格K八一八〇(塩酸(試薬)))の塩酸をイオン交換水を用いて上記酸性タイプ基準溶液に入るように調製する。
- ハ分析方法
本基準溶液は、冷暗所に保存し、三か月以内のものを使用する。使用に際しては、その都度分析を行う。分析方法については、純水五十ミリリットルに試料五・〇グラムを加えた溶液について〇・五モル毎リットルの水酸化ナトリウム溶液を用いて中和滴定を行い、使用された〇・五モル毎リットルの水酸化ナトリウム溶液の所要量に対応する塩酸を求めて含有率を算出する。この場合において、指示薬は、ブロムチモールブルー溶液とする。
- イ規格
- (四)測定は(二)イ~ニを三回行い、平均値を測定値とする。
- (五)本試験は、局部排気設備のある場所で換気に注意して行うこと。
-
担当:表示対策課